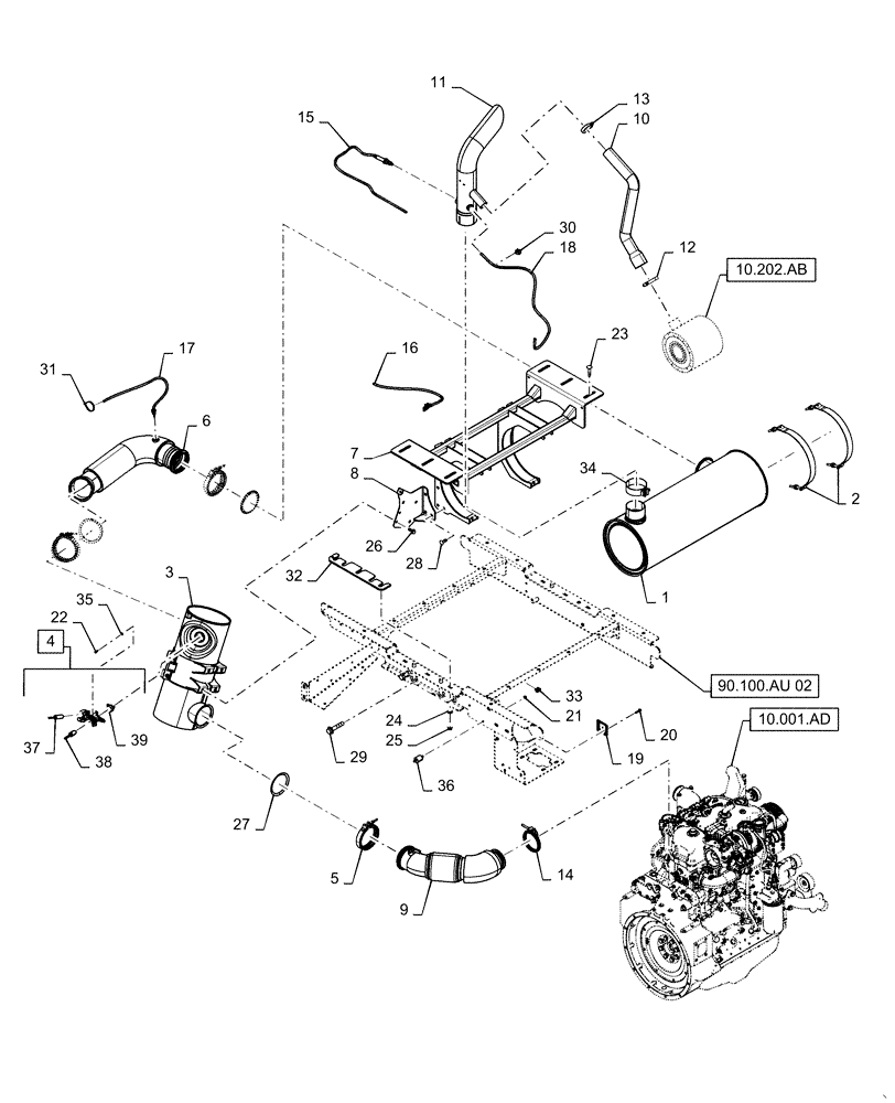
Запчасти Case IH WD1504 (10.500.AO) - EXHAUST SYSTEM, SCR (10) - ENGINE

Схема запчастей Case IH WD1504 - (10.500.AO) - EXHAUST SYSTEM, SCR (10) - ENGINE
18
34
26
15
22
7
13
32
9
1
2
12
31
3
19
29
36
8
10
6
20
33
5
11
23
25
24
16
14
37
4
21
38
30
27
10.202.ab
10.001.ad
17
35
28
90.100.au 02
39
FIT
1:1
100%

Артикул

Название

Примечание

Количество

1

84603376

MUFFLER

SCR Cluster

1шт.

2

47473035

STRAP

Muffler Securing

2шт.

3

47518472

MUFFLER

DOC Cluster

1шт.

4

47537803

INJECTOR, EMISSIONS

DNOX 2.2, Incl 38 - 40

1шт.

4

47537803R

REMAN-INJEC EMISSION

DNOX

1шт.

4

47537803C

CORE-INJEC EMISSION

Return Number

1шт.

5

84356331

CLAMP,118mm OD x 26mm W

Exhaust Pipe

3шт.

6

47466025

PIPE

Exhaust System

1шт.

7

47466020

CRADLE

SCR

1шт.

8

47719916

SUPPORT

DOC Can

1шт.

9

47472184

PIPE

Exhaust System

1шт.

10

47541179

HOSE

Aspiration

1шт.

11

47491475

PIPE

Exhaust

1шт.

12

45014

HOSE CLAMP,2.06” - 3” , Worm Gear

1шт.

13

513309

HOSE CLAMP,1-1/16” - 2”, Worm Gear

1шт.

14

47461754

CLAMP

Clamp, Turbo Flap

1шт.

15

84422750

SENSOR,NOx, 12V, 5 Pin, 915mm L

NOX

2шт.

16

47478880

TEMPERATURE SENDER,50mm, Closed

Temperature

1шт.

17

47478995

SENSOR

Temperature

2шт.

18

47520142

SENSOR,1000mm L

NH3

1шт.

19

47368959

ECU

NH3

1шт.

20

87670758

FLANGE BOLT,M6 x 31.6mm, Cl 10.9

2шт.

21

86050300

FLANGE NUT,M6 x 1.0, Cl 10

10шт.

22

14432221

HEX SOC SCREW,M6 x 1.0 x 28mm, Cl 8.8

3шт.

23

86512426

CARRIAGE BOLT,Sq Nk, M10 x 50mm, Cl 8.8

6шт.

24

140045

BELLEVILLE WASHER,M10 Bolt Size x 22mm OD x 1.6mm Thk

9шт.

25

9804278

FLANGE NUT,M10 x 1.5, Cl 8

9шт.

26

87698836

BOLT,M10 x 25mm, Full Thd, Cl 10.9

4шт.

27

47683516

GASKET,94mm ID x 117mm OD x 3.8mm TK

4" Exhaust

3шт.

28

87698837

FLANGE BOLT,M10 x 30mm, Full Thd, Cl 10.9

3шт.

29

47411044

FLANGE BOLT,M16 x 95.4mm, Full Thd, Cl 10.9

M16 x 80mm

8шт.

30

82033028

CABLE TIE,170mm L

Cable Tie

5шт.

31

86566989

CABLE TIE,208mm L

10шт.

32

47602857

SPACER

SCR Cradle

4шт.

33

47607317

MOUNT

Clip

3шт.

34

84140242

CLAMP

Tube

1шт.

35

86588450

WASHER,6.6mm ID x 12mm OD x 1.6mm Thk

3шт.

36

47671808

DAMPER,M6 x 1.0 x 15mm, 25mm OD x 60mm OAL

Sensor, ECU

4шт.

37

47364264

REPAIR KIT

Coolant Connector, Incl with 4

2шт.

38

47364085

REPAIR KIT

Protective Cap

1шт.

39

47364140

GASKET,30mm OD, Rubber, Black

DENOX Gasket

1шт.

Выбрано товаров: 41