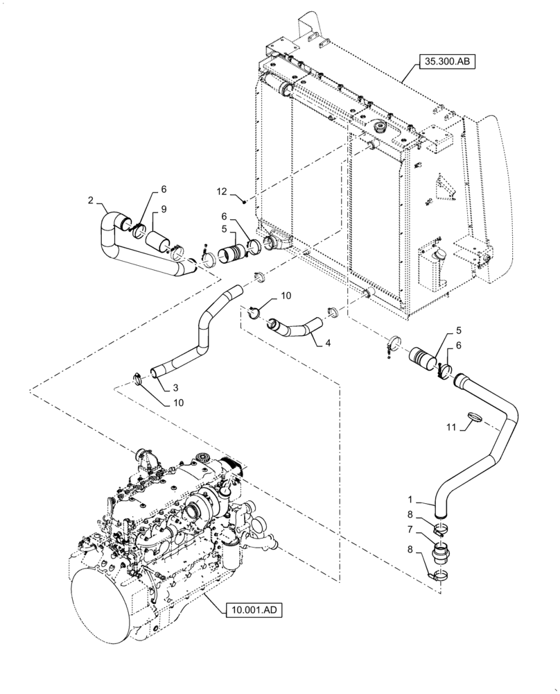
Запчасти Case IH WD1904 (10.310.AE) - INTERCOOLER LINE (10) - ENGINE

Схема запчастей Case IH WD1904 - (10.310.AE) - INTERCOOLER LINE (10) - ENGINE
10
8
2
12
35.300.ab
11
6
3
10
1
5
7
8
10.001.ad
6
9
4
6
5
FIT
1:1
100%

Артикул

Название

Примечание

Количество

1

47517307

TUBE

Upper, CAC

1шт.

2

47517338

TUBE

Lower, CAC

1шт.

3

47517340

HOSE

Upper Radiator

1шт.

4

47517303

HOSE

Lower Radiator

1шт.

5

87340284

INTAKE AIR HOSE,76.20mm ID x 129mm L

Charge Air

2шт.

6

87041091

HOSE CLAMP,3.06" - 3.37"

CAC

6шт.

7

9821610

HOSE,63.50 mm ID x 101.60 mm

Intercooler Outlet

1шт.

8

86014159

HOSE CLIP

Intercooler

2шт.

9

86623661

FLEXIBLE HOSE,76.20 mm ID x 110.00 mm, SAE J20 Class A

Intercooler Inlet

1шт.

10

45014

HOSE CLAMP,2.06” - 3” , Worm Gear

Radiator

4шт.

11

86625033

HOSE CLAMP,77.7mm - 101.6mm, Worm Gear

1шт.

12

87752089

PLUG,Hex, 1/4" - 18 NPTF

Radiator

1шт.

Выбрано товаров: 12