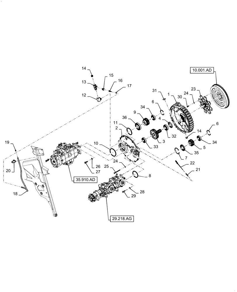
Запчасти Case IH WD1904 (31.220.AG[01]) - GEARBOX, PTO ASSY, 6 CYLINDER (31) - IMPLEMENT POWER TAKE OFF

Схема запчастей Case IH WD1904 - (31.220.AG[01]) - GEARBOX, PTO ASSY, 6 CYLINDER (31) - IMPLEMENT POWER TAKE OFF
29.218.ag
14
1
29
27
11
4
8
24
33
35
6
14
20
5
32
2
22
16
9
26
23
7
25
15
13
19
36
10
18
12
24
21
30
31
28
3
17
6
34
34
35.910.ad
10.001.ad
FIT
1:1
100%

Артикул

Название

Примечание

Количество

1

84522083

HOUSING

Gearbox A

1шт.

2

47921334

COVER

6 Cylinder

1шт.

3

84290800

GEAR

47 Tooth

1шт.

4

86623595

RUBBER SEAL,45mm ID x 62mm OD x 8mm Thk

1шт.

5

84515073

GEAR

29 Tooth

1шт.

6

300633

SNAP RING,M80, Internal

2шт.

7

370026

SNAP RING,M100 x 3mm Thk, Internal

1шт.

8

9706914

O-RING,0.07" Thk x 3.989" ID, -45, Cl 5, 75 Duro

1шт.

9

47375082

GEAR

32 Tooth

1шт.

10

216255

O-RING,0.139" Thk x 4.859" ID, -249, Cl 5, 75 Duro

1шт.

11

11075676

SNAP RING,M115, Int

1шт.

12

88472

ELBOW,90º, 3/4"-14 Female x 3/4"-14 Male

1шт.

13

509968

3 WAY CONNECTION

Street Pipe Iron 3/4-14 NPTF

1шт.

14

509939

PLUG

3/4 NPTF

2шт.

15

686790

REDUCER

3/4 NPTF x 1/4 NPTF Female Brass

1шт.

16

87016893

FITTING,1/4" Hose X 1/4" NPTF Beaded

1шт.

17

86637701

HOSE CLAMP,12.45mm - 12.95mm

1шт.

18

87280926

FUEL HOSE

Breather Tube

1шт.

19

854071

BREATHER

Air Filter

1шт.

20

529070

CABLE TIE,368.3mm L

1шт.

21

86522662

TUBE,9.52 mm OD x 68.00 mm L

PTO Dipstick

1шт.

22

9635238

INDICATOR

PTO Dipstick

1шт.

23

87652184

DAMPER

1шт.

24

140045

BELLEVILLE WASHER,M10 Bolt Size x 22mm OD x 1.6mm Thk

20шт.

25

86508573

BOLT,Hex, M10 x 110mm, Cl 8.8

12шт.

26

394630

WASHER,13mm ID x 28mm OD x 4mm Thk

4шт.

27

86521615

BOLT,Hex, 1/2" - 13 x 1 1/2", Gr 5

4шт.

28

58102

WASHER

13.1 x 25.4 x 3.45

2шт.

29

87689

BOLT,1/2"-13 x 1.813" OAL, Gr 5

2шт.

30

43139

BOLT,M10 x 1.5 x 25mm, Cl 8.8

8шт.

31

9840491

MAGNET

Ceramic

2шт.

32

84156145

BALL BEARING,50mm ID x 90mm OD x 20mm W

1шт.

33

87694391

BALL BEARING

1шт.

34

84312857

BALL BEARING,40mm ID x 80mm OD x 18mm W

2шт.

35

84519494

BALL BEARING

1шт.

36

47376950

BALL BEARING

1шт.

Выбрано товаров: 36