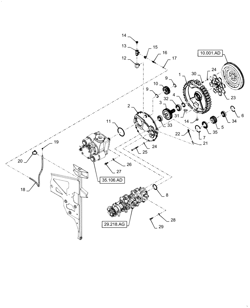
Запчасти Case IH WD1904 (31.220.AG[02]) - GEARBOX, PTO ASSY, NON-DRAPER 6 CYLINDER (31) - IMPLEMENT POWER TAKE OFF

Схема запчастей Case IH WD1904 - (31.220.AG[02]) - GEARBOX, PTO ASSY, NON-DRAPER 6 CYLINDER (31) - IMPLEMENT POWER TAKE OFF
35.106.ad
26
27
3
24
23
1
14
24
18
15
21
9
34
4
12
33
10
32
30
7
31
9
17
20
8
28
35
16
29
14
2
22
19
5
6
25
11
13
10.001.ad
29.218.ag
FIT
1:1
100%

Артикул

Название

Примечание

Количество

1

84522083

HOUSING

Gearbox

1шт.

2

47921326

COVER

Non-Draper Gearbox

1шт.

3

84290800

GEAR

47 Tooth

1шт.

4

86623595

RUBBER SEAL,45mm ID x 62mm OD x 8mm Thk

Gear Shaft

1шт.

5

84515073

GEAR

29 Tooth

1шт.

6

300633

SNAP RING,M80, Internal

1шт.

7

370026

SNAP RING,M100 x 3mm Thk, Internal

1шт.

8

9706914

O-RING,0.07" Thk x 3.989" ID, -45, Cl 5, 75 Duro

1шт.

9

11487

SNAP RING,#175, Ext

2шт.

10

86521846

GEAR

32 Tooth

1шт.

11

274336

O-RING,0.103" Thk x 4.737" ID, -158, Cl 5, 75 Duro

1шт.

12

88472

ELBOW,90º, 3/4"-14 Female x 3/4"-14 Male

1шт.

13

509968

3 WAY CONNECTION

Street Pipe Iron 3/4-14 NPTF

1шт.

14

509939

PLUG

3/4 NPTF Socket

2шт.

15

686790

REDUCER

Bushing, 3/4 NPTF Male X 1/4 NPTF Pln

1шт.

16

87016893

FITTING,1/4" Hose X 1/4" NPTF Beaded

1шт.

17

86637701

HOSE CLAMP,12.45mm - 12.95mm

1шт.

18

87280926

FUEL HOSE

Breather

1шт.

19

854071

BREATHER

Gearbox

1шт.

20

529070

CABLE TIE,368.3mm L

1шт.

21

86522662

TUBE,9.52 mm OD x 68.00 mm L

PTO Gearbox (For Dipstick)

1шт.

22

9635238

INDICATOR

Dipstick, PTO

1шт.

23

87652184

DAMPER

Gearbox

1шт.

24

140045

BELLEVILLE WASHER,M10 Bolt Size x 22mm OD x 1.6mm Thk

20шт.

25

86508573

BOLT,Hex, M10 x 110mm, Cl 8.8

12шт.

26

394630

WASHER,13mm ID x 28mm OD x 4mm Thk

4шт.

27

86521615

BOLT,Hex, 1/2" - 13 x 1 1/2", Gr 5

4шт.

28

58102

WASHER

2шт.

29

87689

BOLT,1/2"-13 x 1.813" OAL, Gr 5

2шт.

30

43139

BOLT,M10 x 1.5 x 25mm, Cl 8.8

8шт.

31

9840491

MAGNET

Ceramic

2шт.

32

84156145

BALL BEARING,50mm ID x 90mm OD x 20mm W

47 Tooth Gear

1шт.

33

87694391

BALL BEARING

47 Tooth Gear

1шт.

34

84312857

BALL BEARING,40mm ID x 80mm OD x 18mm W

29 Tooth Gear

1шт.

34

84312857GV

BALL BEARING

Value, Ball Bearing

1шт.

35

84519494

BALL BEARING

29 Tooth Gear

1шт.

Выбрано товаров: 36