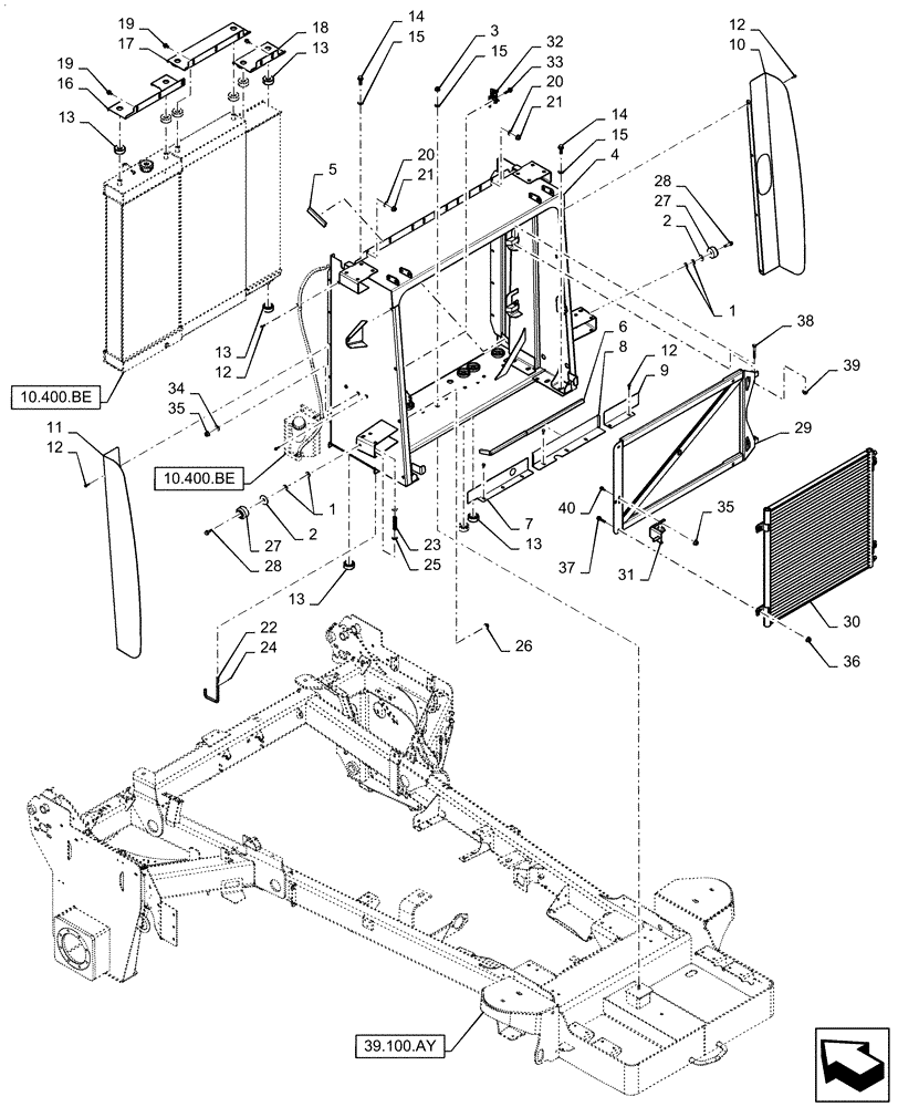
Запчасти Case IH WD2104 (35.300.AB) - OIL COOLER BOX (35) - HYDRAULIC SYSTEMS

Схема запчастей Case IH WD2104 - (35.300.AB) - OIL COOLER BOX (35) - HYDRAULIC SYSTEMS
2
33
4
23
35
27
35
21
11
10.400.be
13
31
5
29
13
17
2
12
38
1
30
10.400.be
39.100.ay
26
20
25
40
14
14
28
22
3
12
32
12
21
20
10
36
15
37
18
1
19
6
7
27
39
15
16
24
13
9
19
15
12
28
34
8
13
13
FIT
1:1
100%

Артикул

Название

Примечание

Количество

1

9824259

WASHER,6.4mm ID x 12mm OD x 1.6mm Thk

4шт.

2

86979986

WASHER,0.34" ID x 1.25" OD x 0.06" Thk

2шт.

3

86512497

FLANGE NUT,M12 x 1.75, Cl 10

1шт.

4

47622501

COOLER ASSY.

Box Frame

1шт.

5

1338149C1

SEAL ASSY.

Foam

1шт.

6

WIC291355

PAD

Foam

1шт.

7

47591825

SUPPORT

Radiator Seal

1шт.

8

47603904

SUPPORT

Hydraulic Oil Cooler Seal

1шт.

9

47591827

SUPPORT

Charge Air Cooler Seal

1шт.

10

47490200

PANEL

Cooler Box, Right

1шт.

11

47490199

PANEL

Cooler Box, Left

1шт.

12

9804256

BOLT,Hex, M6 x 1 x 20mm, Full Thd, Cl 8.8

16шт.

13

84570346

ISOLATOR,20mm ID x 53mm OD x 21mm L

Vibration

12шт.

14

87695414

BOLT,M12 x 1.25 x 46.8mm, Cl 10.9

8шт.

15

140046

BELLEVILLE WASHER,M12 Bolt Size x 27mm OD x 1.8mm Thk

9шт.

16

47498859

STRAP

Radiator Hold Down

1шт.

17

47498860

STRAP

Hydraulic Oil Cooler Hold Down

1шт.

18

47498861

STRAP

Charge Air Cooler Hold Down

1шт.

19

87698835

FLANGE BOLT,M10 x 20mm, Full Thd, Cl 10.9

8шт.

20

140045

BELLEVILLE WASHER,M10 Bolt Size x 22mm OD x 1.6mm Thk

8шт.

21

86050279

FLANGE NUT,M10 x 1.5, Cl 10

8шт.

22

87728300

PIN

Panel Lock

2шт.

23

192216A1

SPRING

Compression

2шт.

24

432-812

COTTER PIN,3/4" OAL x 1/8" W

4шт.

25

87016

WASHER,0.41" ID x 0.81" OD x 0.07" Thk

4шт.

26

87301498

FLANGE NUT,Hex, M6 x 1.0, Cl 10

2шт.

27

87602893

BUMPER,6.4mm ID x 38mm OD x 19mm Thk

Recessed W/ Washer Insert

2шт.

28

9804257

FLANGE BOLT,Hex, M6 x 1.0 x 25mm, Cl 8.8, Full Thd

2шт.

29

47606463

FRAME

Condenser

1шт.

30

47515650

COOLER ASSY.

Condenser

1шт.

31

47490207

LATCH

Condenser Frame

1шт.

32

87688487

LATCH ASSY.

Condenser Frame

1шт.

33

9804260

BOLT,Hex, M8 x 1.25 x 30mm, Full Thd, Cl 8.8

2шт.

34

322358

BELLEVILLE WASHER,M8 Bolt Size x 18mm OD x 1.4mm Thk

5шт.

35

9804277

FLANGE NUT,Hex, M8 x 1.25, Cl 8

5шт.

36

87681210

FLANGE NUT,M8 x 1.25, Cl 10

4шт.

37

87695419

FLANGE BOLT,M8 x 43.1mm, Cl 10.9

4шт.

38

43144

BOLT,Hex, M10 x 70mm, Cl 8.8

2шт.

39

86619802

FLANGE NUT,M10 x 1.5, Cl 8

2шт.

40

86511841

BOLT,Flng, M8 x 1.25 x 16mm, Full Thd, Cl 8.8

3шт.

Выбрано товаров: 40