Запчасти Case IH WD2304 (39.100.AY) - FRAME (39) - FRAMES AND BALLASTING

Схема запчастей Case IH WD2304 - (39.100.AY) - FRAME (39) - FRAMES AND BALLASTING
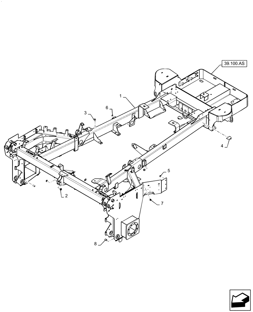
39.100.as
1
8
6
3
2
5
7
4
FIT
1:1
100%

Артикул

Название

Примечание

Количество

1

47535044

FRAME

Suspended, Non-Draper

1шт.

1

47535041

FRAME

Suspended, Non-Draper

1шт.

1

47535043

FRAME

Suspended, Draper

1шт.

1

47535036

FRAME

Suspended, Draper

1шт.

1

47535048

FRAME

Fixed, Non-Draper

1шт.

1

47535046

FRAME

Fixed, Draper

1шт.

2

86535376

HUB

Front

2шт.

3

87022334

PLATE

Weld

4шт.

4

87044869

PLATE

Flat Tab

4шт.

5

84567299

FLANGE NUT

M12

5шт.

6

87861

NUT

Heavy Hex

2шт.

7

84567298

FLANGE NUT

M10

2шт.

8

854826

SPACER

Front

2шт.

Выбрано товаров: 13