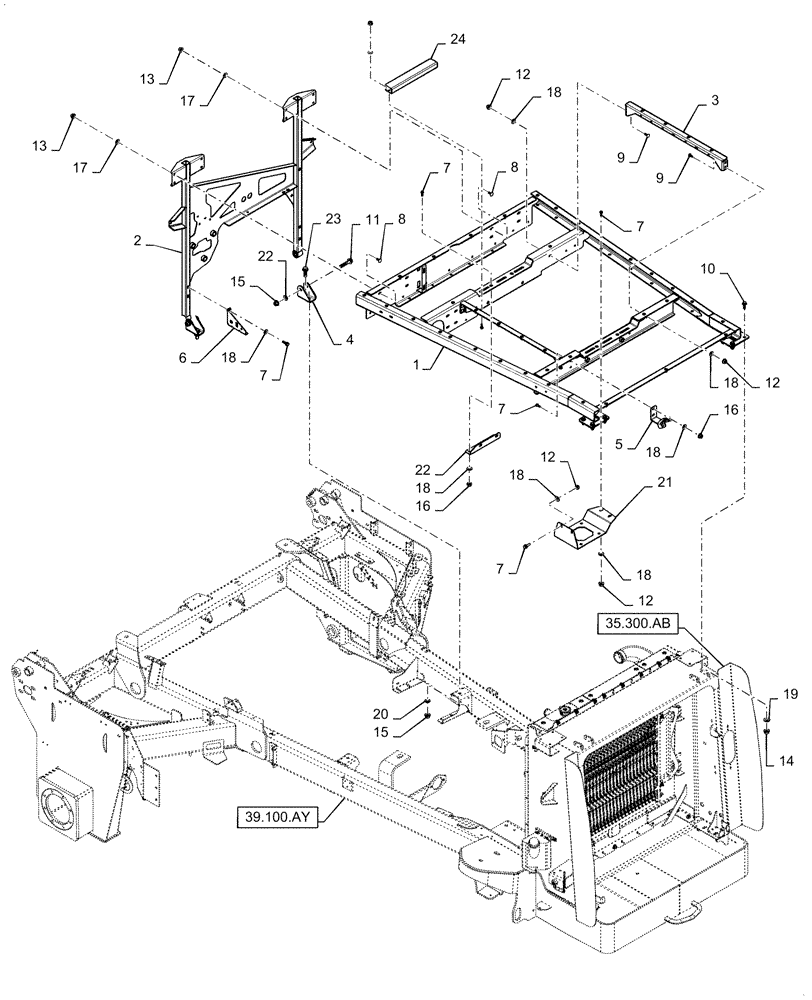
Запчасти Case IH WD2304 (90.100.AU[02]) - CENTER SUPPORT FRAME (90) - PLATFORM, CAB, BODYWORK AND DECALS

Схема запчастей Case IH WD2304 - (90.100.AU[02]) - CENTER SUPPORT FRAME (90) - PLATFORM, CAB, BODYWORK AND DECALS
7
24
35.300.ab
18
15
18
1
12
4
7
39.100.ay
7
14
17
16
5
10
13
22
18
9
18
15
2
13
11
19
8
12
9
18
20
7
21
12
23
3
17
18
22
8
12
18
6
16
7
FIT
1:1
100%

Артикул

Название

Примечание

Количество

1

47610818

SUPPORT

Top

1шт.

2

47610821

SUPPORT

Front

1шт.

3

47610825

SUPPORT

Hood

2шт.

4

47643322

BRACKET

RH

2шт.

5

47629280

SUPPORT

Upper CAC Pipe

1шт.

6

47534004

SUPPORT

Horn

1шт.

7

87698833

BOLT,M8 x 33.1mm, Cl 10.9

12шт.

8

338949

CARRIAGE BOLT,M10 x 1.5 x 25mm, Cl 8.8

8шт.

9

86636815

CARRIAGE BOLT,Sq Nk, M8 x 25mm, Cl 8.8, Full Thd

8шт.

10

87695414

BOLT,M12 x 1.25 x 46.8mm, Cl 10.9

8шт.

11

87646188

FLANGE BOLT,M16 x 95.4mm, Cl 10.9

2шт.

12

9804277

FLANGE NUT,Hex, M8 x 1.25, Cl 8

12шт.

13

9804278

FLANGE NUT,M10 x 1.5, Cl 8

8шт.

14

86512497

FLANGE NUT,M12 x 1.75, Cl 10

8шт.

15

86512498

FLANGE NUT,M16 x 2, Cl 10

4шт.

16

86507066

FLANGE NUT,M8 x 1.25, Cl 10

6шт.

17

140045

BELLEVILLE WASHER,M10 Bolt Size x 22mm OD x 1.6mm Thk

8шт.

18

322358

BELLEVILLE WASHER,M8 Bolt Size x 18mm OD x 1.4mm Thk

20шт.

19

140046

BELLEVILLE WASHER,M12 Bolt Size x 27mm OD x 1.8mm Thk

8шт.

20

140048

BELLEVILLE WASHER,M16 Bolt Size x 32mm OD x 2.8mm Thk

4шт.

21

47627495

BRACKET

Air Cleaner

1шт.

22

47628919

SUPPORT

Bracket

1шт.

23

87698849

BOLT,M16 x 50mm, Cl 10.9

2шт.

24

47733930

SUPPORT

Hood

1шт.

Выбрано товаров: 24