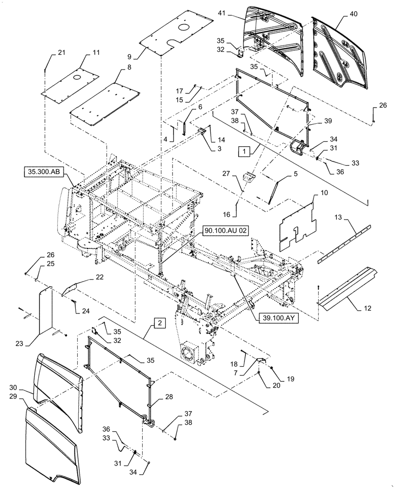
Запчасти Case IH WD2304 (90.100.AU[03]) - SHIELD, CENTER (90) - PLATFORM, CAB, BODYWORK AND DECALS

Схема запчастей Case IH WD2304 - (90.100.AU[03]) - SHIELD, CENTER (90) - PLATFORM, CAB, BODYWORK AND DECALS
39.100.ay
23
40
36
11
16
33
21
25
19
27
3
2
34
29
31
32
15
31
18
30
24
7
6
37
35
33
39
36
32
38
22
8
38
35
9
41
37
10
20
5
13
35
14
17
4
1
34
26
28
26
35
12
90.100.au 02
35.300.ab
FIT
1:1
100%

Артикул

Название

Примечание

Количество

1

47521763

DOOR

Assy, LH

1шт.

1

47502756

DOOR

Assy, LH

1шт.

2

47521764

DOOR

Assy, RH

1шт.

2

47502757

DOOR

Assy, RH

1шт.

3

47502759

BRACKET

Hinge

4шт.

4

86628347

STUD,M8 x 36.5mm OAL, 10mm OD Ball

Long

8шт.

5

47640885

STRUT

Gas

2шт.

6

47640887

STRUT

Gas

2шт.

7

47804734

BRACKET

Striker

2шт.

8

47631304

COVER

Center Hood

1шт.

9

47631260

COVER

Front Hood

1шт.

10

47886911

SHIELD

Barrier

1шт.

11

47404992

COVER

Rear Hood

1шт.

12

47737275

EXTENSION

Roof

1шт.

13

47419233

SUPPORT

Curtain

1шт.

14

87698833

BOLT,M8 x 33.1mm, Cl 10.9

22шт.

15

322358

BELLEVILLE WASHER,M8 Bolt Size x 18mm OD x 1.4mm Thk

26шт.

16

120061

BOLT,Hex, M8 x 60mm L, Cl 8.8

4шт.

17

86507066

FLANGE NUT,M8 x 1.25, Cl 10

33шт.

18

374887

BOLT,Hex, M12 x 1.75 x 100mm, Cl 8.8

2шт.

19

87681209

FLANGE NUT,Hex, M12 x 1.75, Cl 10

2шт.

20

323238

THIN NUT,Hex, M12, 1.75mm Pitch, Cl 05

2шт.

21

87656137

BOLT,Flange Hex, M8 x 20mm, Cl 10.9

47шт.

22

47652774

SUPPORT

Curtain

2шт.

23

47714591

SHIELD

Heat Barrier

2шт.

24

87695419

FLANGE BOLT,M8 x 43.1mm, Cl 10.9

1шт.

25

80577826

WASHER,8.7mm ID x 34.93mm OD x 1.94mm Thk

Heat Shield

6шт.

26

86619801

FLANGE NUT,M8 x 1.25, Cl 8

4шт.

27

87033737

WASHER,9mm ID x 28mm OD x 3mm Thk

4шт.

28

47521765

FRAME

RH, Frame

1шт.

40

47502773

DOOR

RH, Front Red

1шт.

40

47502774

DOOR

RH, Front Yellow

1шт.

41

47502771

DOOR

RH, Rear Red

1шт.

41

47502770

DOOR

RH, Rear Yellow

1шт.

31

47517541

LATCH

Latch

1шт.

32

47412242

BRACKET

Latch

1шт.

33

47517543

LATCH

Rod

1шт.

34

47517568

WASHER

Push Nut

1шт.

35

9804258

BOLT,Hex, M8 x 1.25 x 20mm, Cl 8.8

21шт.

36

9804260

BOLT,Hex, M8 x 1.25 x 30mm, Full Thd, Cl 8.8

2шт.

37

322358

BELLEVILLE WASHER,M8 Bolt Size x 18mm OD x 1.4mm Thk

2шт.

38

9804277

FLANGE NUT,Hex, M8 x 1.25, Cl 8

2шт.

39

47521219

FRAME

Assy, LH

1шт.

40

47502779

DOOR

LH, Front Red

1шт.

40

47502777

DOOR

LH, Front Yellow

1шт.

41

47502776

DOOR

LH, Rear Red

1шт.

41

47502775

DOOR

LH, Rear Yellow

1шт.

Выбрано товаров: 47