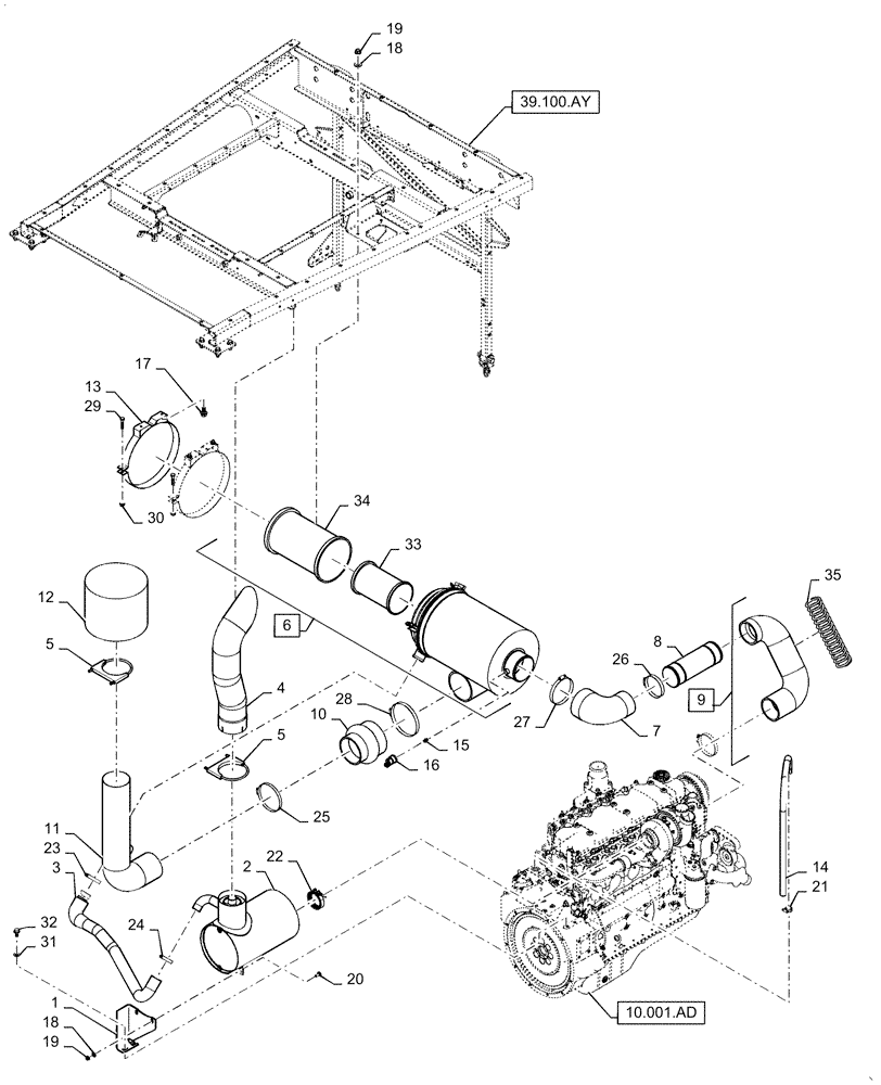
Запчасти Case IH WD2304 (10.254.AI) - AIR CLEANER & EXHAUST (10) - ENGINE

Схема запчастей Case IH WD2304 - (10.254.AI) - AIR CLEANER & EXHAUST (10) - ENGINE
2
4
35
25
33
13
32
28
12
16
23
39.100.ay
19
10
14
5
26
17
21
18
29
30
18
8
34
7
8
3
9
20
home
11
10.001.ad
27
15
24
6
1
5
22
31
19
FIT
1:1
100%

Артикул

Название

Примечание

Количество

1

47382506

SUPPORT

Muffler

1шт.

2

87356887

MUFFLER

6 Cylinder

1шт.

3

47631255

HOSE

Aspirator

1шт.

4

47517300

PIPE

Exhaust System

1шт.

5

86534869

CLAMP

3 5/8"

2шт.

6

87343992

AIR CLEANER

13", Incl 33 - 34

1шт.

7

87313999

ELBOW

Air Inlet

1шт.

8

47628765

TUBE

Air Intake

1шт.

9

84249970

INTAKE AIR HOSE,357.40 mm, SAE J200

With Spring, Incl 35

1шт.

10

87043880

HOSE,125.7 mm ID, 151.1 mm ID"SAE J200

1шт.

11

47517296

TUBE

Pre-Cleaner

1шт.

12

87359354

AIR PRE-CLEANER ASSY

5"

1шт.

13

87042086

CLAMP,330mm ID

Band Clamp

2шт.

14

87473362

HOSE

Engine Breather

1шт.

15

86017142

UNION,1/8" - 27 NPT x 1/8" - 27 NPT

1шт.

16

84552308

SENSOR

Air Filter Restriction

1шт.

17

9628510

BOLT,Hex, 3/8" - 16 x 3/4", Gr 5

4шт.

18

140045

BELLEVILLE WASHER,M10 Bolt Size x 22mm OD x 1.6mm Thk

6шт.

19

86521606

FLANGE NUT,Hex, 3/8" - 16, Gr 5

6шт.

20

88682

CARRIAGE BOLT,Short Nk, 3/8"-16 x 1", Gr 5

2шт.

21

514920

HOSE CLAMP,20.6mm - 38.1mm, Worm Gear

1шт.

22

855778

CLAMP

V-Insert

1шт.

23

45014

HOSE CLAMP,2.06” - 3” , Worm Gear

1шт.

24

513309

HOSE CLAMP,1-1/16” - 2”, Worm Gear

1шт.

25

86637707

HOSE CLAMP,#80, 4.62/5.50 Type F Worm, W/liner

1шт.

26

86637711

HOSE CLAMP,108mm - 130mm

2шт.

27

86637712

HOSE CLAMP,133mm - 156mm

1шт.

28

858672

CLAMP

Hose

1шт.

29

88275

BOLT,Hex, 5/16" - 18 x 1 1/2", Gr 5

2шт.

30

86521605

FLANGE NUT,5/16"-18, Cl 5

2шт.

31

140046

BELLEVILLE WASHER,M12 Bolt Size x 27mm OD x 1.8mm Thk

2шт.

32

9804266

BOLT,Hex, M12 x 25mm, Cl 8.8, Full Thd

2шт.

33

87013225

ELEMENT

Primary Air, Incl with 6

1шт.

34

87042094

ELEMENT

Secondary Air, Incl with 6

1шт.

35

84245654

SPRING

Hose, Incl with 9

1шт.

Выбрано товаров: 35