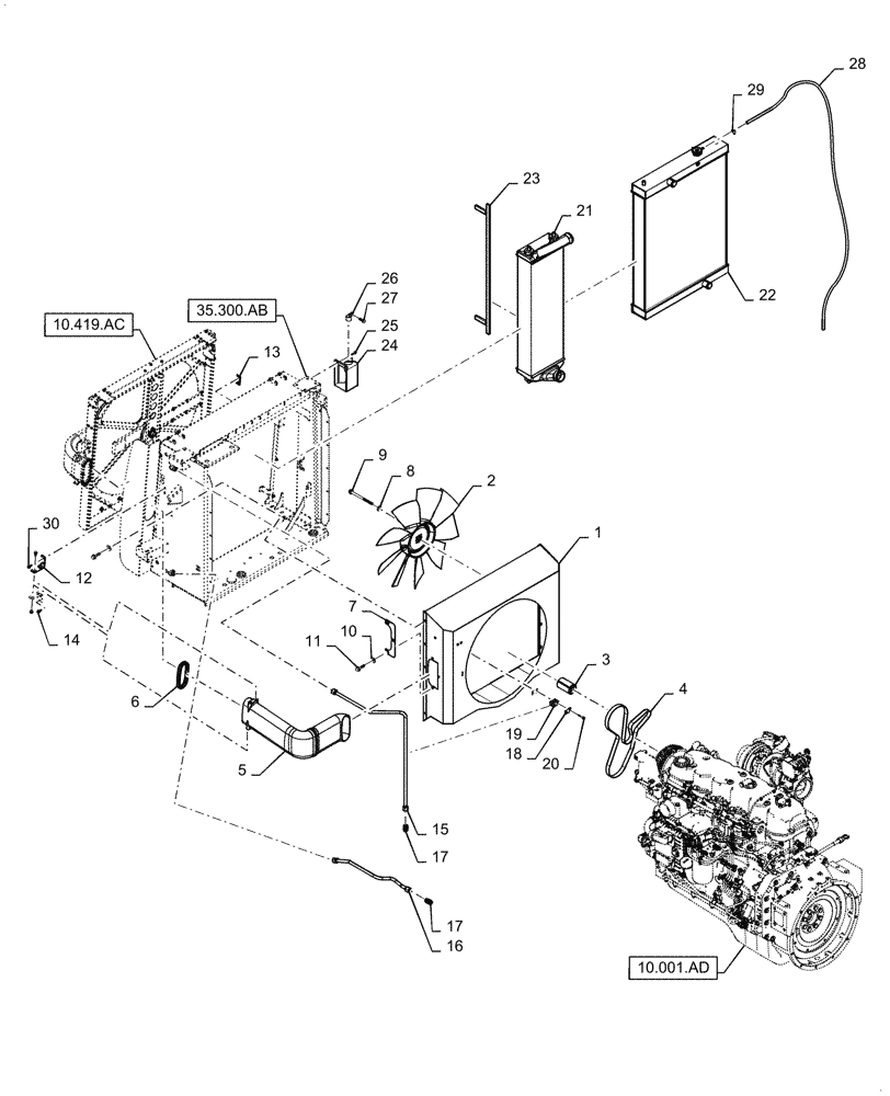
Запчасти Case IH WD2304 (10.400.BE) - RADIATOR & RELATED PARTS (10) - ENGINE

Схема запчастей Case IH WD2304 - (10.400.BE) - RADIATOR & RELATED PARTS (10) - ENGINE
2
19
10
17
11
6
10.419.ac
26
14
15
1
21
7
8
12
25
24
30
22
35.300.ab
18
23
4
29
5
16
10.001.ad
20
17
3
27
13
9
28
FIT
1:1
100%

Артикул

Название

Примечание

Количество

1

47618195

SHROUD

Fan

1шт.

2

47526216

FAN

30"

1шт.

3

87749294

SPACER

Fan

1шт.

4

47535287

V-BELT

Drive

1шт.

5

47615792

DUCT

Fan Shroud

1шт.

6

47490204

SEAL

Duct

1шт.

7

47505232

SHROUD

Duct Filler

1шт.

8

140045

BELLEVILLE WASHER,M10 Bolt Size x 22mm OD x 1.6mm Thk

4шт.

9

87681213

BOLT,Hex, M10 x 140mm, Cl 10.9

4шт.

10

322357

BELLEVILLE WASHER,M6 Bolt Size x 14mm OD x 1.3mm Thk

13шт.

11

9804257

FLANGE BOLT,Hex, M6 x 1.0 x 25mm, Cl 8.8, Full Thd

13шт.

12

47618578

BRACKET

Duct Support

2шт.

13

47656939

NUT

Sheet Metal

2шт.

14

9804258

BOLT,Hex, M8 x 1.25 x 20mm, Cl 8.8

8шт.

15

47741111

TUBE

Hydraulic Oil Cooler Return

1шт.

16

47719945

TUBE

Hydraulic Oil Cooler Supply

1шт.

17

144121

UNION,1-1/16" - 12 JIC x 1-1/16" - 12 JIC

2шт.

18

86900727

COVER

Plate

2шт.

19

86900723

CLAMP

Hydraulic Tube

1шт.

20

87698761

BOLT,Hex, M6 x 60mm, Cl 10.9

2шт.

21

47517649

COOLER

Charge Air

1шт.

22

47517664

RADIATOR

Engine Coolant

1шт.

22a

48052216

CAP

Radiator

1шт.

23

87303266

Foam

SEAL

1шт.

24

86509554

TANK

Coolant Overflow

1шт.

25

87698760

FLANGE BOLT,M6 x 36.6mm, Cl 10.9

2шт.

26

9706748

CLAMP,15.9mm, Coat, 8.7mm Bolt Hole, P Type

3шт.

27

87675531

FLANGE BOLT,M6 x 26.6mm, Cl 10.9

3шт.

28

290323

HOSE,5/16" ID x 500 FT L, SAE 30R7

Overflow

1шт.

29

574518

HOSE CLAMP,6.3mm - 15.7mm, SAE # 4

2шт.

30

87698833

BOLT,M8 x 33.1mm, Cl 10.9

4шт.

Выбрано товаров: 31