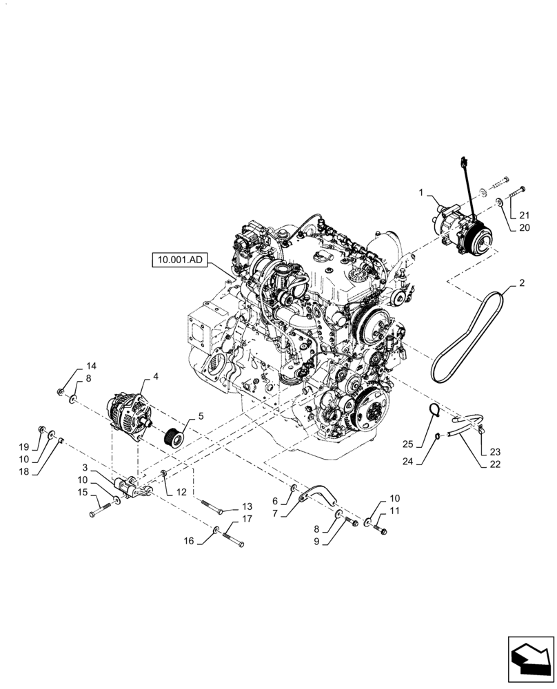
Запчасти Case IH WD2504 (50.200.AA) - A/C COMPRESSOR, ALTERNATOR ASSY & MOUNTING PARTS (50) - CAB CLIMATE CONTROL

Схема запчастей Case IH WD2504 - (50.200.AA) - A/C COMPRESSOR, ALTERNATOR ASSY & MOUNTING PARTS (50) - CAB CLIMATE CONTROL
8
9
22
10.001.ad
4
12
6
18
7
25
20
1
10
13
17
11
2
16
3
14
5
23
10
15
19
10
24
8
21
FIT
1:1
100%

Артикул

Название

Примечание

Количество

1

47556708

AIRCOND. COMPRESSOR

Engine

1шт.

2

47466672

BELT

A/C, 6 Cylinder - High HP - Tier 4B

1шт.

2

47629502

BELT

A/C, 6 Cylinder - Tier 3, Low HP - Tier 4B

1шт.

3

87060348

MOUNTING PARTS

Bracket, Alternator

1шт.

4

87715397

ALTERNATOR,14V, 80A(1800 RPM)

160A, 14V

1шт.

4

87715397R

REMAN-ALTERNATOR

160A, 14V

1шт.

4

87715397C

CORE-ALTERNATOR

Return Number

1шт.

5

86976071

PULLEY,66mm OD

Alternator

1шт.

6

87364

WASHER,0.53" ID x 1.06" OD x 0.1" Thk

1шт.

7

84140333

BRACKET MONITOR EQUI

Alternator Strap

1шт.

8

86513238

LOCK WASHER,.515” ID x 1.070” OD x .120” TK

1/2"

2шт.

9

86521614

BOLT,Hex, 1/2" - 13 x 1 1/4", Gr 5

1шт.

10

140045

BELLEVILLE WASHER,M10 Bolt Size x 22mm OD x 1.6mm Thk

3шт.

11

87698836

BOLT,M10 x 25mm, Full Thd, Cl 10.9

1шт.

12

87060530

SUPPORT

Spacer

1шт.

13

9627857

BOLT,Hex, 1/2" - 13 x 6 1/2", Gr 5

1шт.

14

86521607

FLANGE NUT,Flg, 1/2"-13, G5

1шт.

15

86508573

BOLT,Hex, M10 x 110mm, Cl 8.8

1шт.

16

86639325

WASHER,10.8mm ID x 24.5mm OD x 3mm Thk

1шт.

17

86507010

BOLT,Hex, 3/8" - 16 x 4 3/4", Gr 5

1шт.

18

86589143

SPACER,9.5mm ID x 15.9mm OD x 12.7mm L

1шт.

19

86521606

FLANGE NUT,Hex, 3/8" - 16, Gr 5

1шт.

20

322358

BELLEVILLE WASHER,M8 Bolt Size x 18mm OD x 1.4mm Thk

3шт.

21

412215

BOLT,Hex, M8 x 1.25 x 100mm, Cl 8.8

3шт.

22

86516356

FUEL HOSE,0.38" ID, SAE 30R7

2шт.

23

9706748

CLAMP,15.9mm, Coat, 8.7mm Bolt Hole, P Type

1шт.

24

574518

HOSE CLAMP,6.3mm - 15.7mm, SAE # 4

1шт.

25

86566989

CABLE TIE,208mm L

1шт.

Выбрано товаров: 28