Запчасти Case IH WD2504 (55.988.AD) - ENGINE & SCR ELECTRIC SYSTEM CONTROL (55) - ELECTRICAL SYSTEMS

Схема запчастей Case IH WD2504 - (55.988.AD) - ENGINE & SCR ELECTRIC SYSTEM CONTROL (55) - ELECTRICAL SYSTEMS
7
12
90.100.au 02
6
4
11
10.500.ao
3
10.500.aa
39.100.ay
55.988.aj
39.100.ay
10.500.ao
50.200.aa
10.500.ao
90.100.au 02
10
10.500.ad
4
2
16
9
2
17
3
1
14
90.100.au 02
10.202.ab
55.510.af
10.001.ak
15
4
10.500.aa
5
90.100.au 02
13
10.206.af
39.100.ay
10
10.500.ao
8
FIT
1:1
100%

Артикул

Название

Примечание

Количество

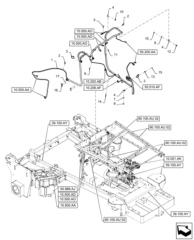
1

84515791

WIRE HARNESS

Engine

1шт.

2

86566989

CABLE TIE,208mm L

20шт.

3

84266050

CABLE TIE,384mm L, Polyamide

Strap

5шт.

4

87312719

COLLAR,31.7mm, Coat, 11.9mm Bolt Hole, P Type

Clamp

12шт.

5

86637999

CLAMP,19mm, Coat, 11.9mm Bolt Hole, P Type

1шт.

6

86010402

CLAMP,12.7mm, Coat, 10.3mm Bolt Hole, P Type

2шт.

7

140045

BELLEVILLE WASHER,M10 Bolt Size x 22mm OD x 1.6mm Thk

2шт.

8

322358

BELLEVILLE WASHER,M8 Bolt Size x 18mm OD x 1.4mm Thk

6шт.

9

86050279

FLANGE NUT,M10 x 1.5, Cl 10

6шт.

10

86507066

FLANGE NUT,M8 x 1.25, Cl 10

7шт.

11

87668737

CABLE TIE,203.2mm L, Nylon, Black

Tree Assembly

1шт.

12

87656137

BOLT,Flange Hex, M8 x 20mm, Cl 10.9

3шт.

13

47412376

MOUNT

Cable Tie

1шт.

14

289862C1

CABLE TIE,3/16" x 7"

2шт.

15

84058583

HEX SOC SCREW,BTN HD, M6 x 16mm, Cl 8.8

1шт.

16

600427

CLAMP,25.4mm, Coat, 8.7mm Bolt Hole, P Type

2шт.

17

86521605

FLANGE NUT,5/16"-18, Cl 5

2шт.

Выбрано товаров: 17