Запчасти Case IH WD2504 (10.310.AE) - INTERCOOLER LINE (10) - ENGINE

Схема запчастей Case IH WD2504 - (10.310.AE) - INTERCOOLER LINE (10) - ENGINE
6
35.300.ab 01
10.001.ad
8
8
5
17
3
15
35.300.ab 01
12
8
2
9
7
10
8
8
17
14
13
6
16
4
35.300.ab 02
35.300.ab 02
1
8
11
5
7
FIT
1:1
100%

Артикул

Название

Примечание

Количество

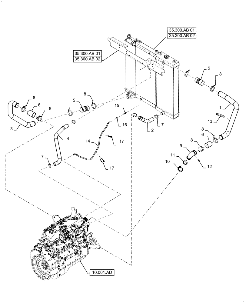
1

47517332

TUBE

Upper, CAC

1шт.

2

47517303

HOSE

Lower, Radiator

1шт.

3

47517338

TUBE

Lower, CAC

1шт.

4

47517341

HOSE

Upper, Radiator

1шт.

5

87340284

INTAKE AIR HOSE,76.20mm ID x 129mm L

Charge Air

2шт.

6

87572375

HOSE,76.2mm ID x 89mm L

Air Intake

2шт.

7

45014

HOSE CLAMP,2.06” - 3” , Worm Gear

Radiator

4шт.

8

87041091

HOSE CLAMP,3.06" - 3.37"

CAC

8шт.

9

J918685

PIPE

Turbo Outlet Air Transfer

1шт.

10

J069053

CLAMP,66.54mm ID

Turbo Outlet, V-Band

1шт.

11

J883284

O-RING,0.07" Thk x 2.364" ID, -36

Seal

1шт.

12

86643151

PLUG,Hex Hd, 1/8"-27 NPTF

CAC Elbow

1шт.

13

86625033

HOSE CLAMP,77.7mm - 101.6mm, Worm Gear

CAC Support

1шт.

14

47636451

HOSE

Radiator

1шт.

15

87016893

FITTING,1/4" Hose X 1/4" NPTF Beaded

Radiator

1шт.

16

574518

HOSE CLAMP,6.3mm - 15.7mm, SAE # 4

1шт.

17

529070

CABLE TIE,368.3mm L

2шт.

Выбрано товаров: 17