Запчасти Case IH WD2504 (29.218.AH[01]) - MOTOR, WHEEL, STANDARD SPEED (29) - HYDROSTATIC DRIVE

Схема запчастей Case IH WD2504 - (29.218.AH[01]) - MOTOR, WHEEL, STANDARD SPEED (29) - HYDROSTATIC DRIVE
18
4
17
14
4
17
9
5
17
5
3
11
8
16
17
4
7
18
15
17
12
6
17
13
17
1
17
4
17
8
17
17
17
17
10
17
2
17
6
FIT
1:1
100%

Артикул

Название

Примечание

Количество

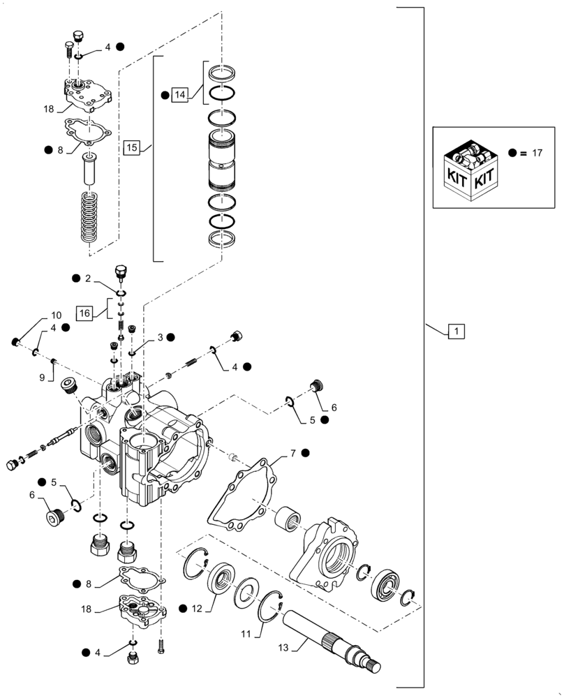
1

47570419

HYDRAULIC MOTOR

46CC Adjustable Displacement, Incl 2 - 16

1шт.

2

167269

O-RING,0.097" Thk x 0.755" ID, -910, Cl 6, 90 Duro

Incl with 1, 17

1шт.

3

165202

O-RING,0.072" Thk x 0.351" ID, -904, Cl 6, 90 Duro

Incl with 1, 17

2шт.

4

9617873

O-RING,0.078" Thk x 0.468" ID, -906, Cl 6, 90 Duro

Incl with 1, 17

5шт.

5

167266

O-RING,0.116" Thk x 0.924" ID, -912, Cl 6, 90 Duro

Incl with 1, 17

2шт.

6

163410

PLUG,1-1/16" - 12 ORB

Incl with 1

2шт.

7

86502322

GASKET

Front Cover, Incl with 1, 17

1шт.

8

47719452

GASKET

Gasket, Servo Cover, Incl with 1, 17

2шт.

9

47719451

ORIFICE

Loop Flush, Incl with 1

1шт.

10

9625178

PLUG,9/16" - 18 ORB

Incl with 1

1шт.

11

25954

SNAP RING,2.812", Int, #281

Incl with 1

2шт.

12

86502227

SEAL,32.99mm ID x 72.31mm OD x 9.53mm Thk

Lip, Incl with 1, 17

1шт.

13

86513547

SHAFT

Motor, 15T, Incl with 1

1шт.

14

86502325

KIT

Piston Ring and O-Ring, Incl with 1, 15, 17

2шт.

15

86502326

KIT

Piston, Incl 14, Incl with 1

1шт.

16

86537393

KIT

Shim, Incl with 1

1шт.

17

87012461

SEAL KIT

Overhaul, Incl 2 - 5, 7 - 8, 12, 14

1шт.

18

86502330

COVER

2шт.

Выбрано товаров: 18