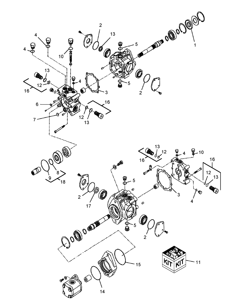
Запчасти Case IH WDX1101 (044B) - WDX TANDEM PUMP, MODEL MT035D - OVERHAUL SEAL KIT (35) - HYDRAULIC SYSTEMS

Схема запчастей Case IH WDX1101 - (044B) - WDX TANDEM PUMP, MODEL MT035D - OVERHAUL SEAL KIT (35) - HYDRAULIC SYSTEMS
12
16
3
3
4
4
10
2
5
6
15
7
2
8
10
16
13
12
14
1
9
18
12
11
2
13
4
12
2
4
5
17
16
5
4
13
16
5
13
13
FIT
1:1
100%

Артикул

Название

Примечание

Количество

1

86502227

SEAL,32.99mm ID x 72.31mm OD x 9.53mm Thk

Lip

1шт.

2

86539927

O-RING,2.612" ID x 2.81" OD x 0.099"

2.612" ID x .099" Thk

4шт.

3

86502278

GASKET

End Cap

2шт.

4

237-6006

O-RING,0.078" Thk x 0.468" ID, -906, Cl 6, 90 Duro

5шт.

5

237-6012

O-RING,0.116" Thk x 0.924" ID, -912, Cl 6, 90 Duro

3шт.

6

14457280

O-RING,0.103" Thk x 0.612" ID, -114, Cl 5, 75 Duro

1шт.

7

238-5118

O-RING,0.103" Thk x 0.862" ID, -118, Cl 5, 75 Duro

1шт.

8

238-6223

O-RING,0.139" Thk x 1.609" ID, -223, Cl 6, 90 Duro

1шт.

9

238-5237

O-RING,0.139" Thk x 3.359" ID, -237, Cl 5, 75 Duro

1шт.

10

218-5007

O-RING,0.097" Thk x 0.755" ID, -910, Cl 6, 90 Duro

2шт.

11

86594279

HYD PUMP REPAIR KIT

Includes: Ref. 1-10, 12-15, & 17

1шт.

12

237-6008

O-RING,0.087" Thk x 0.644" ID, -908, Cl 6, 90 Duro

4шт.

13

238-5211

O-RING,0.139" Thk x 0.796" ID, -211, Cl 5, 75 Duro

4шт.

14

86537266

O-RING,3.237" ID x 3.442" OD x 0.103"

1шт.

15

238-5155

O-RING,0.103" Thk x 3.987" ID, -155, Cl 5, 75 Duro

1шт.

16

86539666

KIT

SCR Valve, Inc: 12 & 13

1шт.

17

87012457

SEAL,23.7mm ID x 38.27mm OD x 6.4mm Thk

Lip

1шт.

18

86502309

SEAL KIT

Gear Pump, Inc: 8, 9 & 14

1шт.

Выбрано товаров: 18