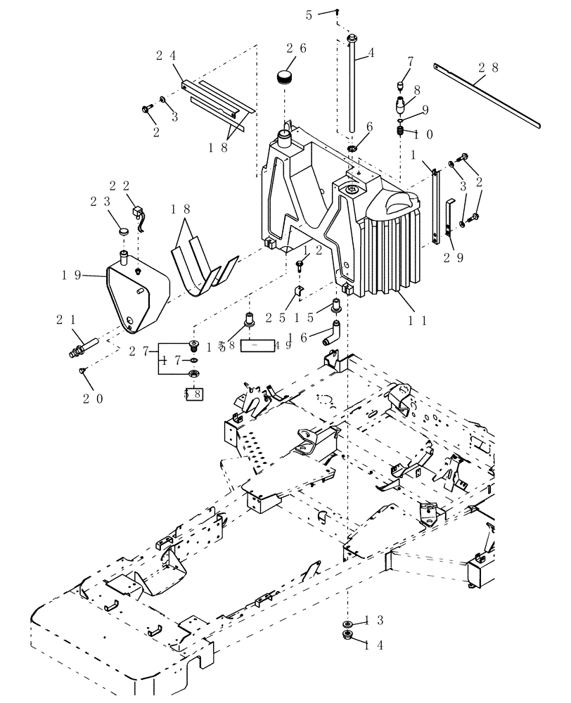
Запчасти Case IH WDX1101 (051) - FUEL & HYDRAULIC TANK (35) - HYDRAULIC SYSTEMS

Схема запчастей Case IH WDX1101 - (051) - FUEL & HYDRAULIC TANK (35) - HYDRAULIC SYSTEMS
1
18
2
12
10
8
15
11
24
28
7
23
6
58
26
27
22
16
4
21
25
9
5
20
13
3
3
17
15
19
58 - 49
18
14
2
29
FIT
1:1
100%

Артикул

Название

Примечание

Количество

1

86600261

CHANNEL

6шт.

2

458-612

BOLT,Hex, 3/8" - 16 x 3/4", Gr 5

14шт.

3

140045

BELLEVILLE WASHER,M10 Bolt Size x 22mm OD x 1.6mm Thk

14шт.

4

9821561

SENDER UNIT

Fuel Level, Includes: (5) #10-32 x 1" Screws and Gasket

1шт.

5

87826

SCREW,Slotted Truss Hd, #10 - 32 x 1"

5шт.

6

86518439

GASKET

1шт.

7

283972

FILTER

1шт.

8

88671

REDUCER

Coupler

1шт.

9

846826

RESTRICTOR VALVE

1шт.

10

84417

HYD CONNECTOR

1шт.

11

86600259

FUEL TANK

Includes: Ref. 15, 16, 26 & 27

1шт.

12

413-656

BOLT,Hex, 3/8" - 16 x 3-1/2", Gr 5

4шт.

13

495-21044

WASHER,3/8"

4шт.

14

231-5346

FLANGE NUT,Flg, 3/8"-16

4шт.

15

86537556

BUSHING

2шт.

16

86537555

ELBOW

1шт.

17

238-5121

O-RING,0.103" Thk x 1.049" ID, -121, Cl 5, 75 Duro

1шт.

18

PL

PROCURE LOCALLY

Strip, Sealing, 1/2" x 1" x 123"

1шт.

19

86526571

RESERVOIR, HYDRAULIC

1шт.

20

217-517

DRAIN PLUG,Sq Hd, 1/2"-14 NPTF

1шт.

21

514956

SCREEN

Tank

1шт.

22

86550810

SWITCH

Oil Level

1шт.

23

86554292

CAP

1шт.

24

86516165

ANGLE

1шт.

25

86624797

ANGLE

4шт.

26

86558080

FILLER CAP

1шт.

27

86599518

HYD CONNECTOR

1шт.

28

86582072

BAR

1шт.

29

86600260

ANGLE

1шт.

Выбрано товаров: 29