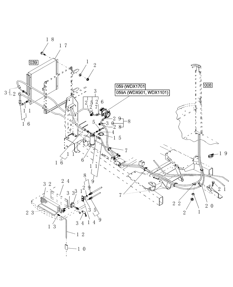
Запчасти Case IH WDX1101 (033) - AIR CONDITIONING (50) - CAB CLIMATE CONTROL

Схема запчастей Case IH WDX1101 - (033) - AIR CONDITIONING (50) - CAB CLIMATE CONTROL
17
35
3
33
1
10
9
8
18
23
12
3
14
2
13
4
26
2
15
28
19
30
32
11
6
31
11
11
24
26
29
25
27
1
21
29
7
7
34
16
22
16
20
9
8
5
FIT
1:1
100%

Артикул

Название

Примечание

Количество

1

492-11031

LOCK WASHER,5/16"

7шт.

2

425-285

FLANGE NUT,Flg, 5/16"-18, G5

7шт.

3

86533888

FLEXIBLE HOSE

.72" OD x 33" Long

1шт.

4

9827057

HYD CONNECTOR

1шт.

5

9849562

PRESSURE SWITCH

High

1шт.

6

9827053

RECEIVER-DRYER

1шт.

7

263117

CABLE TIE,292.1mm L, Nylon, Black

CABLE STRAP

5шт.

8

9827062

FLEXIBLE HOSE

.98" OD x 252" Long, Includes: Ref. 28-30

1шт.

9

9827063

FLEXIBLE HOSE

.59" OD x 236" Long, Includes: (2) O Ring, Ref.11

1шт.

10

635136

CHECK VALVE

2шт.

11

9827060

O-RING,1.78mm Thk x 7.65mm ID, -11, 70 Duro

(.301" ID x .070" Thk)

2шт.

12

PL

PROCURE LOCALLY

Hose, Drain, Plastic Tube, 1/2" I.D. 1/8" Wall x 150" Long

2шт.

13

859062

HYD CONNECTOR

Pipe, 3/8" Tube End, 1/2" Cooler End

2шт.

14

632272

GROMMET

1шт.

15

82012730

HOSE CLAMP,68mm - 85mm, Worm Gear

Hose, M68-85

1шт.

16

9809010

FLEXIBLE HOSE

.59" OD, Includes: O Rings(2), Ref.11

1шт.

17

86546052

OIL COOLER

1шт.

WDX901& WDX1101

1шт.

18

458-512

BOLT,Hex, 5/16" - 18 x 3/4", Gr 5

6шт.

19

642497

CLIP, WIRE

8шт.

20

86000810

CLAMP,27mm, Coat, 13.5mm Bolt Hole, P Type

1.06 x 1/2" Bolt

1шт.

21

433-512

CARRIAGE BOLT,Sq Nk, 5/16" - 18 x 3/4", Gr 5

1шт.

22

9706732

CLAMP,19mm ID, 8.7mm Bolt Hole, P Type

1шт.

23

681009

FOAM INSULATION

1шт.

24

773618

FOAM INSULATION

1шт.

25

86511148

CAP

1шт.

26

9827058

O-RING,0.07" Thk x 0.426" ID, -13, Cl 5, 70 Duro

(.426" ID x .070" Thk)

2шт.

27

86511147

CONTROL VALVE

VALVE, CHARGE HIGH SIDE

1шт.

28

86511149

CAP

1шт.

29

9827059

O-RING,1.78mm Thk x 14mm ID, 70 Duro

(.551" ID x .070" Thk)

2шт.

30

86511146

VALVE,Shrader

1шт.

31

9827056

HYDRAULIC VALVE

Expansion

1шт.

32

627257

EVAPORATOR

Coil

1шт.

33

9827058

O-RING,0.07" Thk x 0.426" ID, -13, Cl 5, 70 Duro

(.426" ID x .070" Thk)

2шт.

34

274566

SWITCH, A/C LOW PRES

Low

1шт.

Выбрано товаров: 35