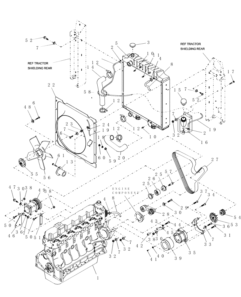
Запчасти Case IH WDX1701 (059) - RADIATOR & FAN, ALTERNATOR & DRIVE (10) - ENGINE

Схема запчастей Case IH WDX1701 - (059) - RADIATOR & FAN, ALTERNATOR & DRIVE (10) - ENGINE
7
30
7
7
30
1
4
24
26
57
46
16
8
56
60
43
6
35
53
42
59
58
32
2
25
52
30
5
37
14
23
38
49
7
61
10
29
7
50
12
36
7
39
28
20
44
54
7
cold
34
6
38
32
25
10
3
19
component
48
41
13
12
50
2
8
33
47
40
51
38
22
12
7
45
15
52
55
18
engine
17
11
36
32
4
12
31
27
19
FIT
1:1
100%

Артикул

Название

Примечание

Количество

1

87801456

ENGINE

166 HP

1шт.

87801456ER

REMAN-REPLACEMENT EN

WDX1701, 7.5 L, TC, Tier 1 , New Replacement Engine, N.A. Only

1шт.

87801456EPAC

CORE-EPA ENGINE

Return Number, For N.A. Only

1шт.

2

82012717

HOSE CLAMP,11 x 17mm

2шт.

3

E5TH8100AA

RADIATOR CAP

1шт.

4

214-1410

HOSE CLAMP,#10, 0.56" - 1.06", Type F Worm

2шт.

5

86521514

RADIATOR

1шт.

6

458-512

BOLT,Hex, 5/16" - 18 x 3/4", Gr 5

4шт.

7

492-11031

LOCK WASHER,5/16"

21шт.

8

9821464

FLEXIBLE HOSE,0.75" ID x 47.00", SAE 100 R3

1шт.

10

217-433

PLUG,Hex Soc, 1/4" - 18 NPTF

2шт.

11

86539484

PIPE PLUG,Sq Hd, 1/8"-27, NTPF

1шт.

12

82012728

COLLAR,50mm - 65mm, Worm Gear

4шт.

13

86563390

FLANGE

2шт.

14

86526514

RADIATOR HOSE,50.80 mm ID x 341.80 mm, SAE 20R4 CLASS D1

Inlet

1шт.

15

86507190

CAP

Coolant Recovery

1шт.

16

86509554

TANK

Coolant Recovery

1шт.

17

280428

CARRIAGE BOLT,Short Nk, 5/16" - 18 x 1", Gr 5

2шт.

18

492-11031

LOCK WASHER,5/16"

2шт.

19

690681

HOSE,7.94mm ID x 3352.8mm L, SAE 30R7

Cut to Required Length (3.3 or 4.6 ft.)

1шт.

20

86526515

RADIATOR HOSE,50.80 mm ID x 256.20 mm, SAE 20R4 CLASS D1

Outlet

1шт.

22

86526673

GUARD

Fan

1шт.

23

9846522

WASHER

Fender

8шт.

24

515-23127

CLAMP,1/2", Insul, 3/8" Bolt

1шт.

25

87840420

COVER

Dust, Outer

2шт.

26

87840244

PULLEY,74mm OD

1шт.

27

86627794

V-BELT,0.14" W x 79.90" L, 8 Ribs

1шт.

28

87801838

BELT TENSIONER

1шт.

29

814-10080

BOLT,Hex, M10 x 1.5 x 80mm, Cl 8.8

1шт.

30

140045

BELLEVILLE WASHER,M10 Bolt Size x 22mm OD x 1.6mm Thk

8шт.

31

413-568

BOLT,Hex, 5/16" - 18 x 4-1/4", Gr 5

1шт.

32

425-285

FLANGE NUT,Flg, 5/16"-18, G5

8шт.

33

86524122

BRACKET

1шт.

34

413-544

BOLT,Hex, 5/16" - 18 x 2-3/4", Gr 5

1шт.

35

87020406

ALTERNATOR,12V, 120A

120 Amp

1шт.

87020406R

REMAN-ALTERNATOR

WDX1701 (11/01-11/04)

1шт.

87020406C

CORE-ALTERNATOR

Return Number

1шт.

35

492-11031

LOCK WASHER,5/16"

1шт.

35

825-1408

NUT,M8, Cl 8

1шт.

M8 Nut & 5/16" Washer Mount Red/Dk Blue Wire to Alternator

1шт.

35

829-1405

NUT,M5, Cl 10

1шт.

35

492-11010

LOCK WASHER,#10

1шт.

M5 Nut & #10 Washer Mount Yel./Dk Blue Wire to Alternator

1шт.

36

844-8025

BOLT,Hvy Hex, M8 x 25mm, Cl 8.8

3шт.

37

413-648

BOLT,Hex, 3/8" - 16 x 3", Gr 5

1шт.

38

425-286

FLANGE NUT,Flg, 3/8"-16, G5

1шт.

39

86551691

SCREEN

1шт.

40

492-11010

LOCK WASHER,#10

4шт.

41

829-1405

NUT,M5, Cl 10

4шт.

42

606271

SPACER

1шт.

43

492-11044

LOCK WASHER,7/16"

1шт.

44

61-34432

HEX SOC SCREW,7/16"-14 x 2"

1шт.

45

86549362

STRAP

1шт.

46

86553562

BRACKET

1шт.

47

458-612

BOLT,Hex, 3/8" - 16 x 3/4", Gr 5

2шт.

48

492-11031

LOCK WASHER,5/16"

4шт.

49

9847944

AIRCOND. COMPRESSOR

Includes Clutch

1шт.

9847944R

REMAN-A/C COMPRESSOR

WDX1701 (11/01-11/04)

1шт.

9847944C

CORE-DISTRIB KIT-FUE

Return Number

1шт.

49

86552150

KIT

AC, Requires Installation Kit

1шт.

49

86577939

SERVICE KIT

Installation, Includes Snap Rings, Key and Hardware.

1шт.

50

458-620

BOLT,Hex, 3/8" - 16 x 1 1/4", Gr 5

4шт.

51

86553561

BRACKET

Front

1шт.

52

844-8020

BOLT,Hvy Hex, M8 x 20mm, Cl 8.8

14шт.

53

86551690

FAN

Alternator

1шт.

54

86524121

ALTERNATOR

1шт.

55

9823251

COUPLING

Fan

1шт.

56

9638000

FAN,6 Blades, 510.5mm OD

1шт.

57

87575621

BOLT,Flng, M12 x 1.75 x 45.2mm, Cl 8.8

Screw, Flg, SH Neck, CL 8.8, M12 x 1.75 x 45.7

1шт.

58

263117

CABLE TIE,292.1mm L, Nylon, Black

CABLE STRAP

2шт.

59

231-5345

FLANGE NUT,Flg, 5/16"-18

4шт.

60

495-21038

WASHER,5/16"

2шт.

61

433-512

CARRIAGE BOLT,Sq Nk, 5/16" - 18 x 3/4", Gr 5

1шт.

Выбрано товаров: 73