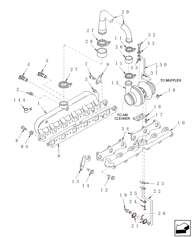
Запчасти Case IH WDX1701 (066) - ENGINE, MANIFOLD & RELATED PARTS (10) - ENGINE

Схема запчастей Case IH WDX1701 - (066) - ENGINE, MANIFOLD & RELATED PARTS (10) - ENGINE
26
5
27
8
24
6
20
1
9
15
32
34
33
11
29
18
28
33
4
14
25
27
11
21
30
8a
17
7
2
10
23
14a
13
22
19
16
31
12
3
FIT
1:1
100%

Артикул

Название

Примечание

Количество

1

87801839

INLET MANIFOLD

Includes: Ref. 3

1шт.

2

88071

PLUG

Pipe, 1/8"-27

3шт.

3

82851791

PLUG

1шт.

4

87800843

THERMOSTART

Intake Manifold, 12 Volt

1шт.

5

87800843

THERMOSTART

Flame Heater, Intake Manifold Heater

1шт.

6

87840759

CYLINDER HEAD GASKET

Intake Manifold

1шт.

7

83958605

BOLT

Flg Hd, 3/8"-16 x 1-1/2"

1шт.

8

81868474

BOLT,Flng, 3/8" - 16 x 5", Gr 5

3/8"-16 x 5.00" Hex Flange Head

5шт.

8a

14452981

O-RING,0.07" Thk x 0.364" ID, -12, Cl 7, 75 Duro

5шт.

9

82932534

LIFTING EYE

1шт.

10

F2NN9430BC

EXHAUST MANIFOLD

1шт.

11

81871498

COLLAR,60mm - 80mm

4шт.

12

87840807

BOLT,Hex Flg, 3/8" - 16 x 2.25", Gr 5

3/8"-16 x 2-1/4"

12шт.

13

82852825

PLATE

1шт.

14

458-616

BOLT,Hex Flg, 3/8" - 16 x 1", Gr 5

Use for Attaching Ref 13 Only

2шт.

14a

354295S100

CLIP

1/2" Open

2шт.

15

87840733

TURBOCHARGER

1шт.

15

87840733R

REMAN-TURBOCHARGER

1шт.

15

87840733C

CORE-TURBOCHARGER

Return Number

1шт.

16

83911642

GASKET

1шт.

17

F2NN6N873AA

STUD

3/8"-24-16 x 1.44"

4шт.

18

83993005

NUT

3/8"-24

4шт.

19

380940S101

HYD CONNECTOR

3/4" Hose, 3/4"-14 NPTF

1шт.

20

87801937

HOSE

1шт.

21

81876821

CLAMP

Hose, Size 3

2шт.

22

87800431

RIGID TUBE,19 mm OD x 21.23 mm DIA x 445, 98.3 mm L

Return

1шт.

23

E4NN6N652AB

GASKET

Return Tube

1шт.

24

614-8025

BOLT,Hex, M8 x 1.25 x 25mm, Cl 8.8, Full Thd

2шт.

25

492-11031

LOCK WASHER,5/16"

2шт.

26

87801439

HOSE

Engine Charger Air, Serial Range: Tube-Outlet

1шт.

27

81871496

CLAMP

2шт.

28

81862808

HOSE,73.50 mm ID x 50.00 mm

Engine Charger Air Tube to Intake Manifold

1шт.

29

87801440

AIR INTAKE TUBE,50 - 64 mm ID x 62 - 76 mm OD x 260.2, 113 mm L

Turbo Crossover

1шт.

30

87801700

TUBE,.379" OD

Supply

1шт.

31

86417S36

SLEEVE

1шт.

32

87801023

BOLT

Oil Supply Tube

1шт.

33

87801444

COPPER WASHER

Flat Copper

2шт.

34

87801658

GASKET,0.5mm Thk

Exhaust

1шт.

Выбрано товаров: 38