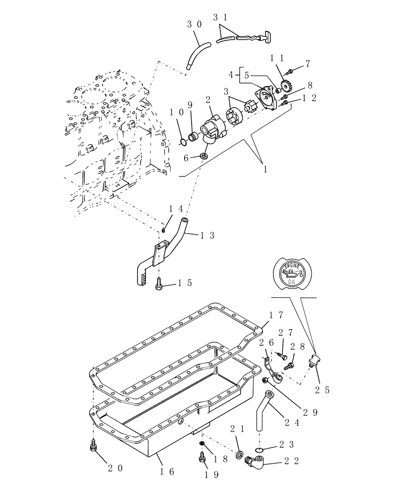
Запчасти Case IH WDX1701 (068) - ENGINE, OIL PUMP & OIL PAN (10) - ENGINE

Схема запчастей Case IH WDX1701 - (068) - ENGINE, OIL PUMP & OIL PAN (10) - ENGINE
16
12
13
4
2
6
30
18
24
22
7
11
23
29
27
19
25
8
5
28
26
21
10
15
9
17
31
20
3
14
1
FIT
1:1
100%

Артикул

Название

Примечание

Количество

1

E9NN6600BB

ENGINE OIL PUMP

Includes: Ref. 2 - 11

1шт.

87802585R

REMAN-ENG OIL PUMP

WDX1701 (11/01-11/04), Reman for New PN E9NN6600BB

1шт.

87802585C

CORE-ENGINE OIL PUMP

Return Number

1шт.

2

NSS

NOT SOLD SEPARAT

Body

1шт.

3

F0NN6608CA

SHAFT

1шт.

4

F0NN6637AA

COVER

Includes: Ref. 5

1шт.

5

F0NN6N774AA

BUSHING,15.83mm ID x 18.33mm OD x 16mm L

1шт.

6

14463881

O-RING,1.359" ID x 0.139" Width

1шт.

7

81868721

SCREW

Button Hd., M8 x 1.25

1шт.

8

81868718

SCREW

M8 x 1-1/4"

3шт.

9

83999696

SLEEVE

Outlet

1шт.

10

14463081

O-RING,0.859" ID x 0.139" Width

1шт.

11

83999693

GEAR

Oil Pump Drive

1шт.

12

413-520

BOLT,Hex, 5/16" - 18 x 1-1/4", Gr 5

3шт.

13

F2NN6N705AB

HYD TUBE,1.3" ID x 1.38" OD

& Screen, 14" Tall

1шт.

14

87800929

PLUG

HH, 1/8"-27 x 1.60"

1шт.

15

458-612

BOLT,Hex, 3/8" - 16 x 3/4", Gr 5

2шт.

16

87801750

ENGINE OIL PAN

1шт.

17

81876942

OIL PAN GASKET SET,2.79mm Thk

1шт.

18

C9NN6734A

OIL PAN GASKET SET,19.18mm ID x 25.4mm OD x 1.52mm Thk

3/4" ID x .06" Thk, Drain Plug

1шт.

19

C9NN6730B

PLUG

Oil Drain

1шт.

20

81876943

BOLT

Hex Flange Hd., 3/8"-16 UNRC-2A x 3/4"

34шт.

21

237-6024

O-RING,0.118" Thk x 1.720" ID, -924, Cl 6, 90 Duro

1шт.

22

F2NN6N718AA

ELBOW

1шт.

23

14463881

O-RING,1.359" ID x 0.139" Width

1шт.

24

F2NN6N733AA

HYD TUBE,9.5, 2.7" L

Oil Fill

1шт.

25

F3AE6766BA

FILLER CAP

Oil

1шт.

26

F2NN6833AB

BRACKET

Oil Filler Tube

1шт.

27

56558S36

SCREW

Hex Flange Hd., 7/16"-14 x 3/4"

1шт.

28

413-412

BOLT,Hex, 1/4" - 20 x 3/4", Gr 5

1шт.

29

425-144

JAM NUT,Jam, 1/4"-20, G5

1шт.

30

F3NN6784AA

TUBE,10.05 mm OD x 175.5 mm L

Oil Level Indicator

1шт.

31

87801532

DIPSTICK

Engine Oil Level

1шт.

Выбрано товаров: 0