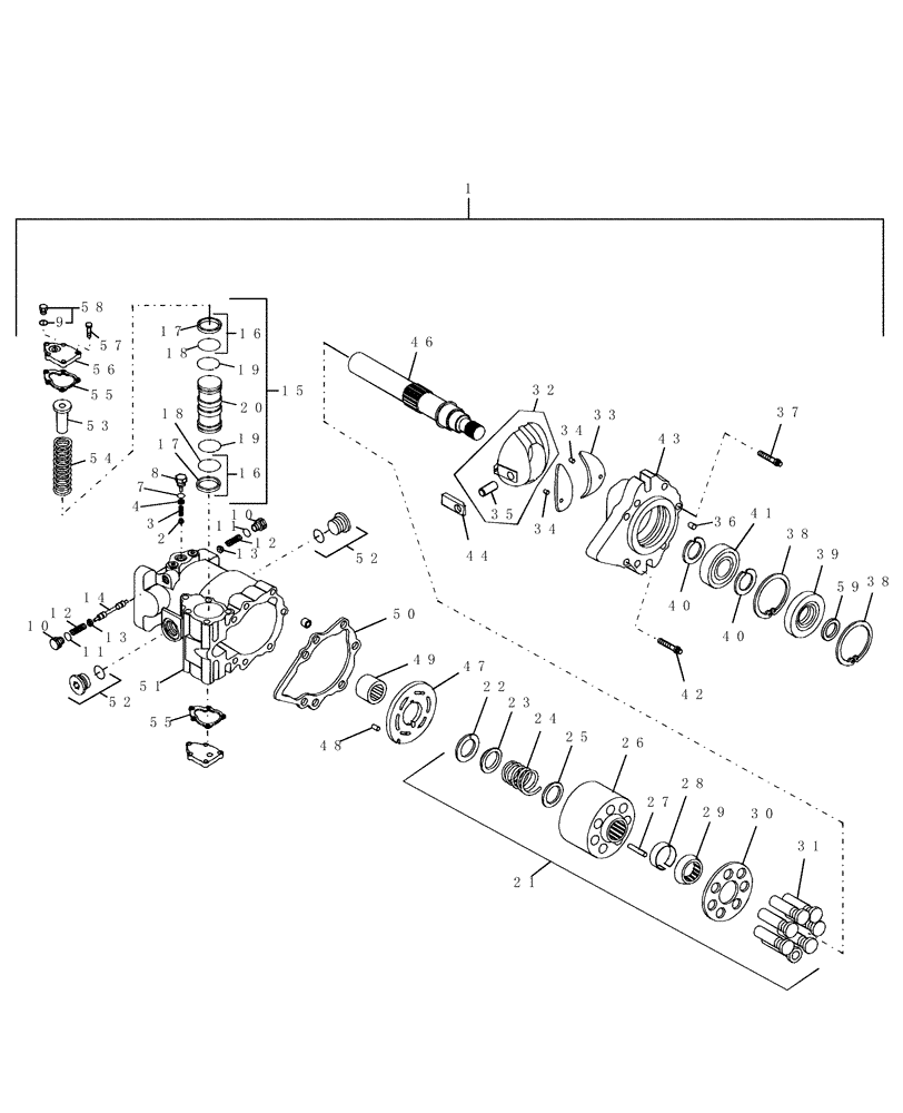
Запчасти Case IH WDX1701 (052) - WHEEL DRIVE MOTOR (25) - FRONT AXLE SYSTEM

Схема запчастей Case IH WDX1701 - (052) - WHEEL DRIVE MOTOR (25) - FRONT AXLE SYSTEM
14
37
40
25
52
46
8
52
19
49
40
35
38
58
4
53
15
17
38
28
33
57
21
11
42
18
30
34
27
36
32
26
29
50
10
12
48
18
9
2
19
7
47
1
51
39
43
55
44
13
24
20
34
31
23
22
41
54
59
13
11
16
16
56
12
17
55
3
10
FIT
1:1
100%

Артикул

Название

Примечание

Количество

1

86624500

HYDRAULIC MOTOR

46cc, Variable - Includes: Ref. 1 - 59

1шт.

87349714R

REMAN-HYD MOTOR

WDX1701, 11/01-11/04,

1шт.

87349714C

CORE-MOTOR HYDRAULIC

Return Number

1шт.

87349714R

REMAN-HYD MOTOR

WDX1101, 10/01-11/04,

1шт.

87349714C

CORE-MOTOR HYDRAULIC

Return Number

1шт.

2

86505723

POPPET

1шт.

3

86505721

SPRING

1шт.

4

86537393

KIT

Shims

1шт.

7

218-5007

O-RING,0.097" Thk x 0.755" ID, -910, Cl 6, 90 Duro

1шт.

8

86537387

PLUG

Charge Relief

1шт.

10

86505737

PLUG

Special

2шт.

12

86505739

SPRING

S

2шт.

13

86505740

GUIDE

Spring

2шт.

14

86505741

SPOOL

Shuttle

1шт.

15

86502326

KIT

Piston

1шт.

16

86502325

KIT

Piston, & O-Ring

1шт.

17

NSS

NOT SOLD SEPARAT

O-Ring, Refer to Ref. 16

2шт.

18

NSS

NOT SOLD SEPARAT

Ring, Piston, Refer to Ref. 16

2шт.

19

86502327

RING

Bearing

2шт.

20

NSS

NOT SOLD SEPARAT

Piston, Servo

1шт.

21

86542011

REPAIR KIT

Cylinder Block

1шт.

22

D38748

SNAP RING,#162, 1.701, Int, Spiral

1шт.

23

NSS

NOT SOLD SEPARAT

Washer

1шт.

24

NSS

NOT SOLD SEPARAT

Spring, Cylinder Block

1шт.

25

NSS

NOT SOLD SEPARAT

Washer

1шт.

26

NSS

NOT SOLD SEPARAT

Block Assembly

1шт.

27

NSS

NOT SOLD SEPARAT

Pin, Slipper Holddown

3шт.

28

NSS

NOT SOLD SEPARAT

Retainer, Holddown, Pin

1шт.

29

NSS

NOT SOLD SEPARAT

Guide, Retainer

1шт.

30

86019219

RETAINER

Slipper

1шт.

31

NSS

NOT SOLD SEPARAT

Piston

7шт.

32

178631A1

COVER

Variable, Includes: Ref. 35

1шт.

33

86529087

BEARING HALF

Bearing

2шт.

34

86529088

PIN,3.43mm OD x 9.53mm L

2шт.

35

NSS

NOT SOLD SEPARAT

1шт.

36

NSS

NOT SOLD SEPARAT

Pin

1шт.

37

NSS

NOT SOLD SEPARAT

Screw

1шт.

38

100-21281

SNAP RING,2.812", Int, #281

2шт.

39

86502227

SEAL,32.99mm ID x 72.31mm OD x 9.53mm Thk

Lip

1шт.

40

100-11137

SNAP RING,#137, Ext

2шт.

41

A26581

BALL BEARING,1.378" ID x 2.8346" OD x 0.6693"

1шт.

42

NSS

NOT SOLD SEPARAT

Screw

6шт.

43

86502321

COVER

Front

1шт.

44

N13224

SLEEVE

Bearing

1шт.

46

86513547

SHAFT

Motor

1шт.

47

87012458

HYD VALVE SECTION

Plate, Motor

1шт.

48

38-11208

LOCK PIN,3/16" x 1/2", Slotted

1шт.

49

1277297C1

NEEDLE BEARING

Needle

1шт.

50

86502322

GASKET

Front Cover

1шт.

51

NSS

NOT SOLD SEPARAT

Endcap, Motor

1шт.

52

163410

PLUG,1-1/16" - 12 ORB

2шт.

52

237-6012

O-RING,0.116" Thk x 0.924" ID, -912, Cl 6, 90 Duro

2шт.

53

87012460

STOP DEVICE

1шт.

54

86502323

SPRING

Servo

1шт.

55

86502324

GASKET,0.51mm Thk

Servo

2шт.

56

86502330

COVER

Servo

2шт.

57

87269453

SCREW

Screw

10шт.

58

76349

PLUG,9/16" - 18 ORB

1шт.

59

86537277

WASHER

1шт.

11

237-6006

O-RING,0.078" Thk x 0.468" ID, -906, Cl 6, 90 Duro

2шт.

Выбрано товаров: 60