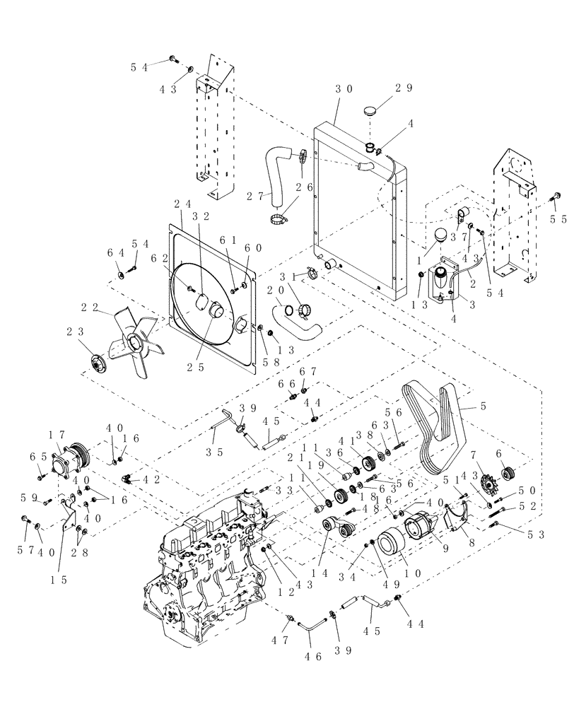
Запчасти Case IH WDX901 (059A) - RADIATOR& FAN, ALTERNATOR & DRIVE (10) - ENGINE

Схема запчастей Case IH WDX901 - (059A) - RADIATOR& FAN, ALTERNATOR & DRIVE (10) - ENGINE
15
45
44
50
16
45
39
12
16
43
40
54
49
43
18
30
60
13
56
42
41
32
4
66
51
4
61
57
13
59
29
11
25
53
10
5
16
8
35
27
2
20
40
7
39
22
48
44
63
38
19
55
24
11
23
28
40
52
62
33
14
65
6
34
47
54
56
26
43
37
58
3
36
43
21
31
46
1
40
54
9
64
17
40
63
67
FIT
1:1
100%

Артикул

Название

Примечание

Количество

1

86507190

CAP

Coolant Recovery

1шт.

2

690681

HOSE,7.94mm ID x 3352.8mm L, SAE 30R7

Cut to Required Length (3.3 ft.)

1шт.

3

86509554

TANK

Coolant Recovery

1шт.

4

82012717

HOSE CLAMP,11 x 17mm

2шт.

5

86627793

V-BELT,0.14" W x 101.40" L, 6 Ribs

1шт.

6

9808151

PULLEY

Alternator

1шт.

7

86551690

FAN

Alternator

1шт.

8

86549395

BRACKET

1шт.

9

829-1405

NUT,M5, Cl 10

1шт.

9

87020406

ALTERNATOR,12V, 120A

120 Amp

1шт.

87020406R

REMAN-ALTERNATOR

WDX1101 (10/01-11/04)

1шт.

87020406C

CORE-ALTERNATOR

Return Number

1шт.

87020406R

REMAN-ALTERNATOR

WDX901 (12/01-11/04)

1шт.

87020406C

CORE-ALTERNATOR

Return Number

1шт.

9

492-11031

LOCK WASHER,5/16"

1шт.

Use W/Red/Dark Blue Wire (Rear)

1шт.

9

825-1408

NUT,M8, Cl 8

1шт.

Use W/Red/Dark Blue Wire (Rear)

1шт.

9

492-11010

LOCK WASHER,#10

1шт.

Use W/Yellow/Dark Blue Wire

1шт.

10

86551691

SCREEN

1шт.

11

83995240

SPACER

2шт.

12

425-285

FLANGE NUT,Flg, 5/16"-18, G5

6шт.

13

231-5345

FLANGE NUT,Flg, 5/16"-18

6шт.

14

87801689

IDLER

1шт.

14

87801102

PULLEY

Pulley & Bearing Assy

1шт.

15

9846679

SUPPORT

Compressor

1шт.

16

825-1410

NUT,M10, Cl 8

5шт.

17

9847944

AIRCOND. COMPRESSOR

AC, Includes: Clutch

1шт.

9847944R

REMAN-A/C COMPRESSOR

WDX1101 (10/01-11/04), WDX901 (12/01-11/04)

1шт.

9847944C

CORE-DISTRIB KIT-FUE

Return Number

1шт.

17

86552150

KIT

AC, Requires Installation Kit

1шт.

17

86577939

SERVICE KIT

Installation, Includes: Snap Rings, Key & hardware

1шт.

18

83995246

COVER

2шт.

19

83995241

PULLEY

1шт.

20

86509480

RADIATOR HOSE,44.00 mm ID x 396.40 mm, SAE J20 R4 CLASS D2

Lower

1шт.

21

83995238

COVER

Fan Belt

1шт.

22

81868399

FAN,5 Blades, 510.5mm OD

Engine Cooling

1шт.

23

9823251

COUPLING

Fan

1шт.

24

86510013

GUARD

Fan

1шт.

25

86563389

FLANGE

WDX1101

1шт.

26

82012725

HOSE CLAMP,#44, M32-44

2шт.

27

9844243

RADIATOR HOSE,38.00 mm ID x 238.00, SAE J20 R4 CLASS D-2

Upper

1шт.

28

285072

WASHER,10.3mm ID x 22.2mm OD x 2.7mm Thk

(3/8")

2шт.

29

E5TH8100AA

RADIATOR CAP

1шт.

30

86564703

RADIATOR

1шт.

31

214-1432

HOSE CLAMP,#32, 1.56" - 2.5", Type F Worm

2шт.

32

86540653

COVER

WDX901

2шт.

33

86597959

STUD

CL 8.8, M10 x 1.5 x 37

2шт.

34

829-1405

NUT,M5, Cl 10

4шт.

35

9843225

HYD TUBE

1шт.

36

83995291

COVER

1шт.

37

515-23127

CLAMP,1/2", Insul, 3/8" Bolt

1шт.

38

86503293

SHIELD

1шт.

39

214-1406

HOSE CLAMP,#06, 0.44" - 0.78", Type F Worm

2шт.

40

140045

BELLEVILLE WASHER,M10 Bolt Size x 22mm OD x 1.6mm Thk

7шт.

41

86503292

PULLEY

Crowned

1шт.

42

218-483

ELBOW,90 Degree Elbow, 9/16" - 18 Male JIC x 1/4" - 18 Male NPTF

1шт.

43

492-11031

LOCK WASHER,5/16"

1шт.

44

218-5058

HYD CONNECTOR,9/16" - 18 Male JIC x 3/4" - 18 Male ORB

1шт.

Includes: O-Ring, ref. 68

1шт.

45

86509483

HOSE,9.53mm ID x 355.6mm L, SAE 100R1

2шт.

46

9843224

HYD TUBE

1шт.

47

218-443

HYD CONNECTOR,9/16" - 18 Male JIC x 1/4" - 18 Male NPTF

1шт.

48

864-12065

HEX SOC SCREW,M12 x 65mm, Cl 8.8

1шт.

49

492-11010

LOCK WASHER,#10

4шт.

50

844-8025

BOLT,Hvy Hex, M8 x 25mm, Cl 8.8

1шт.

51

814-10080

BOLT,Hex, M10 x 1.5 x 80mm, Cl 8.8

1шт.

52

413-572

BOLT,Hex, 5/16" - 18 x 4-1/2", Gr 5

1шт.

53

413-540

BOLT,Hex, 5/16" - 18 x 2-1/2", Gr 5

1шт.

54

458-512

BOLT,Hex, 5/16" - 18 x 3/4", Gr 5

12шт.

55

280428

CARRIAGE BOLT,Short Nk, 5/16" - 18 x 1", Gr 5

2шт.

56

814-12060

BOLT,Hex, M12 x 1.75 x 60mm, Cl 8.8

2шт.

57

458-616

BOLT,Hex Flg, 3/8" - 16 x 1", Gr 5

2шт.

58

495-21038

WASHER,5/16"

4шт.

59

614-10030

BOLT,Hex, M10 x 1.5 x 30mm, Cl 8.8, Full Thd

1шт.

60

279433

WASHER

6шт.

61

281050

SELF-TAP SCREW,#10-24 x 15.44mm OAL

6шт.

62

433-512

CARRIAGE BOLT,Sq Nk, 5/16" - 18 x 3/4", Gr 5

2шт.

63

495-11053

WASHER,1/2", SAE

2шт.

64

492-11031

LOCK WASHER,5/16"

4шт.

65

814-10040

BOLT,Hex, M10 x 1.5 x 40mm, Cl 8.8

1шт.

66

86610676

CHECK CONTROL

1шт.

Includes: O-Ring, ref. 69

1шт.

67

195492

ADAPTER,3/4" - 16 ORB x 9/16" - 18

1шт.

Includes: O-Ring, ref. 68

1шт.

68

237-6008

O-RING,0.087" Thk x 0.644" ID, -908, Cl 6, 90 Duro

2шт.

69

237-6006

O-RING,0.078" Thk x 0.468" ID, -906, Cl 6, 90 Duro

1шт.

Выбрано товаров: 88