Запчасти Case IH WDX901 (060B) - AIR CLEANER, FILTERS & MUFFLER (10) - ENGINE

Схема запчастей Case IH WDX901 - (060B) - AIR CLEANER, FILTERS & MUFFLER (10) - ENGINE
30
18
3
11
17
17
22
5
15
23
12
20
29
25
15
1
21
24
9
26
27
8
15
10
6
31
13
15
18
10
32
2
29
16
33
15
28
2
30
14
7
14
19
33
4
FIT
1:1
100%

Артикул

Название

Примечание

Количество

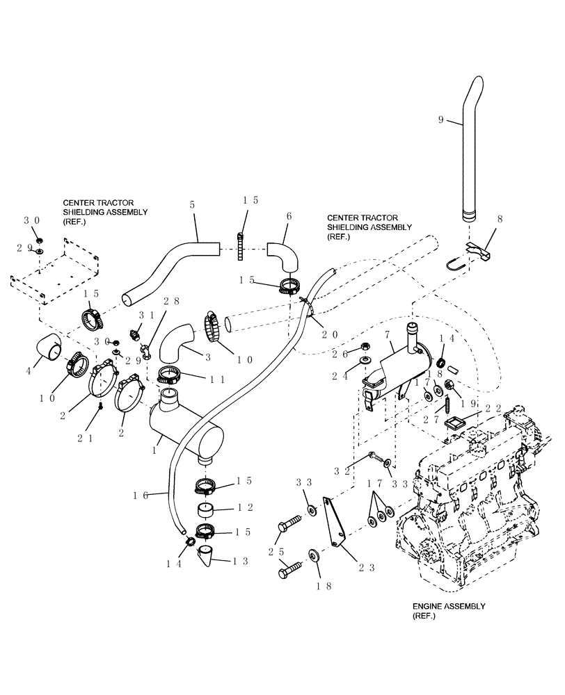
1

592657

AIR CLEANER

Includes:

1шт.

1

86516797

NUT

W/ Nut

1шт.

1

600170

CAP,1/8" NPT

1шт.

1

N8153

FILTER, ELEMENT

ELEMENT, FILTER Safety

1шт.

1

D56453

AIR CLEANER

Outer

1шт.

1

163013

RESTRICTOR VALVE

Vacuator

1шт.

1

221407

NUT

1шт.

2

70973

BRACKET

2шт.

3

9843318

ELBOW

1шт.

4

703795

ELBOW

1шт.

5

86532314

TUBE,76.20 mm OD x 600.7, 169.7 mm L

1шт.

6

163269

ELBOW

90°

1шт.

7

86573363

MUFFLER

1шт.

8

86507934

CLAMP

1шт.

9

86585167

EXHAUST SYSTEM PIPE

1шт.

10

82012732

COLLAR

2шт.

11

214-1472

HOSE CLAMP,#72, 4.06" - 5", Type F Worm

1шт.

12

9806183

INTAKE AIR HOSE,76.00 mm ID x 45.00 mm, SAE J200

1шт.

13

9844803

ELBOW

1шт.

15

82012731

HOSE CLAMP,77mm - 95mm, Worm Gear

Hose Retaining, 2-13/16"

5шт.

14

9706921

HOSE CLAMP,12.7mm - 35mm

2шт.

16

86500979

HOSE,25.40 mm ID x 1473.00 mm, SAE J20R3 Class D2

1шт.

17

495-21050

WASHER,7/16"

8шт.

18

492-11044

LOCK WASHER,7/16"

3шт.

19

425-107

NUT,7/16"-14, G5

1шт.

20

527350

STRAP

1шт.

21

458-512

BOLT,Hex, 5/16" - 18 x 3/4", Gr 5

4шт.

22

83936215

GASKET,0.43mm Thk

1шт.

23

86504849

SUPPORT

1шт.

24

492-11038

LOCK WASHER,3/8"

4шт.

25

413-724

BOLT,Hex, 7/16" - 14 x 1-1/2", Gr 5

3шт.

26

425-116

NUT,3/8" - 24, Gr 5

4шт.

27

87801551

STUD

3/8"-16-24 x 1-11/16"

4шт.

28

771825

ELBOW

Brass, 45°, 1/8"

1шт.

29

492-11031

LOCK WASHER,5/16"

6шт.

30

425-285

FLANGE NUT,Flg, 5/16"-18, G5

6шт.

31

82003527

RESTRICTION SWITCH

Air Cleaner

1шт.

32

274251

BOLT,Hex Serr Flg, M10 x 25mm

1шт.

33

48917

WASHER

15/32" ID

1шт.

Выбрано товаров: 39