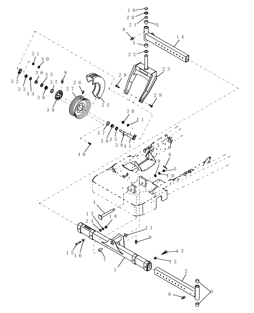
Запчасти Case IH WDX901 (006) - REAR AXLE, ADJUSTABLE (27) - REAR AXLE SYSTEM

Схема запчастей Case IH WDX901 - (006) - REAR AXLE, ADJUSTABLE (27) - REAR AXLE SYSTEM
37
17
18
28
13
30
10
27
38
31
11
29
23
26
15
5
16
41
4
8
39
3
35
22
7
6
38
40
3
36
2
29
32
31
30
9
8
25
1
24
19
21
8
33
35
14
34
20
12
3
8
37
FIT
1:1
100%

Артикул

Название

Примечание

Количество

1

86636498

CHANNEL

Includes: (2) Ref. 7

1шт.

2

86636495

CHANNEL

Inside RH Includes (2) Ref 3

1шт.

Prior to PIN HAJ0013062 (WDX901), HAJ0014163 (WDX1101), HAJ0015101 (WDX1701)

1шт.

2

86837706

CHANNEL

Inside RH Includes (2) Ref 3

1шт.

After PIN HAJ0013062 (WDX901), HAJ0014163 (WDX1101), HAJ0015101 (WDX1701)

1шт.

3

86560106

BUSHING,50.98mm ID x 57.23mm OD x 57.1mm L

2" I.D.x 2-1/4" OD x 1/8" Thick

4шт.

4

86530128

PIN

14"

1шт.

5

425-1318

SLOTTED NUT,1 1/8"-12, G5

1шт.

6

432-1632

COTTER PIN,1/4" x 2"

1шт.

7

710496

BUSHING,38.3mm ID x 44.5mm OD x 76.2mm L

1-1/2" ID x 3" Long

2шт.

8

219-87

LUBE NIPPLE,1/4" - 28 NPTF

4шт.

9

35536

SOCKET

1-1/8" ID

1шт.

10

86627126

WASHER,29.18mm ID x 51.56mm OD x 2.03mm Thk

1-1/8" ID

3шт.

11

248483

WASHER

1-1/2" ID

2шт.

12

425-148

JAM NUT,Jam, 1/2"-13, G5

4шт.

Prior to PIN HAJ0013062 (WDX901), HAJ0014163 (WDX1101), HAJ0015101 (WDX1701)

1шт.

13

86564279

SET SCREW,Sq Hd, 1/2"-13 x 1 3/4"

4шт.

14

86636493

CHANNEL

Inside LH Includes: (2) Ref. 3

1шт.

Prior to PIN HAJ0013062 (WDX901), HAJ0014163 (WDX1101), HAJ0015101 (WDX1701)

1шт.

14

86837704

CHANNEL

Inside LH Includes: (2) Ref. 3

1шт.

After PIN HAJ0013062 (WDX901), HAJ0014163 (WDX1101), HAJ0015101 (WDX1701)

1шт.

15

413-1288

BOLT,Hex, 3/4" - 10 x 5-1/2", Gr 5

4шт.

After PIN HAJ0013062 (WDX901), HAJ0014163 (WDX1101), HAJ0015101 (WDX1701)

1шт.

16

578092

WASHER,19.4mm ID x 47.6mm OD x 3.43mm Thk

3/4", Hardened

4шт.

17

696664

WASHER,19.81mm ID x 44.45mm OD x 9.53mm Thk

3/4" ID

4шт.

18

232-41412

LOCK NUT,3/4"-10, GC

4шт.

19

100-11200

SNAP RING,#200, Ext

2шт.

20

67517

WASHER

2" ID

1шт.

21

137236

SHIM,.036" Thk

1шт.

22

66849

WASHER,51.59mm ID x 76.2mm OD x 3.17mm Thk

Nylon, 2"

2шт.

23

86637402

FORK

Tail

2шт.

24

268244

WASHER

1шт.

25

86564435

TYRE/TIRE

Terra Rib, 31 x 13.50-15 8 Ply Rating, Tubeless

2шт.

26

387897R91

VALVE STEM

2шт.

27

86621298

WHEEL

2шт.

28

87473

KEY

Square, 3/16" x 3/4"

2шт.

29

86521616

BOLT,Hex, 1/2" - 13 x 1 3/4", Gr 5

2шт.

30

425-288

FLANGE NUT,Flg, 1/2"-13, G5

2шт.

31

65319

WASHER,13.1mm ID x 25.4mm OD x 3.68mm Thk

(1/2" ID)

4шт.

32

66974

BRACKET

2шт.

33

131391

LOCK NUT

1-3/8" - 18

2шт.

34

131390

LOCK WASHER

TW-107, 1-3/8" ID

2шт.

35

135955

OIL SEAL

4шт.

36

86534523

SPACER

2шт.

37

H433209

BEARING CUP

4шт.

38

536053R1

ROLLER BEARING,1.3772" ID x 2.3622" OD x 0.625"

4шт.

39

86640978

HUB

Wheel

2шт.

40

32383

BOLT,Wheel, G5, 1/2"-20 x 13/16"

Wheel, G5, 1/2"-20 x 13/16"

12шт.

41

86526217

HALF SHAFT

2шт.

Выбрано товаров: 49