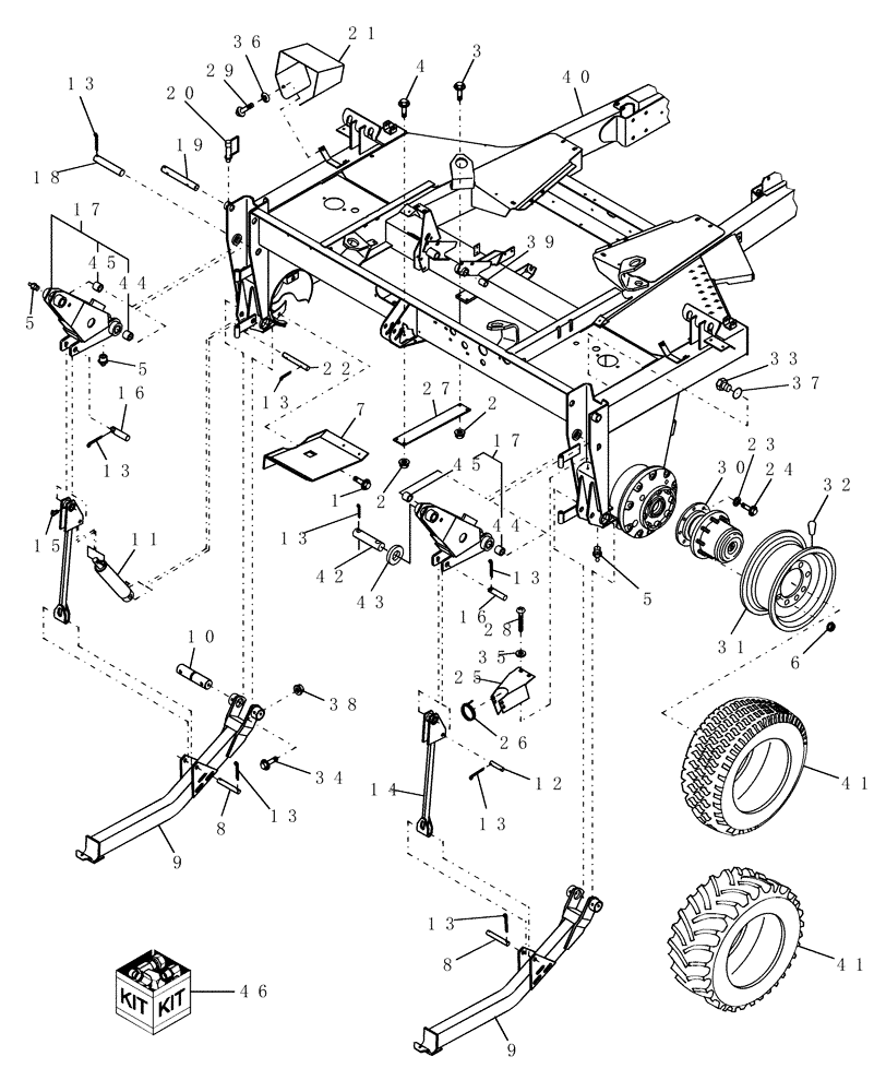
Запчасти Case IH WDX901 (003A) - HEADER LIFT, WHEELS & TIRES (44) - WHEELS

Схема запчастей Case IH WDX901 - (003A) - HEADER LIFT, WHEELS & TIRES (44) - WHEELS
13
17
42
40
7
13
13
13
46
11
41
30
25
13
13
8
19
2
8
12
39
44
5
35
16
23
22
4
37
5
13
45
32
31
29
2
38
26
10
36
14
20
6
24
45
16
21
9
44
15
41
1
5
28
34
43
3
13
17
18
9
33
27
FIT
1:1
100%

Артикул

Название

Примечание

Количество

1

86521614

BOLT,Hex, 1/2" - 13 x 1 1/4", Gr 5

4шт.

2

425-286

FLANGE NUT,Flg, 3/8"-16, G5

6шт.

3

458-620

BOLT,Hex, 3/8" - 16 x 1 1/4", Gr 5

2шт.

4

458-616

BOLT,Hex Flg, 3/8" - 16 x 1", Gr 5

2шт.

5

219-87

LUBE NIPPLE,1/4" - 28 NPTF

6шт.

6

425-2910

FLANGE NUT,Flg, 5/8"-18, G5

16шт.

7

86625351

SHOE

2шт.

8

9845737

PIN,19.05mm OD x 125mm L

2шт.

9

86625697

ARM ASSY.

2шт.

10

86543613

PIN,50.8mm OD x 210mm L

2шт.

11

86621654

HYDRAULIC CYLINDER

Refer to Fig. 039A

2шт.

Prior to PIN HCA0021032 (WDX901), HCA0023030 (WDX1101)

1шт.

11

87018059

CYLINDER ASSY.

Monarch, Refer to Fig.l 039A[1]

2шт.

After PIN HCA0021033 (WDX901), HCA0023031 (WDX1101)

1шт.

12

86623292

PIN,19.05mm OD x 75mm L

3/4" Dia.

2шт.

13

136521

COTTER PIN,5.7mm OD x 44.45mm L

Hardened, 1/4" x 1-3/4"

12шт.

14

86625699

LINK ASSY.

2шт.

14a

9843589

DRIVE BUSHING,25.53mm ID x 31.83mm OD x 51mm L

Not Shown

1шт.

15

219-93

LUBE NIPPLE,90 Degree Elbow, 1/4" - 28 NPTF

2шт.

16

9843588

SHAFT

2шт.

17

86633894

ARM

2шт.

18

9809278

SHAFT

2шт.

19

86575970

PIN ASSY.

8-1/4" Long, 2 Holes

2шт.

20

647695

PIN,7.94mm OD

2шт.

21

86625553

SHIELD

2шт.

22

86546421

PIN

2шт.

23

130358

WASHER,16.28mm ID x 38.35mm OD x 4.11mm Thk

Hardened, 5/8"

16шт.

24

86521620

BOLT,Hex, 5/8" - 11 x 1 3/4", Gr 5

16шт.

25

86556618

SHIELD

2шт.

26

263117

CABLE TIE,292.1mm L, Nylon, Black

CABLE STRAP

2шт.

27

86625349

PLATE

1шт.

28

637964

SELF-TAP SCREW,Hex, 3/8" - 16 x 3/4"

HS, 3/8"-16 x 3/4"

4шт.

29

458-512

BOLT,Hex, 5/16" - 18 x 3/4", Gr 5

4шт.

30

86621648

GEARBOX

Planetary Gear, 41.42:1, Refer to Component Breakdown

2шт.

31

86631065

RIM

WHEEL 15L x 24, For Use With 16.9 x 24 Tire

2шт.

31

86631066

RIM

WHEEL 16 x 26, For Use With 18.4 x 26 Tires

2шт.

WDX1101

1шт.

32

387897R91

VALVE STEM

2шт.

32

86507333

VALVE STEM

Tubeless Tire, For Use With 8 Bolt Wheels

2шт.

33

214389

PLUG,3/4" - 16 ORB

Includes Ref. 37

1шт.

34

413-648

BOLT,Hex, 3/8" - 16 x 3", Gr 5

4шт.

35

495-21044

WASHER,3/8"

4шт.

36

322358

BELLEVILLE WASHER,M8 Bolt Size x 18mm OD x 1.4mm Thk

4шт.

37

237-6008

O-RING,0.087" Thk x 0.644" ID, -908, Cl 6, 90 Duro

1шт.

38

231-5346

FLANGE NUT,Flg, 3/8"-16

4шт.

39

86628558

BUSHING,25.45mm ID x 28.68mm OD x 31.75mm L

2шт.

40

86636471

FRAME ASSY

Main, Includes: Ref. 39

1шт.

41

PL

PROCURE LOCALLY

Tire, Cleat 16.9 x 24

2шт.

41

86621463

TYRE/TIRE

Cleat, 18.4 x 26, R4, 10 Ply

1шт.

42

86558509

PIN,31.75mm OD x 228mm L

2шт.

43

47704

WASHER,35.7mm ID x 50.8mm OD x 5mm Thk

Flat, 1-13/32" ID x 2" OD x 3/16" Thk

4шт.

44

9827792

DRIVE BUSHING,35.01mm ID x 44.5mm OD x 38.1mm L

1шт.

45

262173

BUSHING,31.84mm ID x 38.2mm OD x 31.75mm L

1шт.

46

87011858

SPACER

Wheel

2шт.

Not shown

1шт.

Used only with 18.4 x 26 tire option

1шт.

WDX1101 only

1шт.

Component of wheel spacer bundle, W0

1шт.

Выбрано товаров: 58