Запчасти Case IH WDX1202 (06.01[2]) - BATTERY (06) - ELECTRICAL SYSTEMS

Схема запчастей Case IH WDX1202 - (06.01[2]) - BATTERY (06) - ELECTRICAL SYSTEMS
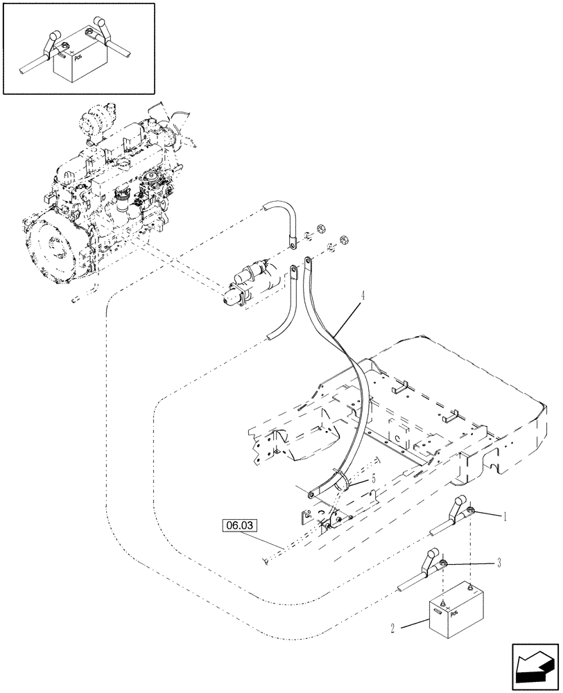
1
2
3
5
4
FIT
1:1
100%

Артикул

Название

Примечание

Количество

1

86533713

ELECTRIC CABLE

NEGATIVE

1шт.

2

BMF31FSW

DRY BATTERY

1шт.

3

87048904

ELECTRIC CABLE

POSITIVE

1шт.

4

86534915

GROUND CABLE

1шт.

5

249730

SECURING STRAP,8" L

L = 3/32" x 11-1/2"

1шт.

Выбрано товаров: 5