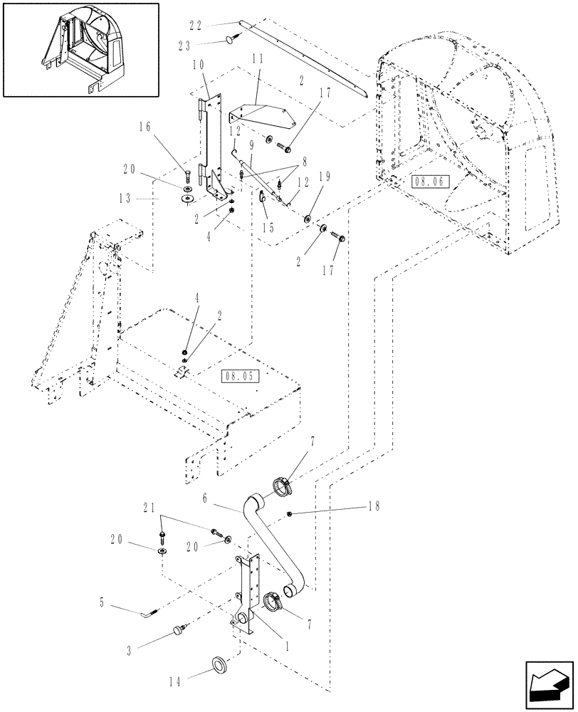
Запчасти Case IH WDX2302 (08.07) - ROTARY SCREEN ATTACHING PARTS (08) - SHEET METAL

Схема запчастей Case IH WDX2302 - (08.07) - ROTARY SCREEN ATTACHING PARTS (08) - SHEET METAL
1
21
16
7
3
23
10
20
9
17
13
2
08.05
2
14
12
2
12
20
4
22
15
18
2
08.06
20
11
17
6
5
19
4
7
8
FIT
1:1
100%

Артикул

Название

Примечание

Количество

1

87031801

LATCH ASSY.

1шт.

2

322358

BELLEVILLE WASHER,M8 Bolt Size x 18mm OD x 1.4mm Thk

10шт.

3

87026767

BUMPER

1шт.

4

825-2408

FLANGE NUT,M8 x 1.25, Flg, Cl 8

2шт.

5

87031804

SPECIAL BOLT

1шт.

6

87051633

HOSE,60.0 mm ID, 66.70 mm ID, 76.20 mm ID x 635.0 mm, SAE J20R4 CLASS D1

1шт.

WDX1902 & WDX2302 Only

1шт.

6

86530660

HOSE

1шт.

WDX1002S, WDX1202S, & WDX1202 Only

1шт.

7

513307

CLAMP

2шт.

8

86628347

STUD,M8 x 36.5mm OAL, 10mm OD Ball

2шт.

9

87018882

GAS STRUT,669mm Extended, 408mm Compressed

1шт.

10

86638786

FIXED HINGE

1шт.

11

87042982

BRACKET

1шт.

Shown

1шт.

WDX1902 & WDX2302 Only

1шт.

11

87020916

BRACKET

1шт.

WDX1002S, WDX1202S, & WDX1202 Only

1шт.

Not Shown

1шт.

12

87020287

SPRING CLIP

2шт.

13

213137

WASHER,6.76mm ID x 25.4mm OD x 3.17mm Thk

2шт.

14

87031807

SEAL

1шт.

15

134579

WIRE CLAMP,J

1шт.

16

458-412

BOLT,Hex, 1/4" - 20 x 3/4", Gr 5

2шт.

17

458-512

BOLT,Hex, 5/16" - 18 x 3/4", Gr 5

8шт.

18

425-1010

NUT,5/8"-11, G5

1шт.

19

495-21038

WASHER,5/16"

5шт.

20

322357

BELLEVILLE WASHER,M6 Bolt Size x 14mm OD x 1.3mm Thk

12шт.

21

458-48

BOLT,Hex, 1/4" - 20 x 1/2", Gr 5

10шт.

22

87061946

SUPPORT

1шт.

Prior To 10/06

1шт.

23

86620930

FASTENER,Push-In, 1.10" L, Nylon

7шт.

Prior To 10/06

1шт.

Выбрано товаров: 33