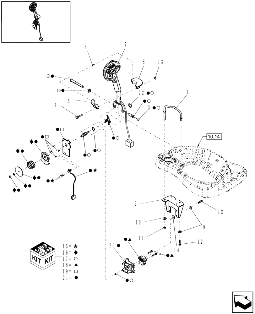
Запчасти Case IH WDX2302 (10.16[01]) - DELUXE MULTI-FUNCTION HANDLE (MFH) (10) - OPERATORS PLATFORM/CAB

Схема запчастей Case IH WDX2302 - (10.16[01]) - DELUXE MULTI-FUNCTION HANDLE (MFH) (10) - OPERATORS PLATFORM/CAB
3
1
4
22
14
12
9
11
5
20
8
10
7
6
12
13
2
FIT
1:1
100%

Артикул

Название

Примечание

Количество

1

87049539

RAIL ASSY.

1шт.

2

87013419

SUPPORT

1шт.

3

87282627

SNAP RING

Retaining

1шт.

4

86618563

KNOB

1шт.

5

86997341

SUPPORT

1шт.

6

86618564

CLIP

1шт.

7

86837569

LEVER

1шт.

8

86997342

SUPPORT

1шт.

9

322357

BELLEVILLE WASHER,M6 Bolt Size x 14mm OD x 1.3mm Thk

7шт.

10

140045

BELLEVILLE WASHER,M10 Bolt Size x 22mm OD x 1.6mm Thk

2шт.

11

425-106

NUT,3/8"-16, Cl 5

2шт.

12

614-6016

BOLT,Hex, M6 x 1 x 16mm, Cl 8.8, Full Thd

7шт.

13

425-104

NUT,1/4"-20, Cl 5

1шт.

14

895-11006

WASHER,6.6mm ID x 12mm OD x 1.6mm Thk

4шт.

15

87048038

KIT

Neutral Switch

1шт.

16

87284702

KIT

Plates, Friction

1шт.

17

87282655

KIT

Handle

1шт.

18

87284090

KIT

Sensor

1шт.

19

87282659

KIT

Stop

1шт.

20

87109134

BASE

1шт.

21

87026190

BASE

KIT, MFH Control, Includes: Ref. 15 - 20

1шт.

22

87107953

WAVE WASHER

1шт.

Выбрано товаров: 22