Запчасти Case IH 1075 (034) - ENGINE ACCESSORIES (10) - ENGINE

Схема запчастей Case IH 1075 - (034) - ENGINE ACCESSORIES (10) - ENGINE
FIT
1:1
100%

Артикул

Название

Примечание

Количество

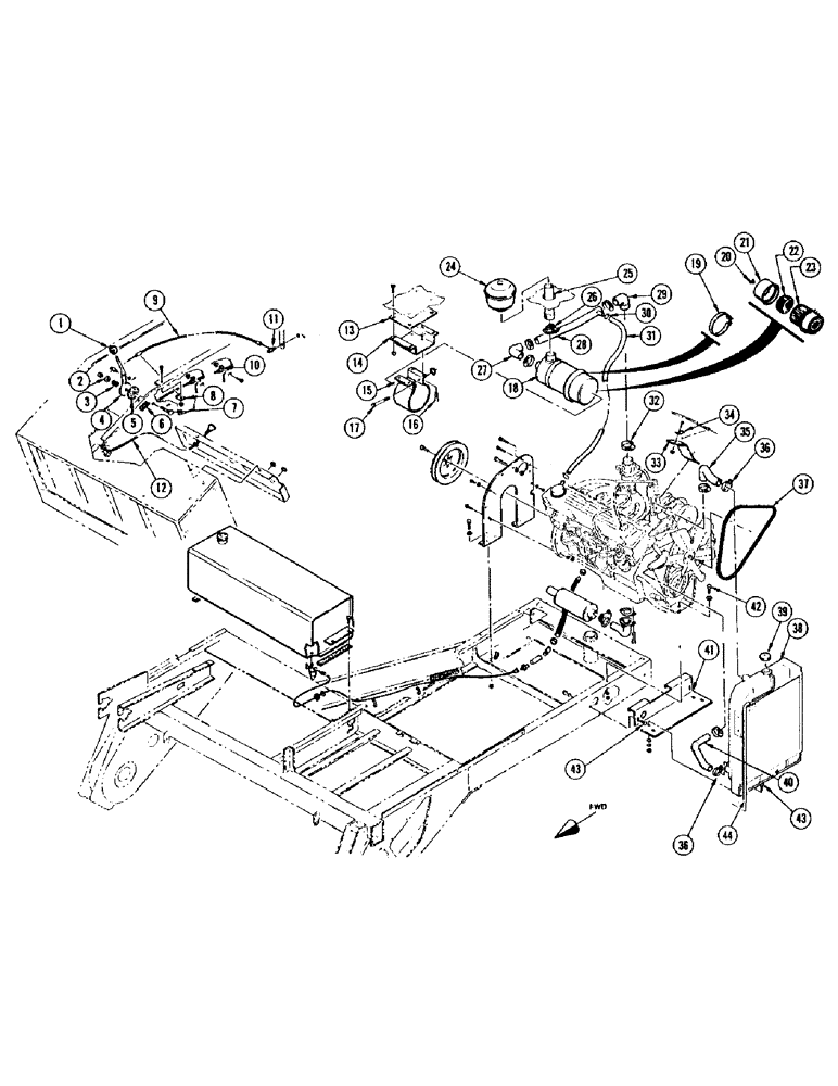
1

FHO41848

KNOB

1шт.

2

195-533

WASHER,1/2", SAE

- 1/2" flat

1шт.

3

FHO58024

SPRING

1шт.

4

F37118

LOCK NUT

LEVER

1шт.

5

FH756403

DISC

1шт.

6

F37796

STOP

1шт.

7

111-516

BOLT

- 1/2 x 1-3/4" rhd. sq. nk.

1шт.

131-1100

LOCK NUT,1/2"-13, GA

NUT, LOCK, 1/2"-13, GA

1шт.

8

F37119

CLIP

1шт.

9

F37102

CABLE - throttle control

1шт.

10

FH751487

CLAMP

6шт.

11

F36461

CONNECTOR, ELEC

CONNECTOR

2шт.

12

F37103

CONTROL - choke

1шт.

13

F37206

PLATE

1шт.

14

F37292

MOUNT

1шт.

15

FH485391

CLAMP

1шт.

16

13-512

BOLT,Hex, 5/16" - 18 x 3/4", Gr 5

4шт.

17

13-572

BOLT,Hex, 5/16" - 18 x 4-1/2", Gr 5

2шт.

18

F84514

AIR CLEANER

1шт.

19

F84999

CLAMP,168.28mm

1шт.

20

F91761

WING NUT

- wing

1шт.

21

F91760

CUP

1шт.

22

F22312

BAFFLE

1шт.

23

F84998

FILTER, ELEMENT

ELEMENT - filter

1шт.

24

A64589

PRECLEANER

PRE-CLEANER

1шт.

73187

COVER

1шт.

73186

HOUSING

BODY

1шт.

73185

SLEEVE

1шт.

25

FH722553

TUBE

1шт.

26

F36007

CLAMP

1шт.

27

F36458

NUT

HOSE

1шт.

28

F37260

LOCK NUT

PIPE

1шт.

29

F37158

HOSE

1шт.

30

214-253

HOSE CLAMP,#10, 0.56" - 1.06", Type F Worm

CLAMP

2шт.

31

F36856

HOSE

1шт.

32

214-216

CLAMP,1.19"-1.31", T-Bolt

4шт.

33

F37205

BRACKET

1шт.

34

F36507

CLIP

1шт.

35

F37262

LOCK NUT

HOSE - upper

1шт.

36

214-257

HOSE CLAMP,#24, 1.06" - 2", Type F Worm

4шт.

37

F67168

BELT

1шт.

38

F37333

RADIATOR

1шт.

39

F35409

CAP

1шт.

40

F37315

HOSE - lower

1шт.

41

F37743

MOUNT

1шт.

42

13-824

BOLT,Hex, 1/2" - 13 x 1-1/2", Gr 5, Full Thd

1шт.

43

111-316

CARRIAGE BOLT,Short NK, 3/8"-16 x 1", G5

BOLT, CARRIAGE, Short NK, 3/8"-16 x 1", G5

4шт.

44

F38181

TUBING - radiator overflow (8377801 thru 8377830)

1шт.

Выбрано товаров: 48