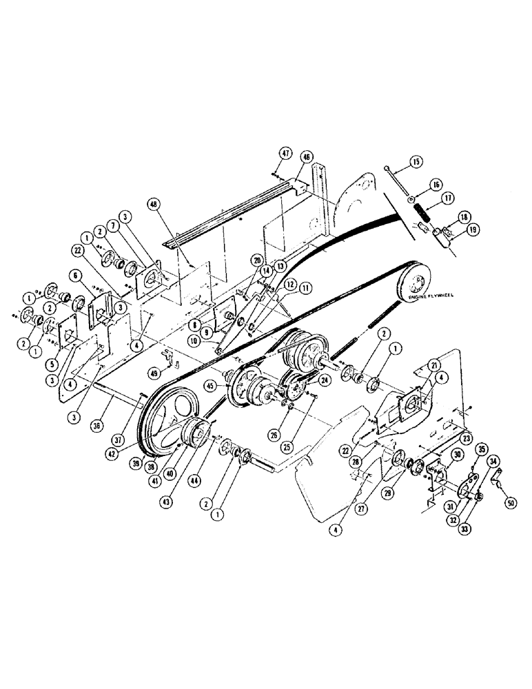
Запчасти Case IH 1075 (024) - PRIMARY DRIVE (14) - MAIN GEARBOX & DRIVE

Схема запчастей Case IH 1075 - (024) - PRIMARY DRIVE (14) - MAIN GEARBOX & DRIVE
FIT
1:1
100%

Артикул

Название

Примечание

Количество

1

F62225

FLANGE

10шт.

2

F51085

BEARING

5шт.

F62226

COLLAR

5шт.

3

111-302

CARRIAGE BOLT,Short NK, 3/8"-16 x 3/4", G2

BOLT - 3/8 x 3/4" rhd. sq. nk.

12шт.

4

111-317

CARRIAGE BOLT,Short NK, 3/8"-16 x 1", G2

BOLT, CARRIAGE, Short NK, 3/8"-16 x 1", G2

11шт.

5

F37242

SUN VISOR

PLATE - bearing

1шт.

6

F37757

PLATE - bearing

1шт.

7

F37271

MOUNTING

1шт.

8

F37192

LOCK NUT

PLATE

1шт.

9

113-207

BOLT,Hex, 3/8" - 16 x 1", Gr 5

4шт.

10

F37177

ARM

1шт.

11

219-6

LUBE NIPPLE,1/4" - 28 NPTF

FITTING - grease

1шт.

12

100-11196

SNAP RING,#196, Ext

Ring, Snap, , P-type, hose to radiator shroud #196, Ext

1шт.

13

F37074

BUSHING

1шт.

14

113-209

BOLT,Hex, 3/8" - 16 x 1-1/2", Gr 5

1шт.

15

F37778

BOLT - 3/8 x 11"

1шт.

16

F37073

WASHER

1шт.

17

F37372

SPRING

1шт.

18

F37072

CLIP

2шт.

19

F37071

HOUSING

1шт.

20

25-146

JAM NUT,Jam, 3/8"-16, G5

- 3/8" N.C. hex. jam

2шт.

21

F37270

LOCK NUT

MOUNTING

1шт.

22

FH702431

BOLT - 3/8 x 4" N.C. hex. full thread

2шт.

25-106

NUT,3/8"-16, G5

- 3/8" N.C. hex.

4шт.

23

113-207

BOLT,Hex, 3/8" - 16 x 1", Gr 5

1шт.

24

FHO53538

PULLEY

IDLER

1шт.

25

113-421

BOLT,Hex, 1/2" - 13 x 2", Gr 5

1шт.

26

FHO52217

BUSHING - 1-1/8" x 18 ga. mach.

2шт.

27

F19270

FLANGE

2шт.

28

111-203

CARRIAGE BOLT,Short NK, 5/16"-18 x 1", G2

BOLT, CARRIAGE, Short NK, 5/16"-18 x 1", G2

4шт.

29

F37033

BEARING

1шт.

30

F37182

BRACKET

1шт.

31

F37064

PLATE

1шт.

32

113-207

BOLT,Hex, 3/8" - 16 x 1", Gr 5

3шт.

33

FHO66001

NUT

1шт.

34

83-55

SET SCREW,Hex Soc, 5/16"-18 x 5/16", Cup Pt

1шт.

35

219-37

LUBE NIPPLE,45 Degree Elbow, 1/4" - 28 NPTF

FITTING - grease

1шт.

36

F37181

SHAFT - reverse

1шт.

37

FHO61416

KEY - 1/4 x 1/4 x 2-3/4" Gib

1шт.

38

F37322

SHEAVE

1шт.

39

F37746

BELT (Before 8375851)

1шт.

39

F38117

BELT (8377801 thru 8377830)

1шт.

40

F2430

SHEAVE - double drive

1шт.

41

83-88

SET SCREW,Hex Soc, 1/2"-13 x 1/2"

SCREW - 1/2 x 1/2" socket hd. set

1шт.

42

83-55

SET SCREW,Hex Soc, 5/16"-18 x 5/16", Cup Pt

1шт.

43

138-140

LOCK PIN,1/4" x 1 3/4", Slotted

PIN, 1/4" x 1 3/4", Slotted

1шт.

44

FH156620

KEY

- 1/4 x 1/4 x 3" straight

1шт.

45

F37745

WING NUT

BELT

1шт.

46

F37284

SLIDE - belt

1шт.

47

113-207

BOLT,Hex, 3/8" - 16 x 1", Gr 5

1шт.

48

173-217

SCREW,Sl Rnd Hd, 5/16" - 18 x 3/4"

- 5/16 x 3/4" Phillips rhd. mach.

3шт.

49

F37458

GUIDE - belt

1шт.

50

F38184

BRACKET (8377801 thru 8377830)

1шт.

Выбрано товаров: 53