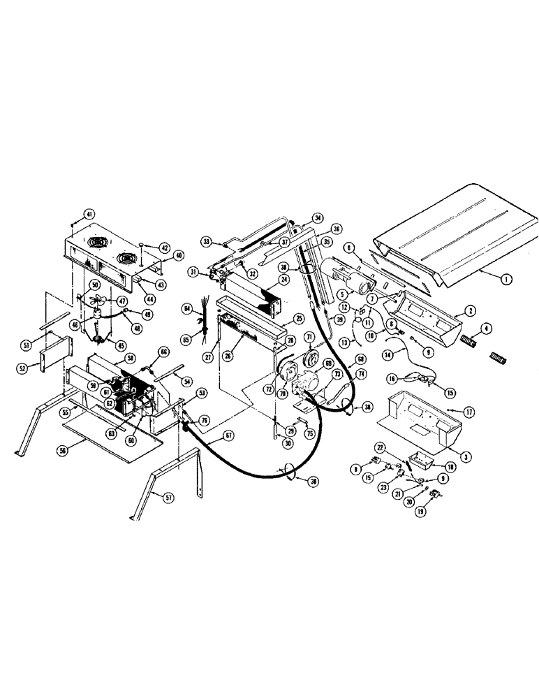
Запчасти Case IH 1075 (106) - AIR CONDITIONER (50) - CAB CLIMATE CONTROL

Схема запчастей Case IH 1075 - (106) - AIR CONDITIONER (50) - CAB CLIMATE CONTROL
FIT
1:1
100%

Артикул

Название

Примечание

Количество

1

F38054

ROOF - air conditioner

1шт.

F38006

FOAM - roof

1шт.

WEATHER STRIP - 47.5"

2шт.

WEATHER STRIP - 35.4"

2шт.

STICKERTITE - 27"

2шт.

STICKERTITE - 8"

2шт.

2

F38000

PANEL - blower, standard roof only

1шт.

3

F38009

PANEL - blower, air conditioner roof only

1шт.

4

F38033

LOUVER

2шт.

5

F38048

BLOWER

1шт.

6

WEATHER STRIP - blower, 23"

2шт.

7

WEATHER STRIP - blower, 2.75"

4шт.

8

F38031

SWITCH

- blower

1шт.

9

F38032

KNOB

(1-blower sw., 1-thermo. sw.)

1шт.

10

F38007

WIRE - blower sw. to fuse block (Orange - 75")

1шт.

11

A43211

GROMMET

1шт.

12

F37949

BLOCK - fuse

1шт.

13

F38015

WIRE - blower power (Std. roof) (Black - 78") Ign. to fuse bl.

1шт.

14

F38014

WIRE - dome light (Std. roof) (Black - 20")

1шт.

15

F37975

SWITCH - dome light

1шт.

16

F37998

LIGHT - dome

1шт.

17

205-17

PLUG - button

1шт.

18

F37974

PANEL - instrument

1шт.

19

F37958

SWITCH - reversing

1шт.

20

F37962

NUT

1шт.

21

F37972

LIGHT - amber

1шт.

22

F37950

CONNECTOR

2шт.

23

F37944

SWITCH - thermo

1шт.

24

F37953

CORE - evaporator

1шт.

25

F37999

TRAY - evaporator

1шт.

26

F38028

NUT

FOAM

1шт.

27

TUBE - drain, 88"

1шт.

28

TUBE - drain, 43"

1шт.

29

F38016

TEE

1шт.

30

TUBE - drain, 24"

1шт.

31

F37956

VALVE - expansion

1шт.

32

F37967

X

CLAMP

1шт.

33

F38046

TUBE -, Serial Range: evaporator-compressor

1шт.

34

F38045

TUBE -, Serial Range: evaporator-condenser

1шт.

35

F37989

HARNESS - wire, air conditioner

1шт.

BLACK - amber lite wire, 5" 16 ga.

1шт.

BLACK - rev. sw. to condenser fan, 172" 12 ga.

1шт.

YELLOW - thermo. sw. to control sw.

1шт.

RED - rev. sw. to condenser fan

1шт.

BROWN - rev. sw. to condenser fan

1шт.

BLACK - cond. fan to thermo sw., 38" 14 ga.

1шт.

36

F37993

COVER - tube

1шт.

37

F37938

CLIP - wire

4шт.

38

F37968

X

CLAMP

6шт.

39

F38043

TUBE -, Serial Range: evaporator-condenser

1шт.

40

F37976

COVER - condenser

1шт.

41

F38003

SCREW

4шт.

42

205-61

HOLE PLUG BUTTON,1 1/2"

PLUG - button

1шт.

43

F37947

FOAM - 32.50"

2шт.

44

F38060

LOCK NUT

STICKERTITE - 32.375"

2шт.

Выбрано товаров: 55