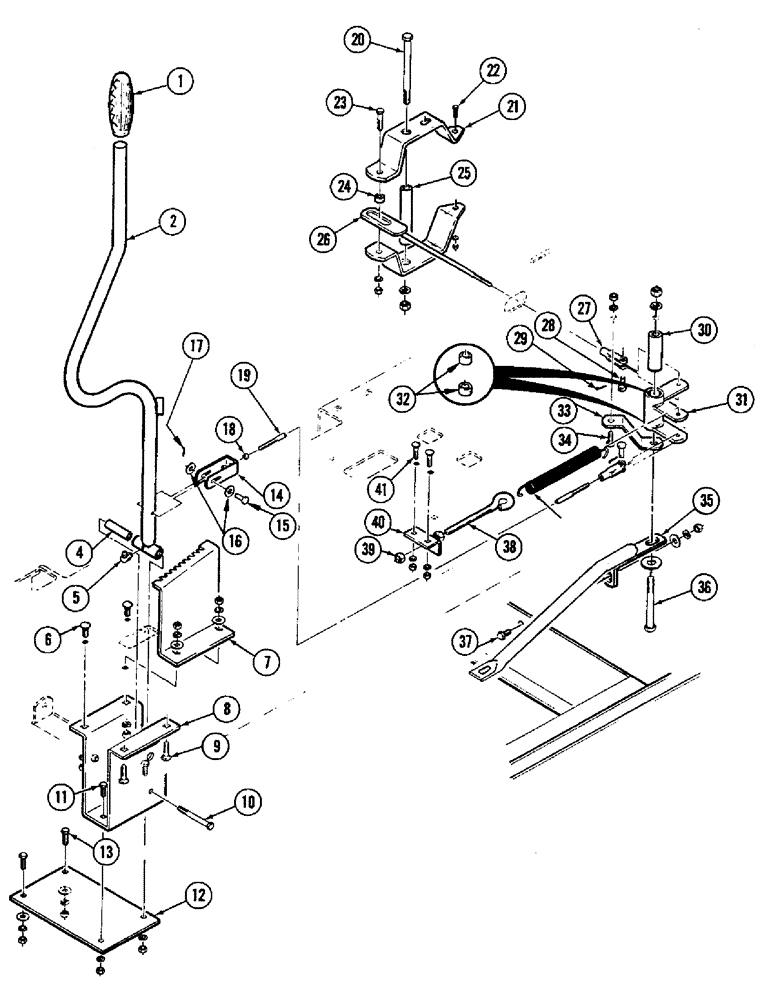
Запчасти Case IH 1075 (030) - VARI-DRIVE CONTROL (58) - ATTACHMENTS/HEADERS

Схема запчастей Case IH 1075 - (030) - VARI-DRIVE CONTROL (58) - ATTACHMENTS/HEADERS
FIT
1:1
100%

Артикул

Название

Примечание

Количество

1

FHO27086

X

GRIP

1шт.

2

F37291

LEVER

1шт.

3

NOT USED

1шт.

4

F37075

BUSHING

1шт.

5

219-58

FITTING

- grease

1шт.

6

111-317

CARRIAGE BOLT,Short NK, 3/8"-16 x 1", G2

BOLT, CARRIAGE, Short NK, 3/8"-16 x 1", G2

2шт.

7

F37289

QUADRANT

1шт.

8

F37204

MOUNTING - lever

1шт.

9

111-319

CARRIAGE BOLT,Short NK, 3/8"-16 x 1 1/4", G2

BOLT, CARRIAGE, Short NK, 3/8"-16 x 1 1/4", G2

2шт.

10

113-241

BOLT,Hex, 3/8" - 16 x 3", Gr 5

1шт.

11

113-206

BOLT,Hex, 3/8" - 16 x 3/4", Gr 5, Full Thd

2шт.

12

F37112

BRACKET

1шт.

13

113-207

BOLT,Hex, 3/8" - 16 x 1", Gr 5

2шт.

14

F37113

BRACKET

1шт.

15

FHO63784

PIN - clevis 1/4 x 1-1/2"

1шт.

16

195-18

WASHER,1/4"

- flat 1/4"

2шт.

17

132-5

COTTER PIN,1/16" x 1/2"

Pin, Split (Cotter), 1/16" x 1/2"

1шт.

18

25-114

NUT,1/4"-28, G5

- 1/4" N.F. hex.

2шт.

19

F37109

ROD

1шт.

20

13-8104

BOLT,Hex, 1/2" - 13 x 6-1/2", Gr 5

1шт.

21

F37399

ARM - bellcrank

2шт.

22

113-208

BOLT,Hex, 3/8" - 16 x 1-1/4", Gr 5

1шт.

23

113-209

BOLT,Hex, 3/8" - 16 x 1-1/2", Gr 5

1шт.

24

F37116

SPACER

1шт.

25

F37115

SPACER

1шт.

26

F37076

LINK

1шт.

27

F37045

X

CLEVIS

2шт.

28

PIN - clevis 5/16 x 1"

2шт.

29

132-5

COTTER PIN,1/16" x 1/2"

Pin, Split (Cotter), 1/16" x 1/2"

2шт.

30

F37117

BUSHING

1шт.

31

F37200

PIVOT

1шт.

32

F37052

BEARING

2шт.

33

F37106

STRAP

1шт.

34

113-206

BOLT,Hex, 3/8" - 16 x 3/4", Gr 5, Full Thd

1шт.

35

F37863

VANEUM GAUGE

BRACE

1шт.

36

113-429

BOLT,Hex, 1/2" - 13 x 5", Gr 5

1шт.

37

113-207

BOLT,Hex, 3/8" - 16 x 1", Gr 5

1шт.

38

F37373

DRAWBOLT

1шт.

39

25-106

NUT,3/8"-16, G5

- 3/8" N.C. hex.

2шт.

40

F37110

BRACKET

1шт.

41

111-202

CARRIAGE BOLT,Short NK, 5/16"-18 x 3/4", G2

BOLT, CARRIAGE, Short NK, 5/16"-18 x 3/4", G2

2шт.

42

F37353

SPRING

1шт.

Выбрано товаров: 42