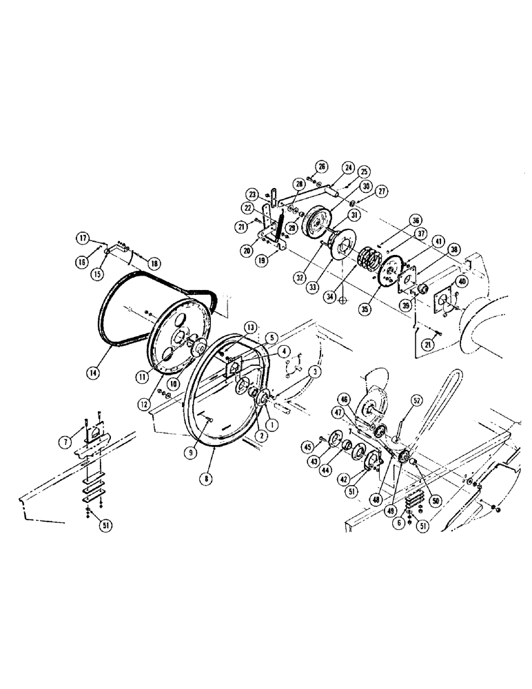
Запчасти Case IH 1075 (052) - AUGER AND REEL DRIVE (58) - ATTACHMENTS/HEADERS

Схема запчастей Case IH 1075 - (052) - AUGER AND REEL DRIVE (58) - ATTACHMENTS/HEADERS
FIT
1:1
100%

Артикул

Название

Примечание

Количество

1

T27207

FLANGED BEARING

FLANGE

2шт.

2

F37035

BEARING

1шт.

3

111-317

CARRIAGE BOLT,Short NK, 3/8"-16 x 1", G2

BOLT, CARRIAGE, Short NK, 3/8"-16 x 1", G2

3шт.

4

F37256

SUPPORT - bearing, R.H.

1шт.

5

195-525

WASHER,3/8", SAE

- 3/8" flat

3шт.

6

F37134

SHIM

6шт.

7

113-233

BOLT,Hex, 3/8" - 16 x 1-3/4", Gr 5

4шт.

8

F37326

TRACK - cam

1шт.

9

111-366

BOLT,Short NK, 3/8"-16 x 1 1/4", G5, Full Thd

- 3/8 x 1-1/4" rhd. sq. nk.

3шт.

10

F37767

HUB

1шт.

11

FHO61796

KEY - 3/8 x 3/8 x 1-3/4" Gib

1шт.

12

F35203

SHEAVE

- reel drive

1шт.

13

113-207

BOLT,Hex, 3/8" - 16 x 1", Gr 5

4шт.

14

FHO57471

BELT - reel drive

1шт.

15

F37237

LOCK NUT

ARM - pivot, auger tine adjustment

1шт.

16

T33565

BUCKET TOOTH KEY

KEY - 1/4 x 1/4 x 1"

1шт.

17

83-55

SET SCREW,Hex Soc, 5/16"-18 x 5/16", Cup Pt

1шт.

18

111-520

CARRIAGE BOLT,Short NK, 1/2"-13 x 1 1/4", G2

BOLT - 1/2 x 1-1/4" rhd. sq. nk.

1шт.

19

F37236

LOCK NUT

BRACKET

1шт.

20

F37154

CLIP

1шт.

21

113-207

BOLT,Hex, 3/8" - 16 x 1", Gr 5

2шт.

22

F37352

SPRING

1шт.

23

F37143

EAR - spring

1шт.

24

F37222

ARM - idler

1шт.

25

219-10

LUBE NIPPLE,1/4" - 28 NPTF

FITTING - grease

1шт.

26

113-433

BOLT,Hex, 1/2" - 13 x 3/4", Gr 5, Full Thd

1шт.

27

F41695

WASHER

BUSHING - 1" x 10 ga. mach.

2шт.

28

195-533

WASHER,1/2", SAE

- 1/2" flat

1шт.

29

T25681

SPACER

1шт.

30

F37053

SHEAVE - idler

1шт.

31

113-426

BOLT,Hex, 1/2" - 13 x 2-3/4", Gr 5

Hex, 1/2"-13 x 2 3/4", G5

1шт.

32

113-104

BOLT,Hex, 5/16" - 18 x 1-1/4", Gr 5

6шт.

33

F37309

SHEAVE - half

1шт.

34

F37137

SPACER - half

8шт.

35

F37235

SHEAVE - half

1шт.

36

F37354

LOCK NUT

KEY - 3/8 x 3/8 x 1"

1шт.

37

83-55

SET SCREW,Hex Soc, 5/16"-18 x 5/16", Cup Pt

2шт.

38

FH163717

FLANGE

1шт.

39

FHO51318

NO LONGER SERVICED

BEARING

1шт.

F59131

COLLAR

1шт.

40

F37417

BRACKET - mounting

1шт.

41

129-105

NUT,Hex, 1/2" - 13, Gr 5

4шт.

42

F37257

SUPPORT - bearing L.H.

1шт.

43

F62225

FLANGE

2шт.

44

2419CHA

SPHERICAL BEARING,31.75mm ID x 62mm OD x 18mm W

BEARING

1шт.

F62226

COLLAR

1шт.

45

111-317

CARRIAGE BOLT,Short NK, 3/8"-16 x 1", G2

BOLT, CARRIAGE, Short NK, 3/8"-16 x 1", G2

3шт.

46

113-427

BOLT,Hex, 1/2" - 13 x 3-1/4", Gr 5

1шт.

47

113-425

BOLT,Hex, 1/2" - 13 x 3", Gr 5

1шт.

48

F37098

CHAIN - auger drive (See chain page)

1шт.

49

F78573

SPROCKET ASSY.

SPROCKET - idler 17T (Before 8375851)

2шт.

50

F37133

SPACER

2шт.

51

195-525

WASHER,3/8", SAE

- 3/8" flat

5шт.

52

F38195

DRAWBOLT (8377801 thru 8377830)

1шт.

Выбрано товаров: 54