Запчасти Case IH 1075 (094) - HAY CONDITIONER, DRAPER HEADER (58) - ATTACHMENTS/HEADERS

Схема запчастей Case IH 1075 - (094) - HAY CONDITIONER, DRAPER HEADER (58) - ATTACHMENTS/HEADERS
FIT
1:1
100%

Артикул

Название

Примечание

Количество

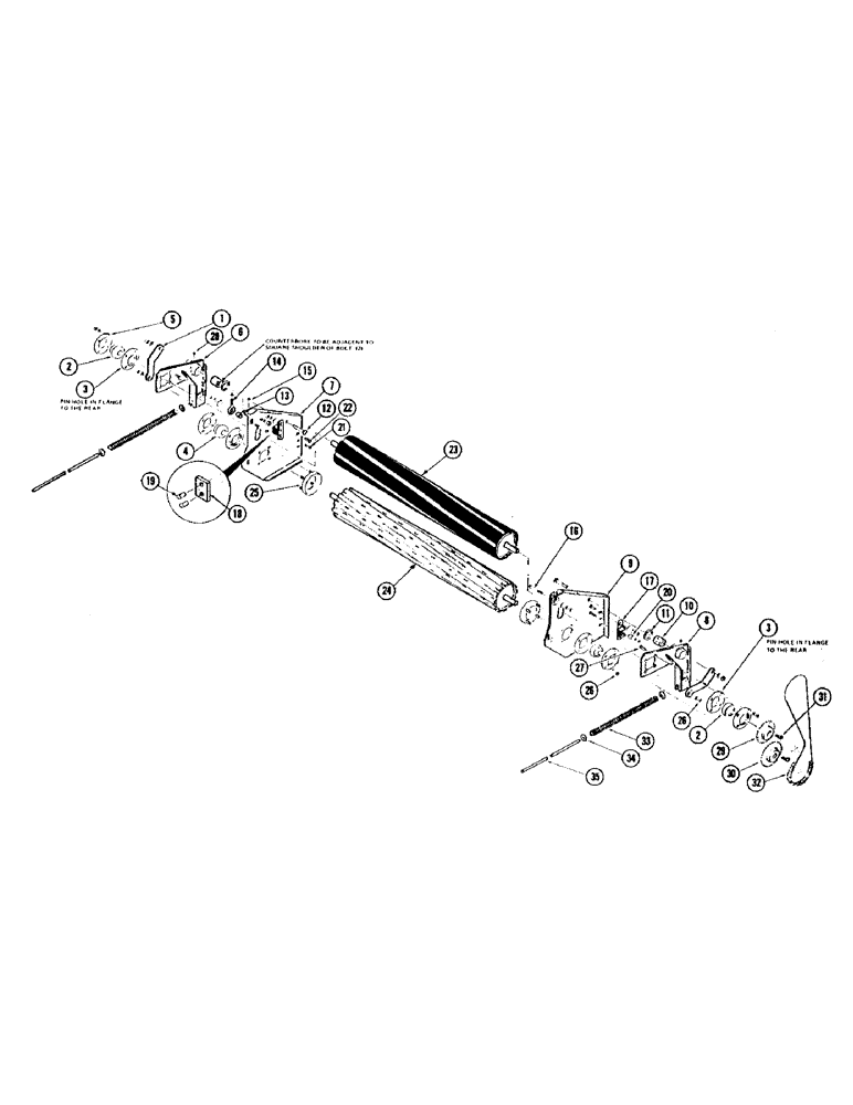
1

F37131

STRAP - pivot

2шт.

2

F37037

BEARING

2шт.

F62107

COLLAR

1шт.

3

F37259

FLANGE

2шт.

4

F77924

BEARING

2шт.

F62107

COLLAR

1шт.

5

F8944

FLANGE

6шт.

6

F37488

ARM - pivot, R.H.

1шт.

7

F37476

PLATE - mounting, R.H.

1шт.

8

F37487

ARM - pivot, L.H.

1шт.

9

F37477

PLATE - mounting, L.H.

1шт.

10

FH315556

PIN

2шт.

11

F37132

WASHER - pivot arm

2шт.

12

11-1256

BOLT - 3/4 x 3-1/2" N.C. rhd. sq. nk.

2шт.

129-148

JAM NUT,Jam, 3/4"-10, G5

- 3/4" N.C. hex. jam

2шт.

192-27

LOCK WASHER,3/4"

WASHER, LOCK, 3/4"

2шт.

13

F37814

SPACER

2шт.

14

EYEBOLT

2шт.

15

129-145

JAM NUT,Jam, 1/2"-13, G5

4шт.

16

113-421

BOLT,Hex, 1/2" - 13 x 2", Gr 5

2шт.

17

F37130

LOCK NUT

STOP - pivot

2шт.

18

FH727727

PAD

1шт.

19

FHO64592

RIVET

2шт.

20

FH298158

ADJUSTER - stop

2шт.

21

111-361

CARRIAGE BOLT,Short NK, 3/8"-16 x 1 1/2", G5

BOLT, CARRIAGE, Short NK, 3/8"-16 x 1 1/2", G5

2шт.

22

111-517

CARRIAGE BOLT,Short NK, 1/2"-13 x 1", G5

BOLT - 1/2 x 1" N.C. rhd. sq. nk.

4шт.

23

F37265

JUNCTION BLOCK

ROLL - upper, molded

1шт.

24

F37305

ROLL - lower, conditioner

1шт.

25

F35059

RING - grass

2шт.

26

129-105

NUT,Hex, 1/2" - 13, Gr 5

8шт.

27

111-536

CARRIAGE BOLT,Short NK, 1/2"-13 x 1 1/4", G5

BOLT - 1/2 x 1-1/4" N.C. rhd. sq. nk.

8шт.

28

219-37

LUBE NIPPLE,45 Degree Elbow, 1/4" - 28 NPTF

FITTING - grease

2шт.

29

FHO85969

SPROCKET - 23T

1шт.

30

FHO85977

SPROCKET - 28T

1шт.

31

FHO61432

KEY

- Gib

2шт.

32

F37881

CHAIN - drive (See chain page)

1шт.

33

F37043

SPRING

2шт.

34

195-109

WASHER,3/4"

- flat 3/4"

4шт.

35

F37213

LOCK NUT

ROD - tension

2шт.

Выбрано товаров: 39