Запчасти Case IH 1075 (098) - GAUGE WHEELS, DRAPER HEADER (58) - ATTACHMENTS/HEADERS

Схема запчастей Case IH 1075 - (098) - GAUGE WHEELS, DRAPER HEADER (58) - ATTACHMENTS/HEADERS
FIT
1:1
100%

Артикул

Название

Примечание

Количество

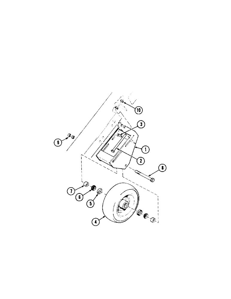
1

FH455931

BRACKET

2шт.

2

BOLT - 1/2 x 10" N.C. hex. full thread

2шт.

3

11-820

BOLT,Short NK, 1/2"-13 x 1 1/4", G2

- 1/2 x 1-1/4" N.C. rhd. sq. nk.

8шт.

4

FHO26476

RIM AND TIRE

2шт.

5

B12410

BEARING, CUP,1.782" OD

CUP

2шт.

6

FH711044

BEARING

CONE

4шт.

7

FH337527

SPACER

4шт.

8

13-12120

BOLT,Hex, 3/4" - 10 x 7-1/2", Gr 5

- 3/4 x 7-1/2" N.C. hex.

2шт.

9

129-148

JAM NUT,Jam, 3/4"-10, G5

- 3/4" N.C. hex. jam

4шт.

10

129-105

NUT,Hex, 1/2" - 13, Gr 5

4шт.

Выбрано товаров: 10