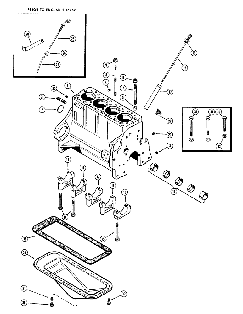
Запчасти Case IH 1150 (121A) - CYLINDER BLOCK ASSY, 188 DIESEL ENGINE, FOR NARROW FLANGED SLEEVES, USED PROR TO ENG. S.N. 2610997 (10) - ENGINE

Схема запчастей Case IH 1150 - (121A) - CYLINDER BLOCK ASSY, 188 DIESEL ENGINE, FOR NARROW FLANGED SLEEVES, USED PROR TO ENG. S.N. 2610997 (10) - ENGINE
FIT
1:1
100%

Артикул

Название

Примечание

Количество

A36315

BLOCK ASSY. - short (Casting no. A36295) Order A40817 from page 118

1шт.

A40592

BLOCK ASSY. - short (Casting no. A36771) Order A40817 from page 118 (Includes stripped block, crankshaft and brgs., camshaft and gear, pistons and conn. rods and oil pump assy.)

1шт.

1

A36309

BLOCK ASSY. - stripped (Casting no. A36295) Order A40818 from page 118

1шт.

1

A40590

BLOCK ASSY. - stripped (Casting no. A36771) Order A40818 from page 118

1шт.

2

A39241

PLUG,Exp, 2.12" dia

- camshaft opening (2-1/8" dia.)

1шт.

3

G49070

PLUG

- drilled, oil gallery front

1шт.

4

221-32

PLUG,Sq Soc, 3/8"-18 NPTF

- heater plug opening (3/8" P.T. socket hd.)

1шт.

5

G49608

RING

DOWEL -, Serial Range: head-block

2шт.

7

A36904

STUD

- head to block (1/2" N.C. x 4")

4шт.

7

A36902

STUD

- head to block (1/2" N.C. x 5-5/8")

11шт.

7

A36905

STUD

- head to block (1/2" N.C. x 6")

2шт.

8

A36903

STUD

- head and cover

2шт.

9

A37030

FLANGE NUT

- head stud (1/2" N.C. flanged)

19шт.

10

G2126

CAP

- front crankshaft brg.

1шт.

11

G2128

CAP

- intermediate crankshaft brg.

2шт.

12

G2127

CAP

- center crankshaft brg.

1шт.

13

G2129

CAP

- rear crankshaft brg.

1шт.

14

G49078

BOLT - bearing caps (1/2 x 4-1/2" N.C. spec.)

8шт.

15

G49077

BOLT

- front brg. cap (1/2 x 5-1/8" N.C. spec.)

2шт.

16

A41332

BUSHING SET - camshaft (Pre-sized)

1шт.

17

A37149

TUBE

- dipstick (1st used eng. S.N. 2117952)

1шт.

18

A37148

DIPSTICK

- oil level (1st used eng. S.N. 2117952)

1шт.

19

F62075

O-RING,0.139" Thk x 0.734" ID, -210, Cl 5, 75 Duro

"O" RING - dipstick seal (3/4 x 1 x 1/8")

2шт.

20

217-433

PLUG,Hex Soc, 1/4" - 18 NPTF

Oil gallery Hex Soc, 1/4"-18 NPTF

2шт.

21

A29365

STUD - engine mounting (5/8" N.C. x 2-1/2")

2шт.

22

217-103

COCK, DRAIN

COCK - drain, cyl. block (1/4" P.T.)

1шт.

25

A36520

DIPSTICK - oil level (Eng. prior to S.N. 2117952)

1шт.

26

G46892

OIL SEAL

- dipstick

1шт.

27

A36181

TUBE - dipstick (Eng. prior to S.N. 2117952)

1шт.

28

A36184

BRACE - dipstick support (Eng. prior to S.N. 2117952)

1шт.

30

A35372

BOLT (SPREADER)

BOLT - head to block (1/2 x 5-1/2") See note

2шт.

31

A35371

BOLT

- head to block (1/2 x 5") See note

11шт.

32

A35370

BOLT

BOLT - head to block (1/2 x 4") See note

4шт.

33

A37029

WASHER

- head bolt (See note)

17шт.

35

A36717

PAN

ASSY. - oil OIL PAN

1шт.

36

A14280

PLUG

- drain OIL PAN

1шт.

37

A27927

OIL PAN GASKET SET

- drain plug OIL PAN

1шт.

38

NSS

NOT SOLD SEPARAT

GASKET - oil pan (Order A40712 from page 130) OIL PAN

1шт.

39

193-514

SCREW,SEMS, Hex Hd, 5/16"-18 x 3/4"

BOLT - oil pan (Includes lock washer) OIL PAN

18шт.

Выбрано товаров: 39