Запчасти Case IH 1150 (122) - CAMSHAFT, 188 DIESEL ENGINE (10) - ENGINE

Схема запчастей Case IH 1150 - (122) - CAMSHAFT, 188 DIESEL ENGINE (10) - ENGINE
FIT
1:1
100%

Артикул

Название

Примечание

Количество

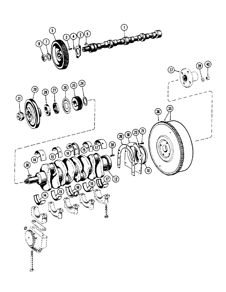
1

A36853

X

CAMSHAFT

1шт.

2

A29290

PLATE

- thrust

1шт.

3

A30056

SCREW,Hex, 5/16" - 18 x 1/2"

- thrust plate (5/16 x 1/2" N.C. spec.)

2шт.

4

193-9

LOCK WASHER,Ext Tooth, 5/16"

WASHER, LOCK, Ext Tooth, 5/16"

2шт.

5

G2066

X

GEAR - camshaft timing

1шт.

6

126-12

WOODRUFF KEY,#6, 5/32" x 5/8"

Timing gear #6, 5/32" x 5/8"

1шт.

7

A29438

LOCK NUT

WASHER - tab, gear ret. nut

1шт.

8

A30063

NUT

- timing gear retaining

1шт.

12

A37211

CRANKSHAFT

(Replaces G11889 for windrower) CRANKSHAFT AND FLYWHEEL

1шт.

14

A36480

BEARING LINER,73.69mm ID x 78.54mm OD x 32.66mm W

INSERT ASSY. - main brg., front (Std.) CRANKSHAFT AND FLYWHEEL

1шт.

14

A36481

LINING

INSERT ASSY. - main brg., front (-.002") CRANKSHAFT AND FLYWHEEL

1шт.

14

A36482

BEARING LINER,73.44mm ID x 78.54mm OD x 32.66mm W

INSERT ASSY. - main brg., front (-.010") CRANKSHAFT AND FLYWHEEL

1шт.

14

A36483

LINING

INSERT ASSY. - main brg., front (-.020") CRANKSHAFT AND FLYWHEEL

1шт.

14

A36484

LINING

INSERT ASSY. - main brg., front (-.030") CRANKSHAFT AND FLYWHEEL

1шт.

15

A36485

LINING

INSERT ASSY. - main brg., inter. (Std.) CRANKSHAFT AND FLYWHEEL

2шт.

15

A36486

LINING

INSERT ASSY. - main brg., inter. (-.002") CRANKSHAFT AND FLYWHEEL

2шт.

15

A36487

BEARING LINER,73.44mm ID x 78.54mm OD x 25.4mm W

INSERT ASSY. - main brg., inter. (-.010") CRANKSHAFT AND FLYWHEEL

2шт.

15

A36488

CRANKSHAFT BEARING,3.067" ID x 3.092" OD x 1"

INSERT ASSY. - main brg., inter. (-.020") CRANKSHAFT AND FLYWHEEL

2шт.

15

A36489

LINING

INSERT ASSY. - main brg., inter. (-.030") CRANKSHAFT AND FLYWHEEL

2шт.

16

A36490

BEARING LINER,73.41mm ID x 96.84mm OD x 34.87mm W

INSERT ASSY. - main brg., center (Std.) CRANKSHAFT AND FLYWHEEL

1шт.

16

A36491

LINING

INSERT ASSY. - main brg., center (-.002") CRANKSHAFT AND FLYWHEEL

1шт.

16

A36492

BEARING LINER,73.66mm ID x 96.84mm OD x 34.87mm W

INSERT ASSY. - main brg., center (-.010") CRANKSHAFT AND FLYWHEEL

1шт.

16

A36493

BEARING LINER,73.66mm ID x 96.84mm OD x 34.87mm W

INSERT ASSY. - main brg., center (-.020") CRANKSHAFT AND FLYWHEEL

1шт.

16

A36494

LINING

INSERT ASSY. - main brg., center (-.030") CRANKSHAFT AND FLYWHEEL

1шт.

17

A36495

BEARING LINER,73.72mm ID x 78.54mm OD x 39.69mm W

INSERT ASSY. - main brg., rear (Std.) CRANKSHAFT AND FLYWHEEL

1шт.

17

A36496

LINING

INSERT ASSY. - main brg., rear (-.002") CRANKSHAFT AND FLYWHEEL

1шт.

17

A36497

BEARING LINER,73.44mm ID x 78.54mm OD x 39.69mm W

INSERT ASSY. - main brg., rear (-.010") CRANKSHAFT AND FLYWHEEL

1шт.

17

A36498

KIT

INSERT ASSY. - main brg., rear (-.020") CRANKSHAFT AND FLYWHEEL

1шт.

17

A36499

BEARING LINER

INSERT ASSY. - main brg., rear (-.030") CRANKSHAFT AND FLYWHEEL

1шт.

18

G2017

RETAINER

- rear oil seal CRANKSHAFT AND FLYWHEEL

1шт.

19

A36610

OIL SEAL

- oil, rear (4 x 5 x 1/2") CRANKSHAFT AND FLYWHEEL

1шт.

20

A38196

GASKET

- rear oil seal retainer CRANKSHAFT AND FLYWHEEL

1шт.

21

13-412

BOLT,Hex, 1/4" - 20 x 3/4", Gr 5, Full Thd

Crankshaft and flywheel Hex, 1/4"-20 x 3/4", G5, Full Thd

4шт.

21

13-416

BOLT,Hex, 1/4" - 20 x 1", Gr 5

Retainer, Crankshaft and flywheel Hex, 1/4"-20 x 1", G5

3шт.

23

92-4

LOCK WASHER,1/4"

WASHER, LOCK, , Crankshaft and flywheel 1/4"

7шт.

24

A29294

BUSHING

WASHER - thrust, timing gear CRANKSHAFT AND FLYWHEEL

1шт.

25

A29263

GEAR

- crankshaft timing CRANKSHAFT AND FLYWHEEL

1шт.

26

A29259

SLINGER

- oil CRANKSHAFT AND FLYWHEEL

1шт.

27

A36609

OIL SEAL

- oil, front (2-1/8 x 3 x 1/2") CRANKSHAFT AND FLYWHEEL

1шт.

28

NSS

NOT SOLD SEPARAT

SEAL - dust, crankshaft pulley (Used some early model eng.; not available thru repairs) (2-1/16 x 3-1/16 x 1/2" felt) CRANKSHAFT AND FLYWHEEL

1шт.

29

G11342

X

PULLEY - fan & generator drive CRANKSHAFT AND FLYWHEEL

1шт.

30

126-216

WOODRUFF KEY,Hi-Pro, 1" Dia x 1/4" x 1 1/16"

KEY - pulley & gear (1/4 x 1-1/16" Hi-Pro) CRANKSHAFT AND FLYWHEEL

2шт.

31

A35673

NUT

- pulley retaining CRANKSHAFT AND FLYWHEEL

1шт.

35

G37061

FLYWHEEL ASSY. CRANKSHAFT AND FLYWHEEL

1шт.

36

G11710

GEAR

- starter ring CRANKSHAFT AND FLYWHEEL

1шт.

37

F3408

HUB - driving CRANKSHAFT AND FLYWHEEL

1шт.

38

G11374

STUD

- flywheel (7/16" N.F. x 2-1/4") CRANKSHAFT AND FLYWHEEL

4шт.

39

92-7

LOCK WASHER,7/16"

crankshaft and flywheel 7/16"

4шт.

40

25-117

NUT,7/16"-20, G5

- (7/16" N.F. hex.) CRANKSHAFT AND FLYWHEEL

4шт.

Выбрано товаров: 49