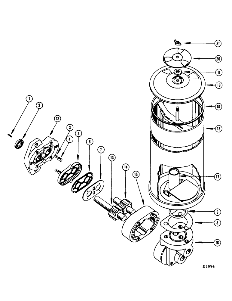
Запчасти Case IH 1150 (034) - PARTS FOR FHO42820 HYDRAULIC PUMP (35) - HYDRAULIC SYSTEMS

Схема запчастей Case IH 1150 - (034) - PARTS FOR FHO42820 HYDRAULIC PUMP (35) - HYDRAULIC SYSTEMS
FIT
1:1
100%

Артикул

Название

Примечание

Количество

1

FHO40667

X

KEY - drive gear shaft

1шт.

FH730283

KIT

- repair, for FHO42820 pump

1шт.

2

FHO40626

SEAL - shaft

1шт.

3

211-6

BALL,7/32" Dia

steel, front plate 7/32" Dia

2шт.

4

F9883

SPRING

- steel ball

2шт.

5

FHO40659

SEAL

- diaphragm

1шт.

6

FHO40618

OIL SEAL

GASKET - back up

1шт.

7

FHO40600

BODY

DIAPHRAGM

1шт.

8

FH730259

GASKET

- reservoir

1шт.

9

F8220

O-RING,0.103" Thk x 1.487" ID, -128, Cl 5, 75 Duro

"O" RING - (1-11/16" O.D. x 1-1/2" I.D.) Base of ref. 17 filter

1шт.

10

FHO40758

GASKET - reservoir lid

1шт.

11

FHO40741

FILTER - air

1шт.

12

FHO40642

PLATE

- front

1шт.

13

FHO40675

GEAR - drive (Includes shaft)

1шт.

14

FHO40683

GEAR

- idler (Includes shaft)

1шт.

15

FHO40725

BODY

- pump, with dowel pins

1шт.

16

FH730242

PLATE - back

1шт.

BOLT - 5/16" x 2-3/4" N.C. hex. (13-544)

2шт.

SCREW - 5/16" x 2-3/4" N.C. soc. pt. set (166-33)

2шт.

17

FH730275

FILTER

- reservoir

1шт.

18

FH730515

RESERVOIR - for hydraulic pump

1шт.

BOLT - 5/16" x 5/8" N.C. hex. (13-510) L.W. (92-5)

3шт.

FH733733

LID - reservoir; assembly (Order ref. 19 and 20)

1шт.

19

FHO40790

LID - reservoir

1шт.

20

FHO40782

CAP - breather

1шт.

21

129-409

WING NUT,1/4"-20

NUT, WING, , For reservoir lid 1/4"-20

1шт.

Выбрано товаров: 26