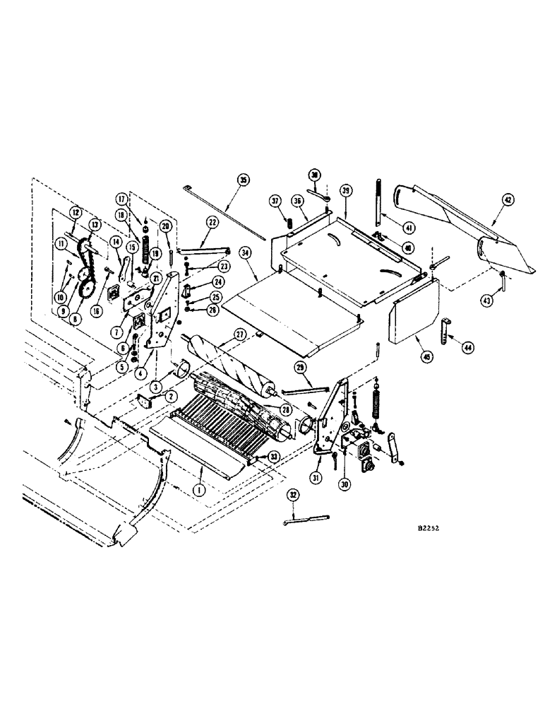
Запчасти Case IH 1150 (058) - HAY CONDITIONER, 8262501 AND AFTER (58) - ATTACHMENTS/HEADERS

Схема запчастей Case IH 1150 - (058) - HAY CONDITIONER, 8262501 AND AFTER (58) - ATTACHMENTS/HEADERS
FIT
1:1
100%

Артикул

Название

Примечание

Количество

1

FH292128

PLATE - filler, feeder grille

1шт.

BOLT - 5/16" x 3/4" N.C. hex. (13-512) Nut (25-105) and L.W. (92-5)

8шт.

2

FH287029

MOUNTING - slide

1шт.

BOLT - 3/8" x 1" N.C. hex. (13-616) Nut (25-106) L.W. (92-6)

2шт.

WASHER - 3/8" flat (95-6)

2шт.

3

FH292250

RING - roller

2шт.

NUT - 1/2" N.C. hex. (25-108) L.W. (92-8)

8шт.

4

FH404475

PANEL - R.H. (#8309801 and after) (Replaces FH338897 when stocks are exhausted)

1шт.

4

FH338897

PANEL - R.H. (Replaces FH313379 when stocks are exh.) (Replaced by FH404475 when stocks are exhausted)

1шт.

4

FH313379

PANEL - R.H. (Replaced by FH338897 when stocks are exh.)

1шт.

BOLT - 1/2" x 1-1/4" N.C. hex. (113-417) Nut (129-105) and L.W. (192-23)

1шт.

WASHER - 1/2" flat (195-106)

1шт.

5

FH316844

BOLT - draw

2шт.

BOLT - 1/2" x 1-1/4" N.C. hex. (113-417) L.W. (192-23) and fl. wshr. (195-106)

2шт.

NUT - 1/2" N.C. hex. (129-105)

4шт.

6

FH313429

FLANGE

HOUSING - with bearing, roller shafts

4шт.

F84032

BEARING

- with collar

1шт.

F62107

COLLAR

1шт.

7

FH313262

ARM - R.H. pivot

1шт.

FITTING - grease 1/4"-28 x 90 degrees (219-57)

1шт.

NUT - 1/2" N.C. hex. (25-108) L.W. (92-8)

4шт.

8

FHO85977

SPROCKET - (28T) Driven, drives conditioner roll

1шт.

9

FHO85969

SPROCKET - (23T) Driven, drives pressure roll

1шт.

10

FHO61432

KEY

- gib, roller sprockets

2шт.

11

FHO88799

CHAIN - conditioner drive (See chain page)

1шт.

12

FHO61622

KEY

- gib

1шт.

13

FHO86553

SPROCKET - (22T) Drives hay conditioner

1шт.

14

FH315549

BRACE - pivot

2шт.

BOLT - 1/2" x 1-1/4" N.C. hex. (13-820) Nut (25-108) and L.W. (92-8)

2шт.

WASHER - 1/2" flat (95-8)

2шт.

15

FH315556

PIN - pivot arm

2шт.

16

B90584

BOLT

- 3/4" x 4" rhd. sq. nk.

2шт.

NUT - 3/4" N.C. hex. (25-1012) L.W. (92-12)

2шт.

17

FH313411

NUT - spring

2шт.

18

FHO58867

SPRING - tension

2шт.

19

FH313403

HANGER - spring

2шт.

FITTING - grease 1/4"-28 x 90 degrees (219-57)

2шт.

PIN - cotter 3/16" x 2" (132-99)

2шт.

FHO52258

BUSHING - 1" x 14 ga. mach.

2шт.

20

FHO66456

BOLT - draw

2шт.

NUT - 5/8" N.C. hex. (25-1010)

2шт.

21

FH289124

WASHER

2шт.

22

FH313312

BRACE - R.H.

1шт.

BOLT - 3/8" x 1" rhd. sq. nk. (11-616) Nut (25-106) and L.W. (92-6)

2шт.

WASHER - 3/8" flat (95-6)

2шт.

FH398271

BRACE - R.H. (#8309801 and after)

1шт.

23

FHO72934

BOLT - 3/8" x 2-1/2" N.C. hex. full thrd.

2шт.

NUT - 3/8" N.C. hex. (25-106)

4шт.

24

FH313338

STOP - pivot

2шт.

BOLT - 3/8" x 1" N.C. hex. (13-616) Nut (25-106) L.W. (92-6)

4шт.

WASHER - 3/8" flat (95-6)

4шт.

Выбрано товаров: 0