Запчасти Case IH 1150 (060) - HAY CONDITIONER (CONTD), 8262501 AND AFTER (58) - ATTACHMENTS/HEADERS

Схема запчастей Case IH 1150 - (060) - HAY CONDITIONER (CONTD), 8262501 AND AFTER (58) - ATTACHMENTS/HEADERS
FIT
1:1
100%

Артикул

Название

Примечание

Количество

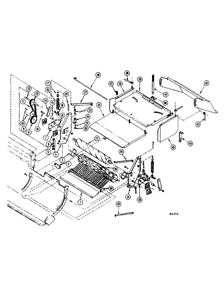
25

FH313437

BOLT - special

2шт.

LOCKWASHER - 1/2" (92-8)

2шт.

26

FH727065

BUMPER - (#8266001 and after)

2шт.

FHO27763

BUMPER - (Before #8266001)

2шт.

27

FHO27771

ROLLER - rubber

1шт.

28

FH292235

ROLL - conditioner (Replaced by FH412163 when stocks are exhausted)

1шт.

28

FH412163

ROLL - conditioner (Replaces FH292235 when stocks are exh.)

1шт.

29

FH313320

BRACE - L.H.

1шт.

BOLT - 3/8" x 1" rhd. sq. nk. (11-616) Nut (25-106) L.W. (92-6)

2шт.

WASHER - 3/8" flat (95-6)

2шт.

30

FH313254

ARM - L.H. pivot

1шт.

FITTING - grease 1/4"-28 x 90 degrees (219-57)

1шт.

NUT - 1/2" N.C. hex. (25-108) L.W. (92-8)

4шт.

31

FH407288

PANEL - L.H. (#8309801 and after) (Replaces FH338889 when exhausted)

1шт.

31

FH338889

PANEL - L.H. (Replaces FH313361 when stocks are exh.) (Replaced by FH407288 when stocks are exhausted)

1шт.

31

FH313361

PANEL - L.H. (Replaced by FH338889 when stocks are exh.)

1шт.

BOLT - 1/2" x 1-1/4" N.C. hex. (113-417) Nut (129-105) and L.W. (192-23)

1шт.

WASHER - 1/2" flat (195-106)

1шт.

32

FH407254

BRACE - (#8309801 and after)

2шт.

113-207

BOLT,Hex, 3/8" - 16 x 1", Gr 5

4шт.

33

FH312082

GRILL - feeder (Replaced by FH411025 when stocks are exh.)

1шт.

33

FH411025

GRILL - feeder (#8309801 and after) (Replaces FH312082 when exhausted)

1шт.

F53351M

PAN - feeder (Special - can be used in place of feeder grill)

1шт.

BOLT - 3/8" x 1" N.C. hex. (13-616) Nut (25-106)

1шт.

34

FH314997

SHIELD - intermediate

1шт.

35

FH292292

ROD

1шт.

SCREW - 5/16" x 3/4" rhd. mach. (173-217) Nut (129-102)

1шт.

WASHER - 5/16" flat (195-103)

1шт.

36

FH315937

SHIELD - R.H., windrow forming

1шт.

37

FHO58883

SPRING

2шт.

BOLT - 3/8" x 1-3/4" N.C. hex. (113-233) Nut (129-103) and L.W. (192-21)

2шт.

WASHER - 3/8" flat (195-104)

2шт.

38

FHO66423

LEVER - nut, forming shield

2шт.

LOCKWASHER - 3/8" (192-21) Fl. wshr. (195-104)

2шт.

39

FH315945

SHIELD - windrow

1шт.

40

FH238196

BRACKET - adjustment strap

2шт.

BOLT - 3/8" x 3/4" N.C. hex. (113-206) Nut (129-103) and L.W. (192-21)

2шт.

41

FH292284

STRAP - adjustment

1шт.

BOLT - 3/8" x 1" N.C. hex. (113-207) Nut (129-103) L.W. (192-21)

2шт.

WASHER - 3/8" flat (195-104)

1шт.

42

FH222406

SHIELD - deflector

1шт.

BOLT - 5/16" x 3/4" N.C. hex. (113-102) Nut (129-102) and L.W. (192-20)

2шт.

43

FHO66472

LEVER - nut, deflector shield

2шт.

BOLT - 5/16" x 1-1/4" rhd. sq. nk. (111-204)

2шт.

WASHER - 3/8" flat (195-104)

2шт.

44

FH292748

BRACKET - mounting

2шт.

BOLT - 3/8" x 1" N.C. hex. (113-207) Nut (129-103) and L.W. (192-21)

4шт.

BOLT - 3/8" x 3/4" N.C. hex. (113-206) Nut (129-103)

1шт.

45

FH315887

SHIELD - L.H. windrow forming

1шт.

Выбрано товаров: 49