Запчасти Case IH 1150 (062) - HAY CONDITIONER, BEFORE 8262501 (58) - ATTACHMENTS/HEADERS

Схема запчастей Case IH 1150 - (062) - HAY CONDITIONER, BEFORE 8262501 (58) - ATTACHMENTS/HEADERS
FIT
1:1
100%

Артикул

Название

Примечание

Количество

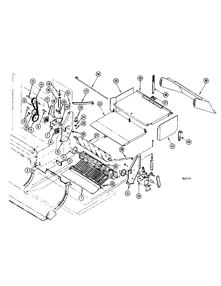
1

FH292128

PLATE - filler, feeder grill

1шт.

BOLT - 5/16" x 3/4" N.C. hex. (13-512) Nut (25-105) and L.W. (92-5)

8шт.

2

FH270447

DRAWBOLT, Serial Range: --header

2шт.

NUT - 3/8" N.C. hex. (25-106)

4шт.

3

FH287029

MOUNTING - slide

1шт.

BOLT - 3/8" x 1" N.C. hex. (13-616) Nut (25-106) and L.W. (92-6) Fl. wshr. (95-6)

2шт.

4

FH292250

RING - crusher roller

2шт.

NUT - 1/2" N.C. (25-108) L.W. (92-8)

8шт.

5

FH287003

PANEL - R.H. side

1шт.

BOLT - 1/2" x 1" N.C. hex. (13-816) Nut (25-108) and L.W. (92-8) Fl. wshr. (95-8)

2шт.

6

FH710491

X

HOUSING - roller shaft, with bearing (Replaced by FH313429 when stocks are exhausted) See p. 58

4шт.

NUT - 1/2" N.C. (25-108) L.W. (92-8)

8шт.

F84032

BEARING

- w/collar

4шт.

F62107

COLLAR

- bearing

4шт.

7

FH287136

ARM - R.H. pivot

1шт.

FITTING - grease 1/4"-28 x 90 degrees (219-20)

2шт.

NUT - 1/2" (25-108) L.W. (92-8)

8шт.

8

FH289215

BOLT - (5/8" x 3-5/8") Pivot braces

2шт.

9

FHO85977

SPROCKET - (28T) Driven, drives pressure and pickup roller

1шт.

10

FHO85969

SPROCKET - (23T) Driven, drives crusher roller

1шт.

11

FHO61432

KEY

- gib, one for ref. 9 and ref. 10 sprockets

2шт.

12

FHO86355

CHAIN - conditioner drive #60 (See chain page)

1шт.

13

FHO61622

KEY

- gib, for ref. 14 sprocket

1шт.

14

FHO85951

SPROCKET - (20T) Drives hay conditioner (Replaced by FHO86553 when stocks are exhausted) See p. 58

1шт.

15

FH143941

NUT - spring

2шт.

16

FHO58784

SPRING - tension

2шт.

17

FH289116

BRACE - pivot

2шт.

BOLT - 1/2" x 1-1/4" N.C. hex. (13-820) Nut (25-108) and L.W. (92-8) Fl. wshr. (95-8)

2шт.

18

FH287052

PIN - pivot arms

2шт.

19

FH289124

WASHER - (5" O.D. x 2-1/16" I.D. #14 ga.) Between pivot arms and panels

2шт.

20

FH289108

HANGER - spring

2шт.

PIN - cotter 3/16" x 2" (132-99)

2шт.

21

FHO73247

SCREW - (5/8" x 6-1/2" full thread cap) Tension adjustment

2шт.

NUT - 5/8" N.C. (25-1010)

2шт.

22

FH271676

BRACE - right

1шт.

BOLT - 3/8" x 1" N.C. hex. (13-616) Nut (25-106) and L.W. (92-6) Fl. wshr. (95-6)

1шт.

BOLT - 3/8" x 1-1/4" rhd. sq. nk. (11-620) Nut (25-106)

1шт.

23

FH265173

STOP - pivot

2шт.

BOLT - 3/8" x 1" N.C. hex. (13-616) Nut (25-106) and L.W. (92-6) Fl. wshr. (95-6)

4шт.

24

FHO27581

PAD

2шт.

25

FHO64013

RIVET - (.123 x 9/16" ctk.)

4шт.

26

230-4117

LOCK NUT,7/16"-14, GA

NUT - 5/8" Gripco lock, for ref. 8 bolt

2шт.

27

FHO27573

ROLLER - rubber (Replaced by FHO27771 when stocks are exhausted) See p. 60

1шт.

28

FH292235

ROLL - conditioner (Replaced by FH412163 when stocks are exhausted) See p. 60

1шт.

29

FH271668

BRACE - left

1шт.

BOLT - 3/8" x 1" N.C. hex. (13-616) Nut (25-106) and L.W. (92-6) Fl. wshr. (95-6)

1шт.

BOLT - 3/8" x 1" rhd. sq. nk. (11-616) Nut (25-106)

1шт.

Выбрано товаров: 47