Запчасти Case IH 1150 (064) - HAY CONDITIONER (CONTD), BEFORE 8262501 (58) - ATTACHMENTS/HEADERS

Схема запчастей Case IH 1150 - (064) - HAY CONDITIONER (CONTD), BEFORE 8262501 (58) - ATTACHMENTS/HEADERS
FIT
1:1
100%

Артикул

Название

Примечание

Количество

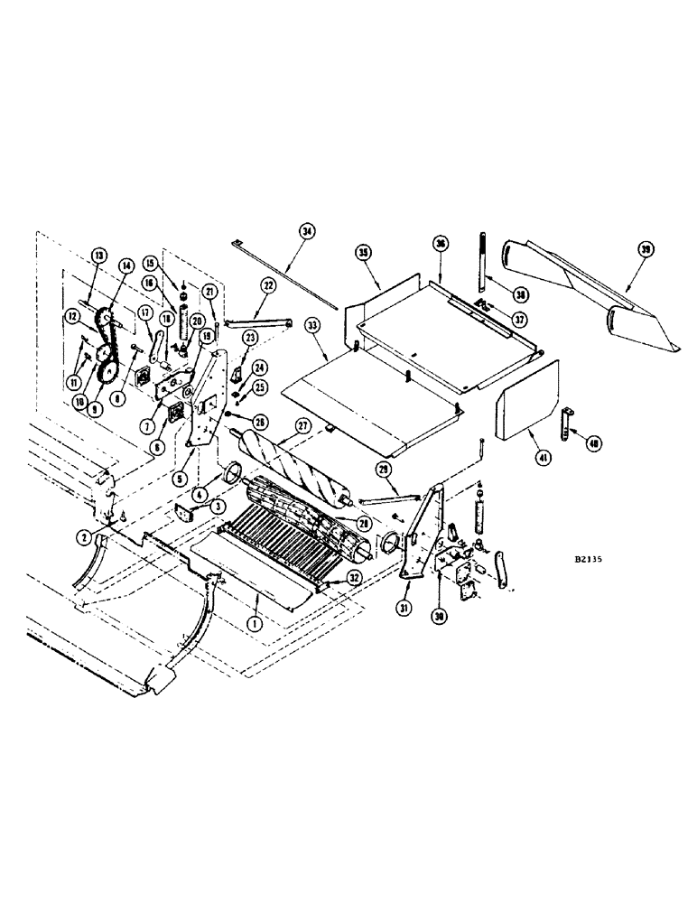
30

FH287128

ARM - L.H. pivot

1шт.

FITTING - grease 1/4"-28 x 90 degrees (219-20)

2шт.

NUT - 1/2" (25-108) L.W. (92-8)

8шт.

31

FH286997

PANEL - L.H. side

1шт.

BOLT - 1/2" x 1" N.C. hex. (13-816) Nut (25-108) and L.W. (92-8) Fl. wshr. (95-8)

2шт.

32

FH287466

GRILL - feeder

1шт.

BOLT - 3/8" x 1" N.C. hex. (13-616) Nut (25-106) Fl. wshr. (95-6)

1шт.

33

FH292185

SHIELD - intermediate

1шт.

BOLT - 1/2" x 3" N.C. hex. (113-425) Nut (129-105) L.W. (192-23)

1шт.

34

FH292292

ROD - through ref. 33 shield and ref. 36 deflector

1шт.

SCREW - 5/16" x 3/4" rhd. mach. (173-217) L.W. (192-20) and fl. wshr. (195-521)

1шт.

35

FH289405

SHIELD - R.H., windrow forming

1шт.

BOLT - 3/8" x 1" N.C. hex. (113-207) L.W. (192-21)

4шт.

36

FH292227

DEFLECTOR

1шт.

37

FH238196

BRACKET - for adjustment strap

2шт.

BOLT - 3/8" x 1" N.C. hex. (113-207) Nut (129-103) L.W. (192-21)

4шт.

38

FH292284

STRAP - adjustment, for deflector

1шт.

BOLT - 3/8" x 1" N.C. hex. (113-207) Nut (129-103) and L.W. (192-21) Fl. wshr. (195-525)

1шт.

39

FH222406

SHIELD - flipper deflector

1шт.

BOLT - 5/16" x 3/4" N.C. hex. (113-102) Nut (129-102) and L.W. (192-21) Fl. wshr. (195-521)

4шт.

40

FH292748

BRACKET - mounting

2шт.

BOLT - 3/8" x 1" N.C. hex. (113-207) Nut (129-103) L.W. (192-21)

4шт.

41

FH289397

SHIELD - L.H., windrow forming

1шт.

BOLT - 3/8" x 1" N.C. hex. (113-207) L.W. (192-21)

4шт.

Выбрано товаров: 24