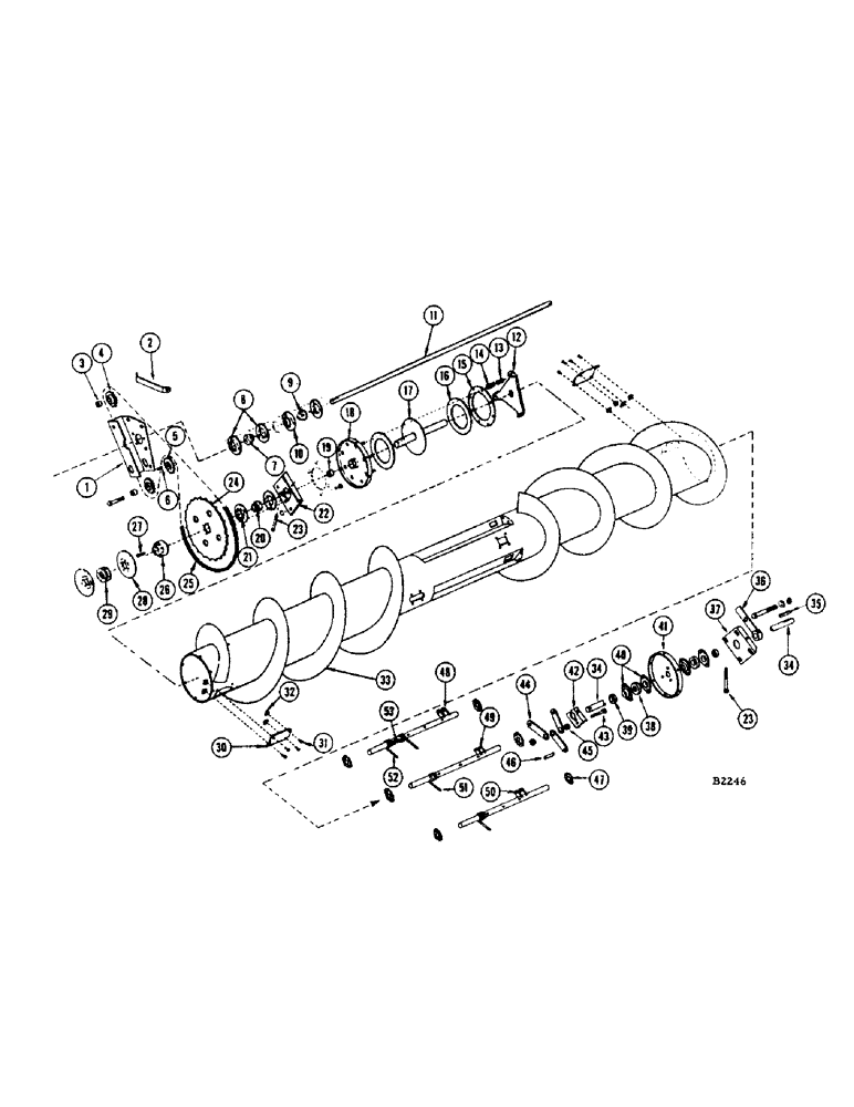
Запчасти Case IH 1150 (070) - HEADER AUGER AND DRIVE, 8262501 THRU 8266000 (58) - ATTACHMENTS/HEADERS

Схема запчастей Case IH 1150 - (070) - HEADER AUGER AND DRIVE, 8262501 THRU 8266000 (58) - ATTACHMENTS/HEADERS
FIT
1:1
100%

Артикул

Название

Примечание

Количество

1

FH316828

MOUNTING - bearing

1шт.

BOLT - 3/8" x 1" rhd. sq. nk. (11-616) Nut (25-106) L.W. (92-6)

3шт.

WASHER - 3/8" flat (95-6)

3шт.

2

FH308585

BRACE

1шт.

BOLT - 3/8" x 1" N.C. hex. (13-616) Nut (25-106) L.W. (92-6)

1шт.

WASHER - 3/8" flat (95-6)

1шт.

3

FH159459

SPACER - chain idler

2шт.

4

FHO47142

X

IDLER - chain

2шт.

BOLT - 1/2" x 3-1/4" N.C. hex. (13-856) Nut (25-108) and L.W. (92-8)

2шт.

WASHER - 1/2" flat (95-8)

4шт.

5

FHO85886

SPROCKET - auger drive (15T) Standard

1шт.

5

FHO86033

SPROCKET - auger drive (13T) Optional

1шт.

5

FHO86132

SPROCKET - auger drive (17T) Optional

1шт.

6

FHO61424

KEY

- gib

1шт.

7

F51085

BEARING

- power shaft, R.H. end

1шт.

O697CB

X

COLLAR - for F51085 bearing

1шт.

8

O650CB

X

FLANGE - for F51085 bearing

2шт.

BOLT - 3/8" x 1" rhd. sq. nk. (11-616) Nut (25-106) L.W. (92-6)

3шт.

9

F86298

BEARING ASSY

BEARING - power shaft, L.H. end

1шт.

O885CB

COLLAR - for F86298 bearing

1шт.

10

T17277

FLANGE

- for F86298 bearing

2шт.

BOLT - 3/8" x 3/4" rhd. sq. nk. (11-612) Nut (25-106) and L.W. (92-6)

3шт.

11

FH287300

SHAFT - power, right - 12 ft.

1шт.

11

FH287318

SHAFT - power, right - 14 ft.

1шт.

12

FH156018

BULKHEAD

1шт.

SCREW - 3/8" x 3/4" N.F. Phil. rhd. mach. (174-208)

3шт.

NUT - 3/8" N.F. (25-116) L.W. (92-6)

3шт.

13

131-4

LOCK NUT,5/16"-18, GB

NUT - 5/16" elastic stop, clutch spring

8шт.

WASHER - 5/16" flat (95-5)

8шт.

14

FHO58644

SPRING - clutch

8шт.

15

FH260745

PLATE - pressure, clutch

1шт.

16

FHO27565

DISC

- clutch

2шт.

17

FH260752

PLATE - clutch, with shaft

1шт.

18

FH260729

SUPPORT

BULKHEAD - R.H. outer

1шт.

19

FHO52563

BEARING

1шт.

SCREW - 3/8" x 3/4" N.F. Phil. rhd. mach. (174-208)

6шт.

NUT - 3/8" N.F. hex. (25-116) L.W. (92-6)

6шт.

20

2419CHA

SPHERICAL BEARING,31.75mm ID x 62mm OD x 18mm W

BEARING

1шт.

O697CB

X

COLLAR - for 2419CHA bearing

1шт.

21

O650CB

X

FLANGE - for 2419CHA bearing

2шт.

NUT - 3/8" N.C. hex. (25-106) L.W. (92-6)

3шт.

22

FH287334

MOUNTING - auger, R.H.

1шт.

BOLT - 3/8" x 1" rhd. sq. nk. (11-616) Nut (25-106) and L.W. (92-6)

4шт.

WASHER - 3/8" flat (95-6)

8шт.

23

FH264127

SCREW - auger adjusting

2шт.

NUT - 3/8" N.C. hex. (25-106)

4шт.

24

FH380691

SPROCKET - (Replaces FH287250 when stocks are exhausted)

1шт.

24

FH287250

SPROCKET - (Use FH380691 when stocks are exhausted)

1шт.

25

FHO86330

CHAIN - auger drive (See chain page)

1шт.

26

FH279273

HUB - sprocket

1шт.

BOLT - 3/8" x 1" N.C. hex. (13-616) L.W. (92-6)

4шт.

27

FHO61739

KEY

- gib, sprocket hub

1шт.

28

FH287458

SHEAVE - half (6-3/4" dia.) Slow reel speed

2шт.

BOLT - 5/16" x 1" N.C. hex. (13-516) L.W. (92-5)

4шт.

Выбрано товаров: 54