Запчасти Case IH 1150 (072) - HEADER AUGER AND DRIVE (CONTD), 8262501 THRU 8266000 (58) - ATTACHMENTS/HEADERS

Схема запчастей Case IH 1150 - (072) - HEADER AUGER AND DRIVE (CONTD), 8262501 THRU 8266000 (58) - ATTACHMENTS/HEADERS
FIT
1:1
100%

Артикул

Название

Примечание

Количество

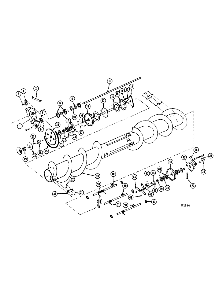
29

FH241190

SHIM - half sheave

2шт.

FH263467

SHEAVE - half, stationary (8-1/2" dia.) Fast reel speed

1шт.

BOLT - 5/16" x 3/4" N.C. hex. (113-102) Nut (129-102) and L.W. (192-20)

6шт.

FH263459

SHEAVE - half, floating (8-1/2" dia.) Fast reel speed

1шт.

FH241208

SHIM

- spacer for FH263467, FH263459 (Replaced by FH417980 when stocks are exhausted)

3шт.

FH417980

SHIM - spacer for FH263467, FH263459 (Replaces FH241208 when stocks are exhausted)

3шт.

30

F9225

PLATE - cover, auger

5шт.

31

187-348

SELF-TAP SCREW,Slotted Pan Hd, 1/4" x 5/8"

SCREW - #14 type A x 5/8" Gimlet pt., pan head tapping

20шт.

32

445406

SPRING NUT,Tinn, 1/4"-14

- speed, cover plate

20шт.

33

FH311464

AUGER - 12 ft. header

1шт.

FH311472

AUGER - 14 ft. header

1шт.

34

FH311860

SHAFT - control, 12' header (Replaced by FH407130 when stocks are exhausted)

1шт.

34

FH407130

SHAFT - control, 12' header (Replaces FH311860 when stocks are exhausted)

1шт.

34

FH311878

SHAFT - control, 14' header (Replaced by FH407148 when stocks are exhausted)

1шт.

34

FH407148

SHAFT - control, 14' header (Replaces FH311878 when stocks are exhausted)

1шт.

35

FHO61069

X

KEY - timing arm

1шт.

36

FH311720

ARM - timing

1шт.

BOLT - 3/8" x 1" N.C. hex. (113-207) Nut (129-103) L.W. (192-21)

1шт.

WASHER - 3/8" flat (195-104)

2шт.

83-55

SET SCREW,Hex Soc, 5/16"-18 x 5/16", Cup Pt

1шт.

37

FH311779

MOUNTING - auger L.H.

1шт.

BOLT - 3/8" x 1" rhd. sq. nk. (11-616) Nut (25-106) and L.W. (92-6)

4шт.

WASHER - 3/8" flat (95-6)

8шт.

38

1443CKA

BALL BEARING

BEARING

2шт.

39

O3203CK

COLLAR - for 1443CKA

1шт.

40

O650CB

X

FLANGE - for 1443CKA bearing

4шт.

BOLT - 3/8" x 3/4" rhd. sq. nk. (11-612) Nut (25-106) and L.W. (92-6)

6шт.

41

FH311845

BULKHEAD - L.H. outer

1шт.

SCREW - 3/8" x 3/4" N.F. Phil. rhd. mach. (174-208) and nut (25-116) L.W. (92-6)

6шт.

42

FH311852

ARM - crank

1шт.

BOLT - 3/8" x 2-1/2" N.C. soc. hd. (61-640) Nut (25-106) and L.W. (92-6)

1шт.

43

13-1064

BOLT,Hex, 5/8" - 11 x 4", Gr 5

- 5/8" x 4" N.C. hex.

1шт.

NUT - 5/8" N.C. hex. (25-1010) L.W. (92-10) Fl. wshr. (95-10)

1шт.

44

FH710657

ARM - control

3шт.

45

FH710632

BEARING - control arm

1шт.

FITTING - grease 1/4"-28 str. (219-8)

3шт.

SCREW - 3/8" x 1-1/2" rhd. mach. (75-524) Nut (131-352) and L.W. (92-6)

3шт.

46

FH311910

BUSHING

- control arm

3шт.

47

FH308171

BEARING - finger tube

6шт.

PIN - cotter 1/4" x 2" (132-154)

6шт.

BOLT - 3/8" x 1" N.C. hex. (13-616) Nut (25-106) L.W. (92-6)

12шт.

48

FH311670

TUBE - finger

1шт.

49

FH311662

TUBE - finger

1шт.

50

FH311654

TUBE - finger

1шт.

51

FH751636

TINE

2шт.

52

FH751651

X

TINE

10шт.

53

FH261024

CLIP

- tine

12шт.

BOLT - 3/8" x 2" N.C. hex. (13-632) NUT (25-106) and L.W. (92-6)

12шт.

Выбрано товаров: 48