Запчасти Case IH 1255 (130) - WHEEL BRAKES (33) - BRAKES & CONTROLS

Схема запчастей Case IH 1255 - (130) - WHEEL BRAKES (33) - BRAKES & CONTROLS
FIT
1:1
100%

Артикул

Название

Примечание

Количество

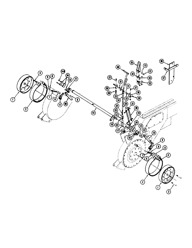
1

FH497925

DRUM - brake

2шт.

2

FH497958

BAND - brake (Includes lining)

2шт.

3

F35126

STUD - locater

2шт.

4

13-512

BOLT,Hex, 5/16" - 18 x 3/4", Gr 5

2шт.

92-5

LOCK WASHER,5/16"

2шт.

95-5

WASHER,3/8" x 7/8" x .083"

- 5/16" flat

2шт.

5

FHO63594

CLEVIS

PIN - clevis 3/8" x 1-1/4"

2шт.

6

132-67

COTTER PIN,5/32" x 3/4"

Pin, Split (Cotter), 5/32" x 3/4"

4шт.

7

FH499889

CLEVIS - band

2шт.

8

FH499921

SHAFT - pivot

2шт.

9

FH499855

LEVER - lower

2шт.

10

FH499822

ARM

2шт.

11

138-201

LOCK PIN,1/2" x 1 1/4", Slotted

Pin, 1/2" x 1 1/4", Slotted

1шт.

12

FHO63966

PIN - clevis 1/2" x 2"

2шт.

13

132-69

COTTER PIN,5/32" x 1"

Pin, Split (Cotter), 5/32" x 1"

5шт.

14

F35262

BLOCK - mounting, assembly

2шт.

14a

13-520

BOLT,Hex, 5/16" - 18 x 1-1/4", Gr 5

- 5/16" x 1-1/4" N. C. hex.

2шт.

14b

13-524

BOLT,Hex, 5/16" - 18 x 1-1/2", Gr 5

2шт.

15

FH497792

SHAFT - brake

1шт.

16

132-71

COTTER PIN,5/32" x 1 1/4"

PIN - cotter 3/32" x 1-1/4"

1шт.

17

FH497743

EQUALIZER

1шт.

18

FH497867

LEVER - upper

1шт.

19

FH497776

BRACE - lower

1шт.

20

FH497784

BRACE - upper

1шт.

21

13-516

BOLT,Hex, 5/16" - 18 x 1", Gr 5

2шт.

22

FHO63826

PIN - clevis 7/16" x 1-1/4"

2шт.

23

FH313247

CLEVIS

2шт.

24

25-147

JAM NUT,Jam, 7/16"-14, G5

- 7/16" - 14 N. C. hex. jam

2шт.

25

FH497289

ROD - pull

1шт.

26

FH497537

BRACKET - pedal pivot

2шт.

27

13-520

BOLT,Hex, 5/16" - 18 x 1-1/4", Gr 5

- 5/16" x 1-1/4" N. C. hex.

2шт.

28

95-6

WASHER,3/8"

- flat 3/8"

2шт.

29

13-824

BOLT,Hex, 1/2" - 13 x 1-1/2", Gr 5, Full Thd

1шт.

25-108

NUT,1/2"-13, G5

- 1/2" N. C. hex.

1шт.

92-8

LOCK WASHER,1/2"

1шт.

30

FH497651

PEDAL - brake

1шт.

31

F35125

BUSHING - pedal

1шт.

32

FH497719

BRACKET - lock support

1шт.

33

13-524

BOLT,Hex, 5/16" - 18 x 1-1/2", Gr 5

2шт.

34

FH758532

SPRING

1шт.

35

FH497701

LOCK - brake

1шт.

36

F35664

PANEL - inner (Tractor without cab only)

1шт.

37

F35663

BRACKET - tractor without cab only

1шт.

Выбрано товаров: 43