Запчасти Case IH 1255 (090) - HEADER PRIMARY DRIVE (35) - HYDRAULIC SYSTEMS

Схема запчастей Case IH 1255 - (090) - HEADER PRIMARY DRIVE (35) - HYDRAULIC SYSTEMS
FIT
1:1
100%

Артикул

Название

Примечание

Количество

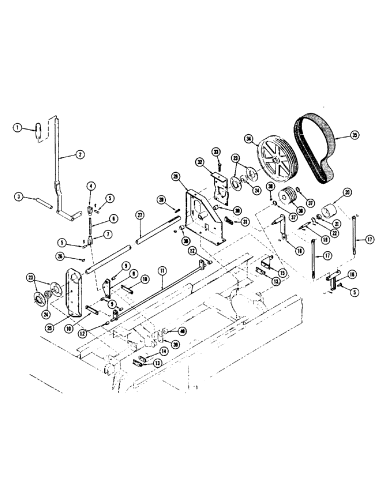
1

FHO27086

X

GRIP

1шт.

2

F35082

HANDLE - control

1шт.

86636814

LUBE NIPPLE,1/4"-28 x .52" lg

NIPPLE, LUBE, 1/4"-28 x .52" lg

1шт.

3

FH442202

BUSHING

1шт.

13-8112

BOLT,Hex, 1/2" - 13 x 7", Gr 5

1шт.

92-8

LOCK WASHER,1/2"

1шт.

4

FH444828

CLEVIS - L. H. thread

1шт.

129-343

NUT,Jam, 3/8"-16, G5, LH

- 3/8" N. C. hex. jam, L. H. thread

1шт.

5

FHO63594

CLEVIS

PIN - clevis, 3/8" x 1-1/4"

3шт.

132-46

COTTER PIN,1/8" x 3/4"

Pin, Split (Cotter), 1/8" x 3/4"

3шт.

6

FH442194

ROD - adjustment

1шт.

7

FH444836

CLEVIS - R. H. thread

1шт.

25-146

JAM NUT,Jam, 3/8"-16, G5

- 3/8" N. C. hex. jam

1шт.

8

FH442004

BELLCRANK

1шт.

13-634

BOLT,Hex, 3/8" - 16 x 2-1/8", Gr 5

- 3/8" x 2-1/4" N. C. hex.

1шт.

9

FH441980

BUSHING

3шт.

10

FH442186

LINK

2шт.

413-632

BOLT,Hex, 3/8" - 16 x 2", Gr 5

- 3/8" x 2" N.C. hex.

2шт.

11

FH441949

ROCKER BAR

1шт.

12

FH383968

BUSHING

2шт.

13

FH712141

PLATE

BEARING - rod end

2шт.

14

FH442269

SPACER

1шт.

15

FH441915

BRACKET - bearing mounting

1шт.

16

FH442277

LINK

1шт.

17

FH442152

ROD - idler

2шт.

FHO74591

NUT - 1/2" N. C. elastic stop, heavy

2шт.

83-612

SET SCREW,Hex Soc, 3/8"-16 x 3/4"

SCREW - 3/8" x 3/4" socket hd. set

2шт.

18

FH442061

ARM - idler

1шт.

FHO74591

NUT - 1/2" N. C. elastic stop, heavy

1шт.

19

FH442137

SPINDLE

1шт.

FHO52886

BUSHING

- mach. 1/2" x 14 ga.

3шт.

25-108

NUT,1/2"-13, G5

- 1/2" N. C. hex.

1шт.

20

F35227

IDLER

1шт.

21

T32178

BALL BEARING,0.515" ID x 1.5748" OD x 0.72"

BEARING

2шт.

22

FH740167

X

RETAINER

1шт.

95-6

WASHER,3/8"

- flat 3/8"

2шт.

132-46

COTTER PIN,1/8" x 3/4"

Pin, Split (Cotter), 1/8" x 3/4"

2шт.

23

FH712612

FLANGE

- bearing

4шт.

24

F86298

BEARING ASSY

BEARING

2шт.

O885CB

COLLAR

1шт.

25

FH442111

BRACKET - front mounting

1шт.

FHO68932

BOLT - 3/8" x 3-1/2" rhd. sq. nk. full thread

1шт.

25-106

NUT,3/8"-16, G5

- 3/8" N. C. hex.

2шт.

26

126-124

WOODRUFF KEY,#15, 1/4" x 1", HT

1шт.

27

FH493924

SHAFT - drive

1шт.

28

FHO61739

KEY

- 1/4" x 1/4" x 2-1/4" gib

1шт.

29

FH442020

SUPPORT - rear

1шт.

30

FHO52589

BEARING

BUSHING

2шт.

86636814

LUBE NIPPLE,1/4"-28 x .52" lg

NIPPLE, LUBE, 1/4"-28 x .52" lg

1шт.

13-1016

BOLT,Hex, 5/8" - 11 x 1", Gr 5, Full Thd

4шт.

31

FH441899

STOP

1шт.

32

FH442103

BRACKET - bearing mounting

1шт.

33

F35229

BOLT - special

1шт.

25-146

JAM NUT,Jam, 3/8"-16, G5

- 3/8" N. C. hex. jam

2шт.

34

FH440362

SHEAVE - 4 groove, 14" dia.

1шт.

35

FH855023

BELT - power band

1шт.

36

FH439133

SHEAVE - 4 groove, 4-1/2" dia.

1шт.

37

FH740613

RING, SNAP

SNAP RING

2шт.

38

FH761247

KEY

- Woodruff

1шт.

39

F35418

BRACKET

1шт.

40

D35078

GROMMET,1 1/2" ID x 1 3/4" Groove Dia

1шт.

Выбрано товаров: 61