Запчасти Case IH 1255 (094) - HYDRAULIC PUMP (35) - HYDRAULIC SYSTEMS

Схема запчастей Case IH 1255 - (094) - HYDRAULIC PUMP (35) - HYDRAULIC SYSTEMS
FIT
1:1
100%

Артикул

Название

Примечание

Количество

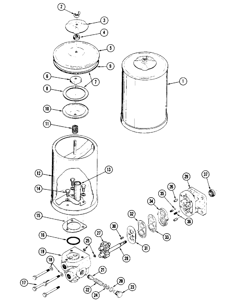
1

FH731133

KIT - reservoir

1шт.

2

129-409

WING NUT,1/4"-20

NUT, WING, 1/4"-20

1шт.

3

FHO40782

CAP - breather

1шт.

4

FH730887

FILTER

- air

1шт.

5

FH733774

LID - with gasket

1шт.

6

FH730895

X

CAP - filter

1шт.

7

FH734210

KIT - pocket and lid gasket

1шт.

8

FH730762

GASKET - filter pocket

1шт.

9

FHO40758

GASKET - reservoir lid

1шт.

10

FH733766

X

POCKET - filter

1шт.

11

FH730879

SPRING

1шт.

12

FH730267

TANK

1шт.

13

FH730275

FILTER

1шт.

14

13-510

BOLT,Hex, 5/16" - 18 x 5/8", Gr 5, Full Thd

3шт.

92-5

LOCK WASHER,5/16"

3шт.

15

FH730259

GASKET

- reservoir

1шт.

16

F8220

O-RING,0.103" Thk x 1.487" ID, -128, Cl 5, 75 Duro

1шт.

17

13-440

BOLT,Hex, 1/4" - 20 x 2-1/2", Gr 5

4шт.

18

FH730663

X

WASHER - 1/4" x .50 aluminum

2шт.

19

FH730697

KIT - backplate repair

1шт.

20

F59121

O-RING

1шт.

21

FH732180

VALVE POPPET

POPPET

1шт.

22

FH730853

X

SPRING

1шт.

23

FH734962

PLUG - hex.

1шт.

24

F12267

WASHER

SHIM

1шт.

25

FH734244

X

O-RING

2шт.

26

FH730804

DOWEL

2шт.

NSS

NOT SOLD SEPARAT

HOUSING

1шт.

NSS

NOT SOLD SEPARAT

SEAT

1шт.

27

FH731034

GEAR - idler

1шт.

28

FH731026

GEAR - drive

1шт.

29

FH731067

PLATE

- front

1шт.

30

FH731042

KEY

1шт.

FH734160

KIT

- major seal repair

1шт.

31

FH731075

DIAPHRAGM

1шт.

32

FH730770

GASKET

- back up

1шт.

33

FH730788

GASKET

- protector

1шт.

34

FH730739

SEAL

- diaphragm

1шт.

35

FH730796

BALL - steel

2шт.

36

FH731059

X

SPRING

2шт.

37

FH730747

SEAL

- shaft

1шт.

F59121

O-RING

1шт.

F8220

O-RING,0.103" Thk x 1.487" ID, -128, Cl 5, 75 Duro

1шт.

FH730259

GASKET

- reservoir

1шт.

FH730887

FILTER

- air

1шт.

FHO40758

GASKET - lid

1шт.

FH730762

GASKET - filter pocket

1шт.

FH730663

X

WASHER - aluminum

2шт.

FH734244

X

"O" RING

2шт.

NSS

NOT SOLD SEPARAT

ADHESIVE - tube

1шт.

Выбрано товаров: 0