Запчасти Case IH 1255 (072) - STEERING LINKAGE (41) - STEERING

Схема запчастей Case IH 1255 - (072) - STEERING LINKAGE (41) - STEERING
FIT
1:1
100%

Артикул

Название

Примечание

Количество

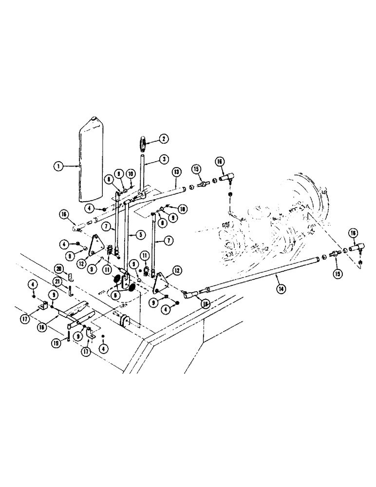
1

FH727750

BOOT

1шт.

2

FHO27086

X

GRIP

1шт.

3

FH440727

ARM - upper steering

1шт.

FHO52886

BUSHING

- 1/2" x 14 ga. mach.

6шт.

4

131-1100

LOCK NUT,1/2"-13, GA

NUT, LOCK, 1/2"-13, GA

5шт.

5

FH440602

ROD - steering

1шт.

6

FH756403

DISC - friction

2шт.

13-836

BOLT,Hex, 1/2" - 13 x 2-1/4", Gr 5

- 1/2" x 2-1/4" N. C. hex.

1шт.

FHO74591

NUT - 1/2" elastic stop

1шт.

7

FH440693

LINK - vertical

2шт.

8

FH249508

BUSHING

2шт.

9

FH756452

BEARING

- nylon

10шт.

13-624

BOLT,Hex, 3/8" - 16 x 1-1/2", Gr 5

- 3/8" x 1-1/2" N. C. hex.

2шт.

195-25

WASHER,3/8"

2шт.

10

131-179

LOCK NUT,3/8"-16, GA

NUT - 3/8" lock

2шт.

11

FH712133

BEARING

2шт.

13-412

BOLT,Hex, 1/4" - 20 x 3/4", Gr 5, Full Thd

4шт.

25-104

NUT,1/4"-20, G5

4шт.

92-4

LOCK WASHER,1/4"

WASHER, LOCK, 1/4"

4шт.

12

FH440651

PIVOT

2шт.

13-528

BOLT,Hex, 5/16" - 18 x 1-3/4", Gr 5

- 5/16" x 1-3/4" N. C. hex.

2шт.

9635082

NUT,5/16" - 18, Gr 5

- 5/16" N. C. hex.

2шт.

131-351

LOCK NUT,5/16"-18, GA

NUT - 5/16" N. C. lock

2шт.

13

F35216

ROD - R. H.

1шт.

14

F35214

ROD - L. H.

1шт.

15

F35215

LINK

2шт.

129-376

NUT,Jam, 1/2"-20, G5, LH

- 1/2" jam - L. H. thread

2шт.

25-158

JAM NUT,Jam, 1/2"-20, G5

- 1/2" jam N. F.

2шт.

16

FH845578

BALL

JOINT

4шт.

131-151

LOCK NUT

NUT - 5/16" N. F. lock

4шт.

17

FH440842

PIVOT

2шт.

18

F35219

PEDAL - neutral

1шт.

19

FHO68932

BOLT - 3/8" x 3-1/2" rhd. sq. nk., full thread

1шт.

25-146

JAM NUT,Jam, 3/8"-16, G5

- 3/8" N. C. hex. jam

2шт.

20

F35420

BRACKET - front

1шт.

21

F35421

J-BOLT

1шт.

25-104

NUT,1/4"-20, G5

2шт.

95-4

WASHER,1/4"

- flat 1/4"

2шт.

Выбрано товаров: 38