Запчасти Case IH 1255 (126) - GAUGE WHEELS, CORD (44) - WHEELS

Схема запчастей Case IH 1255 - (126) - GAUGE WHEELS, CORD (44) - WHEELS
FIT
1:1
100%

Артикул

Название

Примечание

Количество

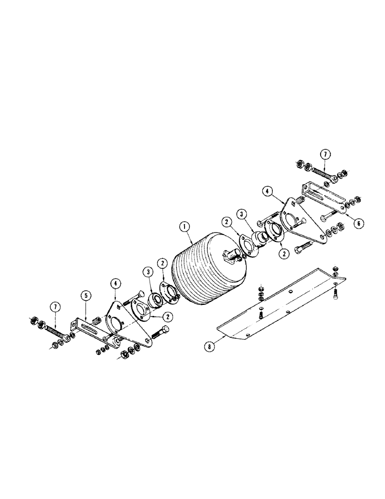
1

FH727826

WHEEL - gauge

2шт.

2

F35134

FLANGE - bearing

8шт.

111-302

CARRIAGE BOLT,Short NK, 3/8"-16 x 3/4", G2

BOLT - 3/8" x 3/4" rhd. sq. nk.

12шт.

129-103

NUT,Hex, 3/8" - 16, Gr 5

NUT, 3/8"-16, G5

12шт.

192-21

LOCK WASHER,3/8"

WASHER, LOCK, 3/8"

12шт.

3

K3315

BEARING ASSY

BEARING

4шт.

O885CB

COLLAR

1шт.

4

F35133

ARM - pivot

4шт.

113-606

BOLT,Hex, 5/8" - 11 x 1-1/4", Gr 5, Full Thd

4шт.

129-107

NUT,5/8"-11, G5

4шт.

192-25

LOCK WASHER,5/8"

WASHER, LOCK, 5/8"

4шт.

95-10

WASHER,5/8"

- flat 5/8"

4шт.

5

F35131

LINK - L. H. adjusting

2шт.

6

F35132

LINK - R. H. adjusting

2шт.

11-832

BOLT (MACHINE)

BOLT - 1/2" x 2" rhd. sq. nk.

4шт.

25-108

NUT,1/2"-13, G5

- 1/2" N. C. hex.

4шт.

92-8

LOCK WASHER,1/2"

4шт.

95-8

WASHER,1/2"

flat 1/2"

4шт.

7

FH766287

SPECIAL BOLT

BOLT - draw

4шт.

25-108

NUT,1/2"-13, G5

- 1/2" N. C. hex.

4шт.

25-148

JAM NUT,Jam, 1/2"-13, G5

4шт.

11-836

BOLT

- 1/2" x 2-1/4" rhd. sq. nk.

4шт.

25-108

NUT,1/2"-13, G5

- 1/2" N. C. hex.

4шт.

92-8

LOCK WASHER,1/2"

4шт.

95-8

WASHER,1/2"

flat 1/2"

4шт.

8

FH445866

SHOE - skid

2шт.

13-612

BOLT,Hex, 3/8" - 16 x 3/4", Gr 5, Full Thd

6шт.

73-616

SCREW,Slotted Flat Hd, 3/8"-16 x 1"

- 3/8" x 1" flat hd. mach.

4шт.

Выбрано товаров: 28