Запчасти Case IH 1255 (052) - A36584 STARTING MOTOR, 188 SPARK IGNITION ENGINE (55) - ELECTRICAL SYSTEMS

Схема запчастей Case IH 1255 - (052) - A36584 STARTING MOTOR, 188 SPARK IGNITION ENGINE (55) - ELECTRICAL SYSTEMS
FIT
1:1
100%

Артикул

Название

Примечание

Количество

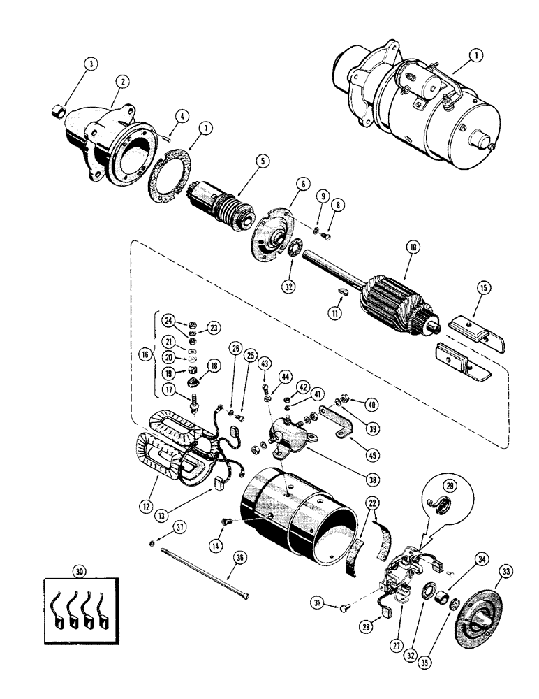
1

A36584

STARTING MOTOR

STARTER ASSY. - (Eltra #MDU-7104A)

1шт.

1

104223A1R

REMAN-STARTER

Remanufactured STARTER 12 volt Presto Inertia

1шт.

1

104223A1C

CORE-STARTER

Return Part Number, STARTER 12 volt Presto Inertia

1шт.

2

A25610

HOUSING

HOUSING ASSY. - drive end

1шт.

3

A25611

BEARING

BEARING - armature shaft

1шт.

4

NSS

NOT SOLD SEPARAT

PIN - housing locating

1шт.

5

A40272

DRIVE

DRIVE ASSY. - Bendix

1шт.

6

G45478

PLATE

BEARING ASSY - intermediate

1шт.

7

G46910

GASKET

GASKET - intermediate bearing

1шт.

8

173-221

SCREW,Sl Rnd Hd, #10 - 32 x 7/16"

SCREW - inter. brg. (#10-32 x 7/16" rd. hd.)

4шт.

9

92-3

LOCK WASHER,#10

WASHER, LOCK, #10

4шт.

10

A25607

ARMATURE

SPARE PART ARMATURE

1шт.

11

126-112

WOODRUFF KEY,#6, 5/32" x 5/8", HT

WOODRUFF KEY, #6, 5/32" x 5/8", HT

1шт.

12

A25604

PACKAGE

COIL ASSY. - field

1шт.

13

NSS

NOT SOLD SEPARAT

BRUSH - (Order A25603) (See item 30)

2шт.

14

NSS

NOT SOLD SEPARAT

SCREW - pole shoes

4шт.

15

NSS

NOT SOLD SEPARAT

SHOE - pole

4шт.

16

A40278

KIT

TERMINAL KIT - field

1шт.

17

NSS

NOT SOLD SEPARAT

STUD - terminal

1шт.

18

NSS

NOT SOLD SEPARAT

WASHER - insulating, inner

1шт.

19

NSS

NOT SOLD SEPARAT

BUSHING - insulating (In housing)

1шт.

20

NSS

NOT SOLD SEPARAT

WASHER - insulating, outer

1шт.

21

NSS

NOT SOLD SEPARAT

WASHER - plain, term. stud

1шт.

22

NSS

NOT SOLD SEPARAT

INSULATION - field coil

2шт.

23

92-5

LOCK WASHER,5/16"

LOCK WASHER, 5/16"

1шт.

24

192-102

WASHER

NUT - (5/16" N.C. hex.)

2шт.

25

173-74

SCREW,Sl Rnd Hd, #8 - 32 x 5/16"

SCREW - term. stud (#8-32 x 5/16" rd. hd.)

1шт.

26

192-16

LOCK WASHER,Helical Spring, #8, 0.17" ID, CST, ZND

Washer, Lock, #8

1шт.

27

A25612

PLATE

PLATE ASSY. - brush carrier

1шт.

28

NSS

NOT SOLD SEPARAT

BRUSH - (Order A25603) (See item 30)

2шт.

29

A40275

SPRING

SPRING SET - brush (Set of 4)

1шт.

30

A25603

BRUSH SET

BRUSH SET - (Set of 4)

1шт.

31

NSS

NOT SOLD SEPARAT

RIVET - brush plate

3шт.

A40277

KIT

THRUST WASHER KIT (Not illust.) (Use thrust washers as required)

1шт.

32

NSS

NOT SOLD SEPARAT

WASHER - inter. brg. & comm. end (1/32")

4шт.

32

NSS

NOT SOLD SEPARAT

WASHER - comm. end (3/64")

2шт.

32

NSS

NOT SOLD SEPARAT

WASHER - comm. end (5/64")

2шт.

33

A40274

HEAD

HEAD ASSY. - comm. end

1шт.

34

NSS

NOT SOLD SEPARAT

BUSHING - armature shaft

1шт.

35

NSS

NOT SOLD SEPARAT

FELT - oiler

1шт.

36

A25601

SCREW

BOLT - thru

2шт.

37

192-19

LOCK WASHER,Helical Spring, 0.256" ID, CST, ZND

WASHER, LOCK, 1/4"

2шт.

38

A40795

SOLENOID

SOLENOID ASSY.

1шт.

39

192-20

LOCK WASHER,Helical Spring, 0.318" ID, CST, ZND

WASHER, LOCK, 5/16"

3шт.

40

129-122

NUT,5/16"-24, G5

NUT, 5/16"-24, G5

3шт.

41

192-18

LOCK WASHER,Helical Spring, #10, 0.196" ID, CST, ZND

WASHER, LOCK, #10

1шт.

42

129-37

NUT,#10-32

NUT, #10-32

1шт.

43

174-93

SCREW,Sl Rnd Hd, #10 - 32 x 1/4"

SCREW - solenoid (#10-32 x 1/4" rd. hd.)

2шт.

44

193-26

LOCK WASHER,Int Tooth, #10

WASHER, LOCK, Int Tooth, #10

2шт.

45

NSS

NOT SOLD SEPARAT

CONNECTOR -, Serial Range: solenoid-field

1шт.

Выбрано товаров: 0